指南生活
首页
美食营养
手工爱好
生活家居
返回
指南生活
首页
美食营养
游戏数码
手工爱好
生活家居
健康养生
运动户外
职场理财
情感交际
母婴教育
时尚美容
知识问答
生活知识
搜索
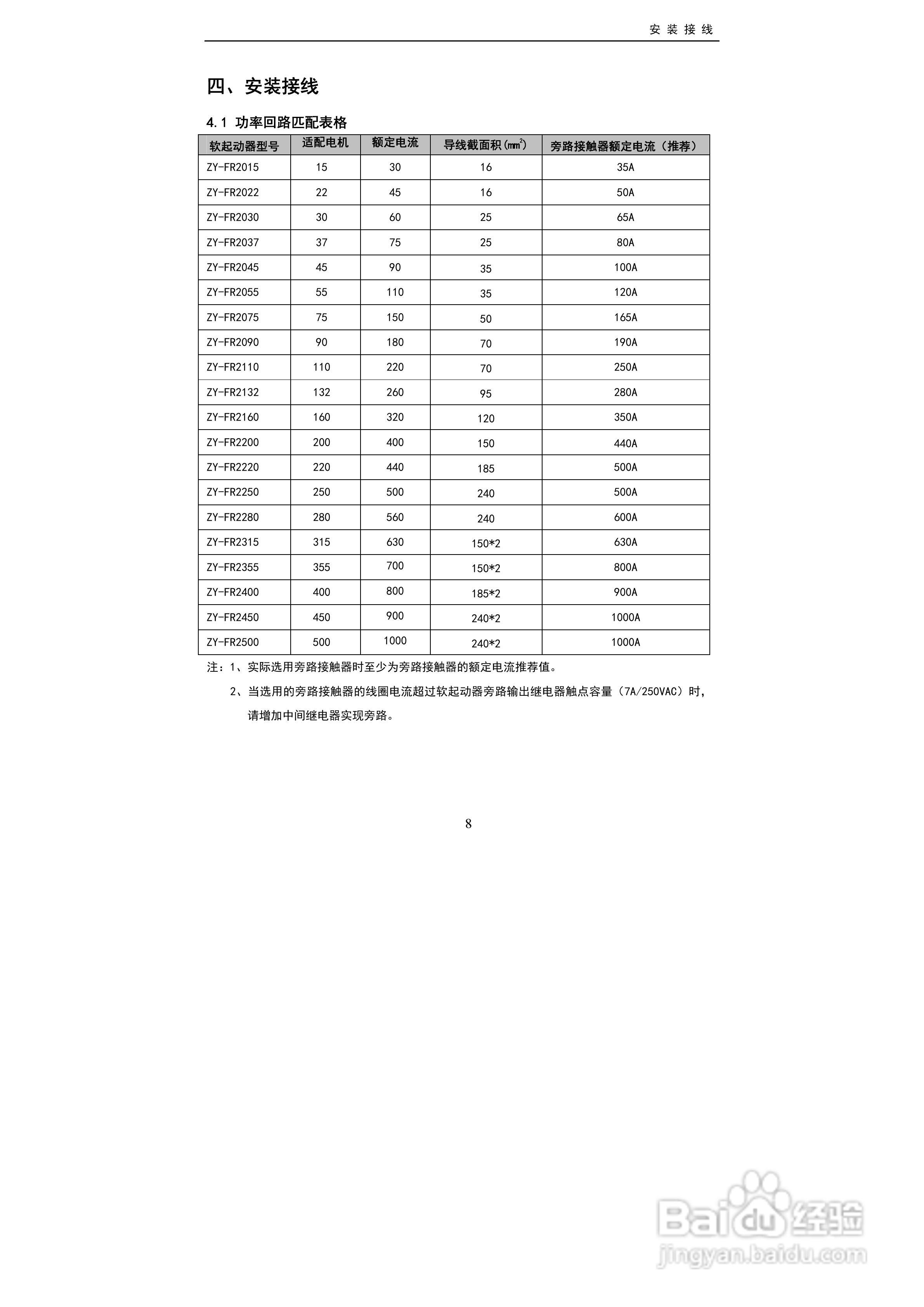
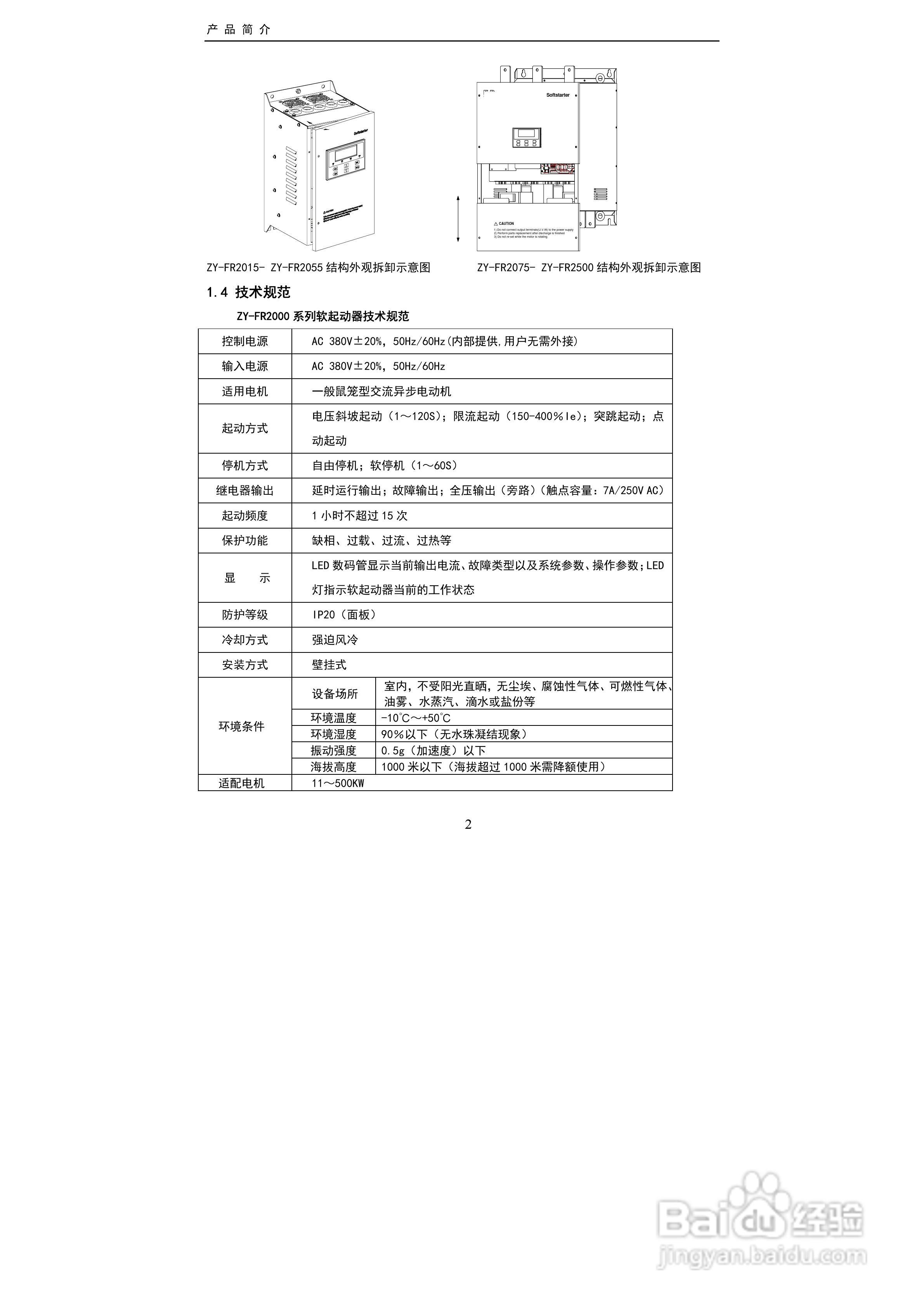
中源动力ZY-FR2500软起动器用户手册:[1]
2025-12-14 09:29:56
本篇为《中源动力ZY-FR2500软起动器用户手册》,主要介绍该产品的使用方法以及常见故障解决方案。
(共篇)
下一篇:
声明:
本网站引用、摘录或转载内容仅供网站访问者交流或参考,不代表本站立场,如存在版权或非法内容,请联系站长删除,联系邮箱:site.kefu@qq.com。
相关推荐
中源动力ZY-FR1220电机软启动器使用手册:[1]
阅读量:150
中源动力ZY-FR1220电机软启动器使用手册:[3]
阅读量:167
中源FR1000电机软起动器说明书V3.0:[1]
阅读量:97
AOR5000网络智能软起动器用户手册:[1]
阅读量:167
AOR3000中文智能软起动器用户手册:[1]
阅读量:33
猜你喜欢
scream什么意思
精华液的作用
扎西德勒是什么意思
become是什么意思
rose是什么意思
头位是什么意思
俗不可耐什么意思
皇菊的功效与作用
读书破万卷下笔如有神是什么意思
肉便器是什么意思
猜你喜欢
什么是难产
干性皮肤用什么洗面奶
以逸待劳的意思
客厅地砖用什么砖好
漫不经心的意思
ipv6是什么意思啊
跑鞋什么牌子好
氩弧焊机什么牌子好
大背头适合什么脸型
收官是什么意思