指南生活
首页
美食营养
手工爱好
生活家居
返回
指南生活
首页
美食营养
游戏数码
手工爱好
生活家居
健康养生
运动户外
职场理财
情感交际
母婴教育
时尚美容
知识问答
生活知识
搜索
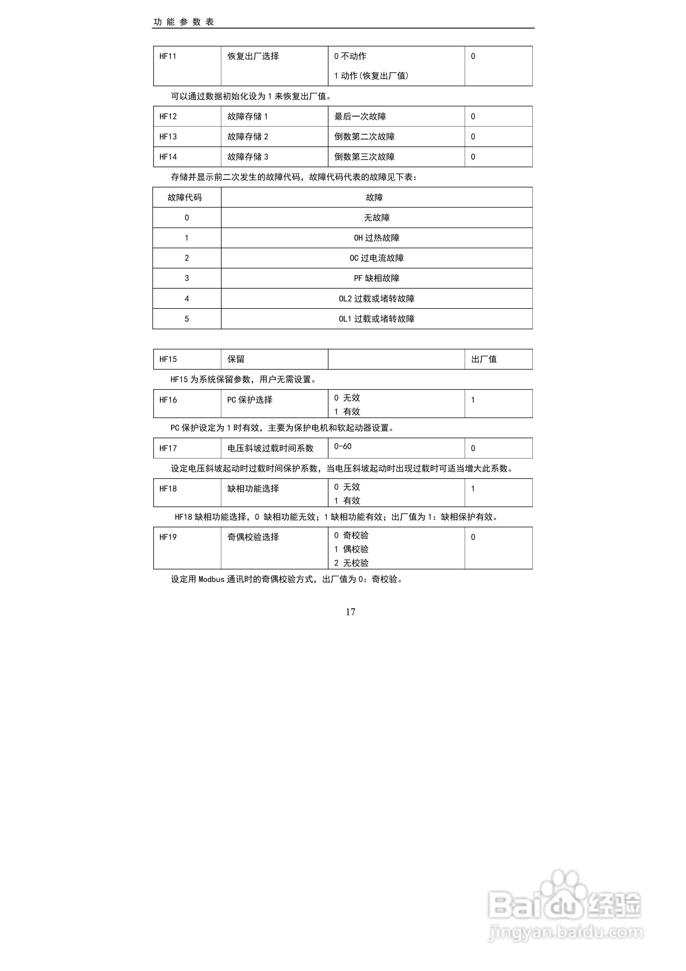
中源动力ZY-FR2500软起动器用户手册:[2]
2025-12-29 20:24:53
本篇为《中源动力ZY-FR2500软起动器用户手册》,主要介绍该产品的使用方法以及常见故障解决方案。
(共篇)
上一篇:
声明:
本网站引用、摘录或转载内容仅供网站访问者交流或参考,不代表本站立场,如存在版权或非法内容,请联系站长删除,联系邮箱:site.kefu@qq.com。
相关推荐
中源动力ZY-FR1220电机软启动器使用手册:[2]
阅读量:50
中源FR1000电机软起动器说明书V3.0:[2]
阅读量:145
中源动力ZY-FR1220电机软启动器使用手册:[3]
阅读量:141
中源动力ZY-FR1220电机软启动器使用手册:[4]
阅读量:65
AOR5000网络智能软起动器用户手册:[2]
阅读量:110
猜你喜欢
pg是什么意思
窗口期是什么意思
pmma是什么材料
我发现了什么作文
1921年属什么生肖
液基细胞学检查是什么
纯碱是什么
date是什么意思中文
君子之交淡如水什么意思
财务管理都学什么
猜你喜欢
流鼻血是什么原因
妨夫痣是什么意思
bvlgari是什么牌子
七夕节什么时候
射手座和什么星座最配
京豆有什么用
河粉是什么做的
我国的国体是什么
人加工念什么
苗族的传统节日是什么