指南生活
首页
美食营养
手工爱好
生活家居
返回
指南生活
首页
美食营养
游戏数码
手工爱好
生活家居
健康养生
运动户外
职场理财
情感交际
母婴教育
时尚美容
知识问答
生活知识
生活百科
搜索
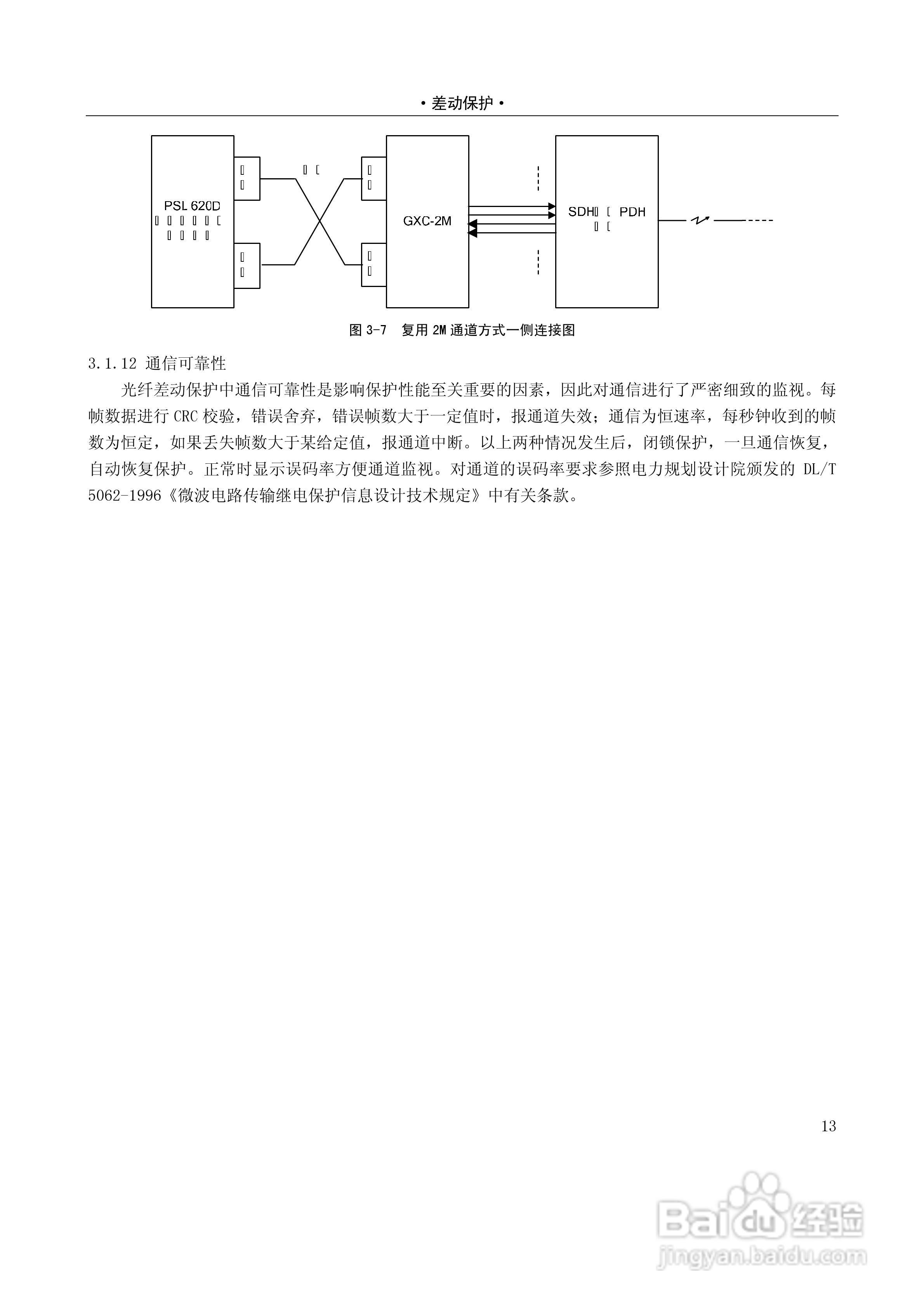
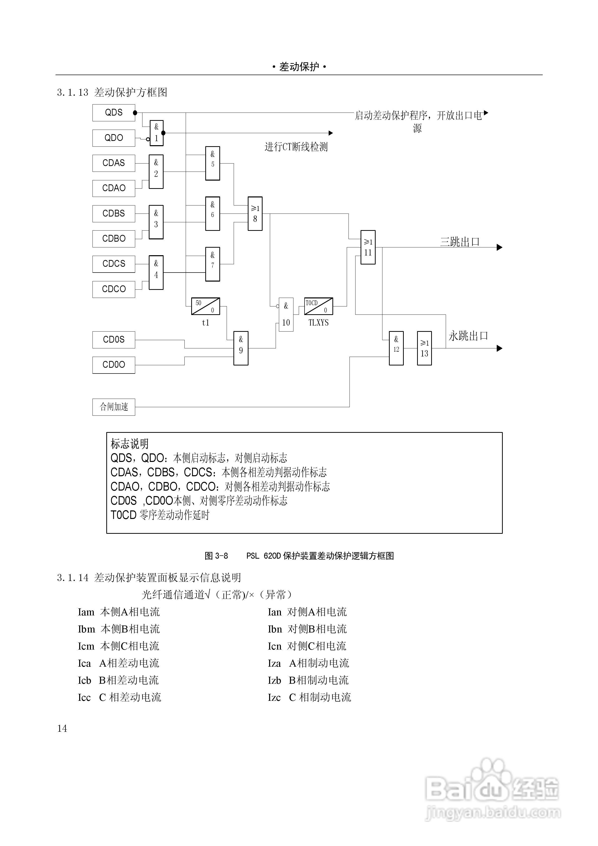
PSL626D数字式线路保护技术说明书:[2]
2026-03-24 23:43:04
本篇为《PSL626D数字式线路保护技术说明书》,主要介绍该产品的使用方法以及常见故障解决方案。
(共篇)
上一篇:
|
下一篇:
声明:
本网站引用、摘录或转载内容仅供网站访问者交流或参考,不代表本站立场,如存在版权或非法内容,请联系站长删除,联系邮箱:site.kefu@qq.com。
相关推荐
PSL626D数字式线路保护技术说明书:[8]
阅读量:66
PSL626D数字式线路保护技术说明书:[9]
阅读量:28
PSL626D数字式线路保护技术说明书:[6]
阅读量:76
PSL626D数字式线路保护技术说明书:[7]
阅读量:25
PSL626D数字式线路保护技术说明书:[4]
阅读量:24
猜你喜欢
什么床垫子好
many是什么意思
气宇轩昂的意思
制裁的意思
婴儿洗衣液什么牌子好
什么是基金会
什么乐器最容易自学
迷蒙的意思
梦见牛是什么意思
icon是什么意思
猜你喜欢
什么牌子电动车最好
张飞的妈妈姓什么
cmcc是什么意思
话不投机什么意思
多事之秋是什么意思
法人代表是什么意思
什么牌子的燕窝好
连襟是什么意思
姜子牙属什么生肖
洋洋洒洒的意思