指南生活
首页
美食营养
手工爱好
生活家居
返回
指南生活
首页
美食营养
游戏数码
手工爱好
生活家居
健康养生
运动户外
职场理财
情感交际
母婴教育
时尚美容
知识问答
生活知识
搜索
朗睿 LR-064ARM型彩色工业液晶显示器使用说明书:[2]
2025-12-09 21:57:02
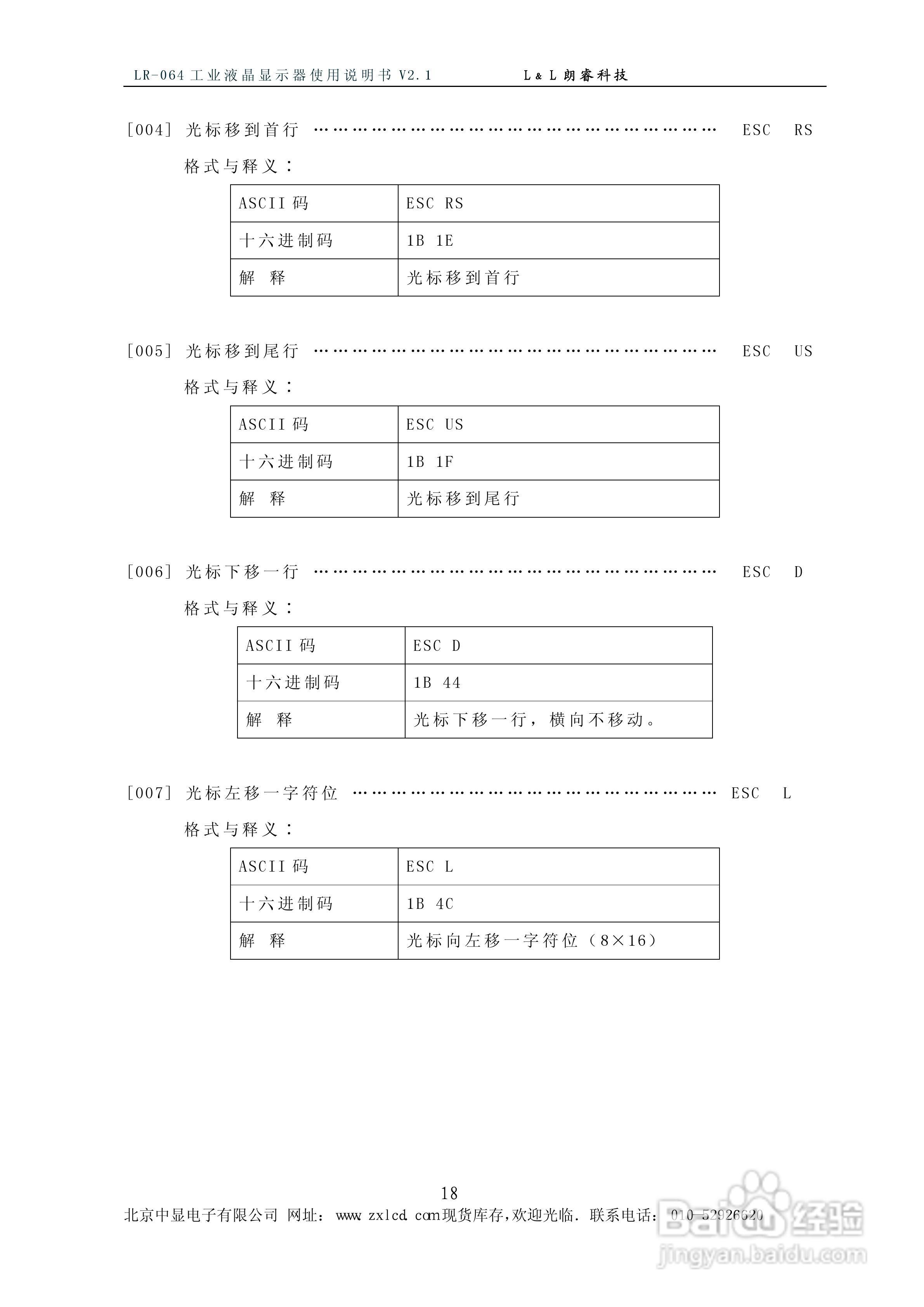
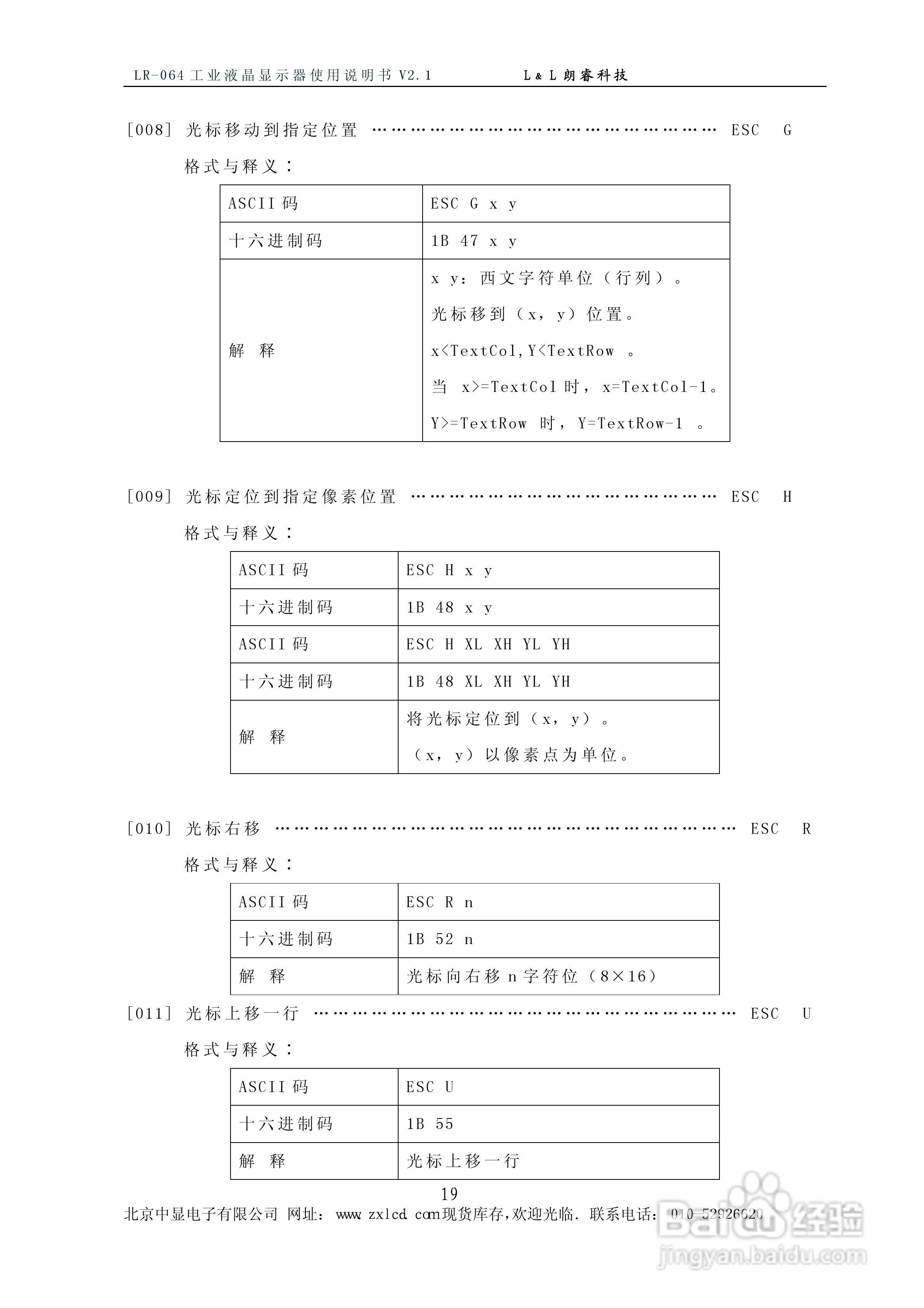
本篇为《朗睿 LR-064ARM型彩色工业液晶显示器使用说明书》,主要介绍该产品的使用方法以及常见故障解决方案。
(共篇)
上一篇:
|
下一篇:
声明:
本网站引用、摘录或转载内容仅供网站访问者交流或参考,不代表本站立场,如存在版权或非法内容,请联系站长删除,联系邮箱:site.kefu@qq.com。
相关推荐
朗睿 LR-064ARM型彩色工业液晶显示器使用说明书:[3]
阅读量:179
朗睿LR064VR/B系列彩色液晶显示器使用说明书:[2]
阅读量:186
朗睿LR056VS系列彩色工业液晶显示器使用说明书:[2]
阅读量:132
朗睿LR064VR/B系列彩色液晶显示器使用说明书:[1]
阅读量:104
LR-104ARM型彩色工业液晶显示器说明书:[2]
阅读量:192
猜你喜欢
喧闹的反义词是什么
gentle是什么意思
明朗的反义词是什么
磅礴是什么意思
今天是什么日子啊
什么是结核病
土元养殖
cherry什么意思
缺乏维生素b2的症状
achieve是什么意思
猜你喜欢
安徒生被称为什么
阿姨洗铁路什么意思
蜂蜜水什么时候喝最好
什么是二维码
什么是双学位
学习c语言用什么软件
灰色裤子搭配什么颜色上衣
什么是罗生门
snowy是什么意思中文
kumho是什么轮胎