指南生活
首页
美食营养
手工爱好
生活家居
返回
指南生活
首页
美食营养
游戏数码
手工爱好
生活家居
健康养生
运动户外
职场理财
情感交际
母婴教育
时尚美容
知识问答
生活知识
搜索
摩托托尼MVC Plus 软起动器中文说明书:[10]
2025-12-19 19:27:24
本篇为《摩托托尼MVC Plus 软起动器中文说明书》,主要介绍该产品的使用方法以及常见故障解决方案。
(共篇)
上一篇:
声明:
本网站引用、摘录或转载内容仅供网站访问者交流或参考,不代表本站立场,如存在版权或非法内容,请联系站长删除,联系邮箱:site.kefu@qq.com。
相关推荐
摩托托尼MVC Plus 软起动器中文说明书:[9]
阅读量:170
摩托托尼XLD软起动器中文说明书:[1]
阅读量:119
摩托托尼VMX软起动器中文说明书:[1]
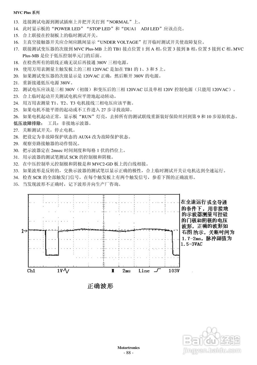
阅读量:20
托尼盖发型方形直线修剪步骤
阅读量:24
托尼盖发型向前边缘渐进修剪技巧
阅读量:183
猜你喜欢
大气磅礴的意思
变化莫测的意思
自渎是什么意思
hq是什么意思
攻略是什么意思
万众一心的意思
什么是软包装
贝肯鲍尔踢什么位置
尸位素餐是什么意思
tool是什么意思
猜你喜欢
柳州有什么好玩的景点
换手率是什么意思
牛肉与什么不能同吃
smoke是什么意思
联营是什么意思
无线机顶盒什么牌子好
以药补医什么意思
教师祝福
什么大型游戏好玩
蝉联是什么意思