指南生活
首页
美食营养
手工爱好
生活家居
返回
指南生活
首页
美食营养
游戏数码
手工爱好
生活家居
健康养生
运动户外
职场理财
情感交际
母婴教育
时尚美容
知识问答
生活知识
生活百科
搜索
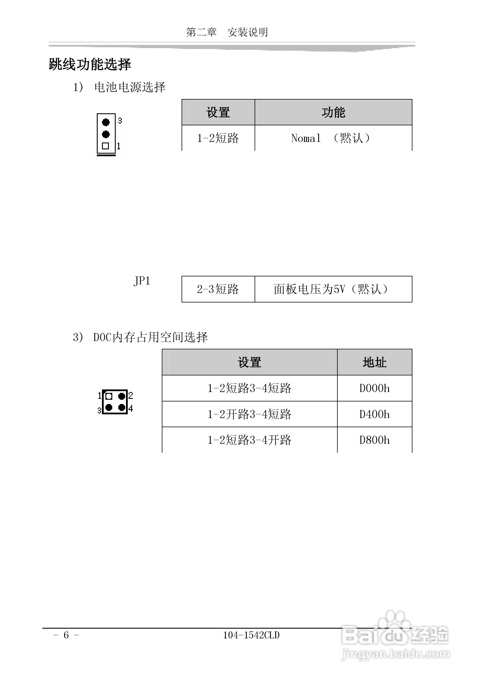
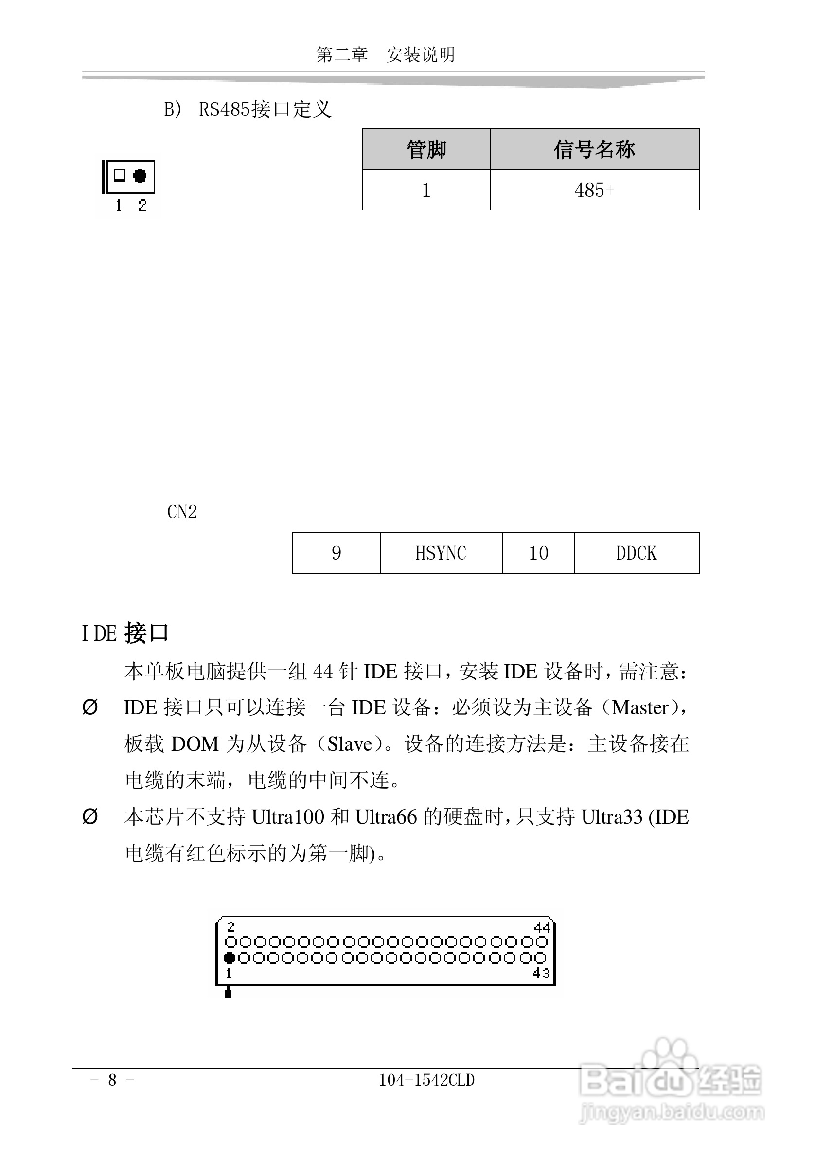
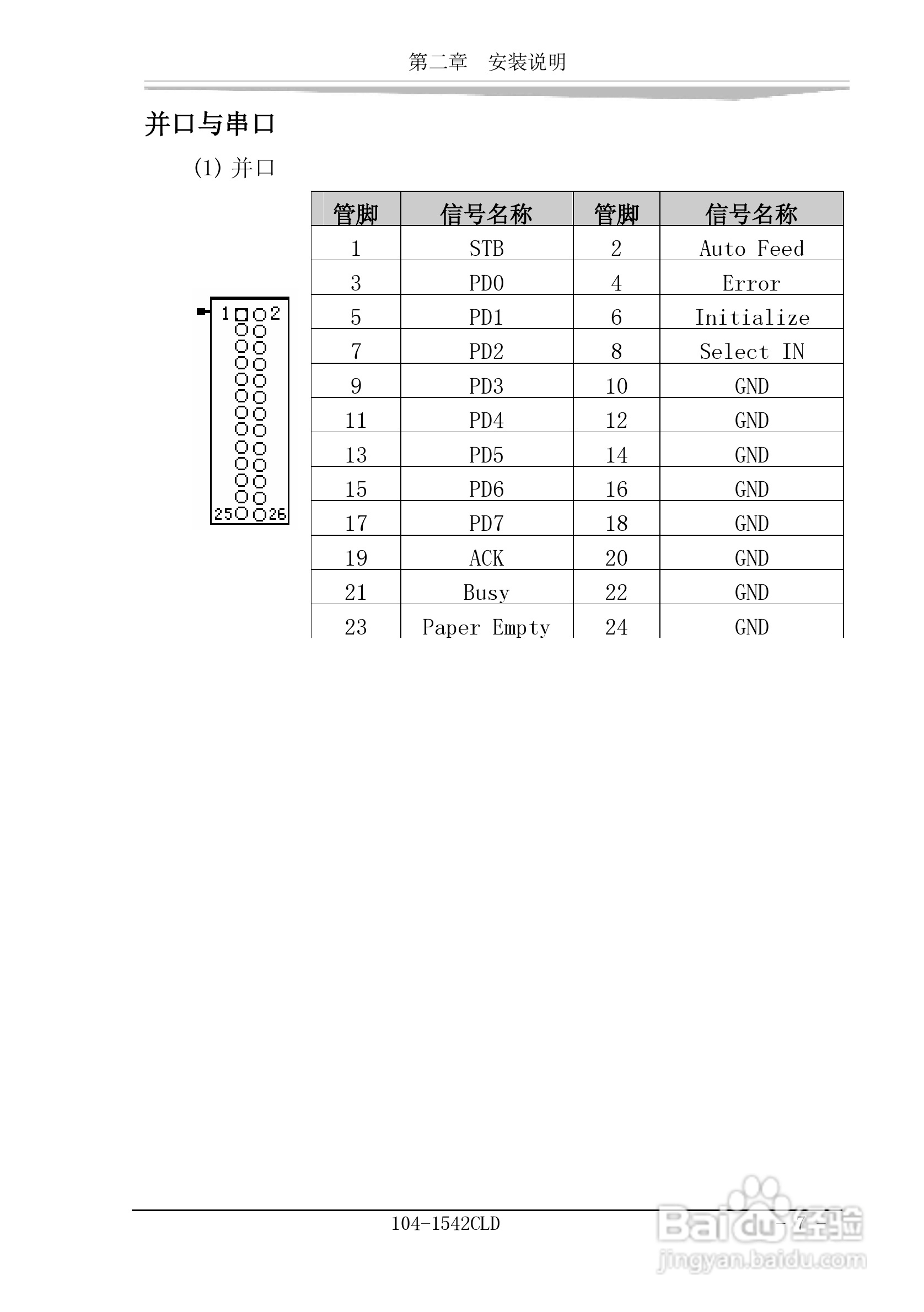
研祥104-1542CLD工业级CPU板卡说明书:[2]
2026-04-01 06:22:27
本篇为《研祥104-1542CLD工业级CPU板卡说明书》,主要介绍该产品的使用方法以及常见故障解决方案。
(共篇)
上一篇:
|
下一篇:
声明:
本网站引用、摘录或转载内容仅供网站访问者交流或参考,不代表本站立场,如存在版权或非法内容,请联系站长删除,联系邮箱:site.kefu@qq.com。
相关推荐
研祥104-1541CLDN(B)工业级主机CPU板卡说明书:[2]
阅读量:30
研祥EC4-1641CLD2NA工业级CPU板卡说明书:[2]
阅读量:82
研祥EC4-1641CLD2NA工业级CPU板卡说明书:[1]
阅读量:106
研祥EC4-1641CLD2NA工业级CPU板卡说明书:[4]
阅读量:67
研祥EC4-1641CLD2NA工业级CPU板卡说明书:[3]
阅读量:158
猜你喜欢
家常土豆饼
华山医院怎么样
丝瓜的做法大全家常菜
消化不良腹胀怎么办
科学研究方法
360浏览器怎么样
支气管扩张治疗方法
增大压强的方法
猜字谜语大全及答案
实习目的怎么写
猜你喜欢
纸花怎么折
qq群怎么解散
呼吸困难是怎么回事
猜成语大全及答案
调查研究方法
下雨天了怎么办我好想你
光子嫩肤效果怎么样
风味茄子的家常做法
肾阴虚的治疗方法
塑料瓶手工制作大全