指南生活
首页
美食营养
手工爱好
生活家居
返回
指南生活
首页
美食营养
游戏数码
手工爱好
生活家居
健康养生
运动户外
职场理财
情感交际
母婴教育
时尚美容
知识问答
生活知识
生活百科
搜索
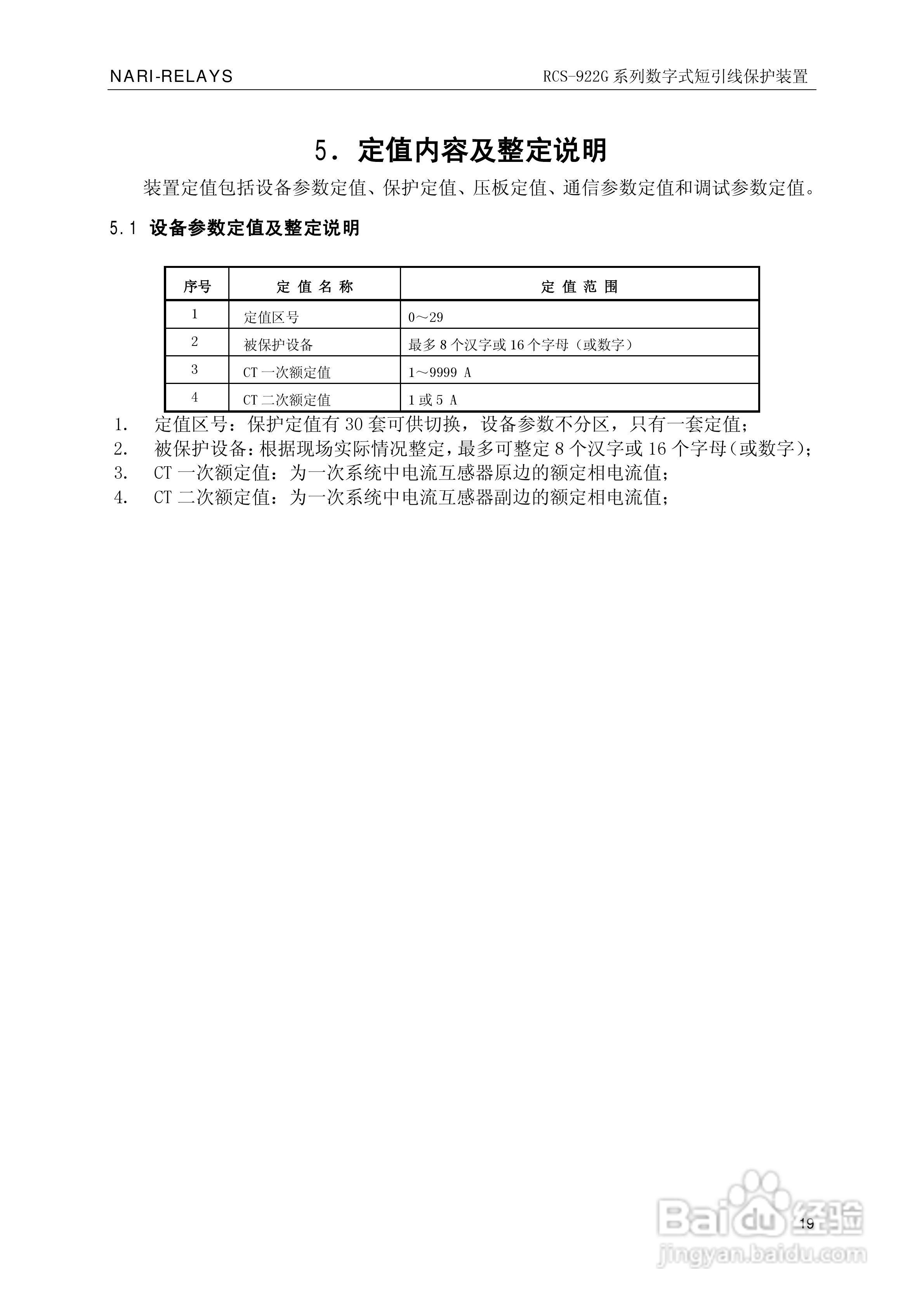
南瑞继保RCS-922G系列数字式短引线保护装置使用说明书:[3]
2026-05-15 04:53:05
本篇为《南瑞继保RCS-922G系列数字式短引线保护装置使用说明书》,主要介绍该产品的使用方法以及常见故障解决方案。
(共篇)
上一篇:
|
下一篇:
声明:
本网站引用、摘录或转载内容仅供网站访问者交流或参考,不代表本站立场,如存在版权或非法内容,请联系站长删除,联系邮箱:site.kefu@qq.com。
相关推荐
南瑞继保RCS-921G断路器失灵保护及自动重合闸装置使用:[5]
阅读量:110
南瑞继保RCS-923G系列母联保护装置技术说明书:[3]
阅读量:155
南瑞继保RCS-928A型断路器闪络保护装置使用说明书:[3]
阅读量:82
南瑞继保RCS-921G断路器失灵保护及自动重合闸装置使用:[2]
阅读量:184
南瑞继保RCS-921G断路器失灵保护及自动重合闸装置使用:[4]
阅读量:42
猜你喜欢
朕总是觉得哪里不对
o型腿怎么矫正图解
怎么转换mp4格式
switzerland是哪里
早泄如何治疗
如何进入安全模式
如何root
如何写
aspx文件怎么打开
正定旅游景点大全
猜你喜欢
康辉旅游官网
如何打蝴蝶结
ps如何换背景
西安到华山旅游攻略
.db文件怎么打开
如何求婚
曼谷旅游
呼和浩特 旅游
月经不调如何调理
四川工程职业技术学院怎么样