指南生活
首页
美食营养
手工爱好
生活家居
返回
指南生活
首页
美食营养
游戏数码
手工爱好
生活家居
健康养生
运动户外
职场理财
情感交际
母婴教育
时尚美容
知识问答
生活知识
搜索
RCS-9709C测控装置技术和使用说明书:[13]
2025-12-09 21:34:40
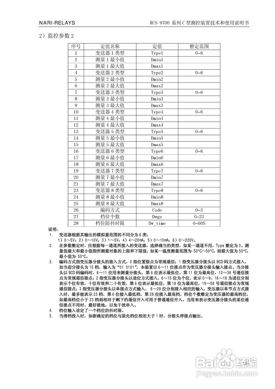
本篇为《RCS-9709C测控装置技术和使用说明书》,主要介绍该产品的使用方法以及常见故障解决方案。
(共篇)
上一篇:
|
下一篇:
声明:
本网站引用、摘录或转载内容仅供网站访问者交流或参考,不代表本站立场,如存在版权或非法内容,请联系站长删除,联系邮箱:site.kefu@qq.com。
相关推荐
RCS-9709C测控装置技术和使用说明书:[11]
阅读量:39
使用说明书封面怎么做
阅读量:122
使用说明书wf2651使用指南
阅读量:70
RCS-9709C测控装置技术和使用说明书:[16]
阅读量:171
RCS-9709C测控装置技术和使用说明书:[18]
阅读量:95
猜你喜欢
pdt是什么意思
怀孕一个月有什么症状
sometimes是什么意思
et是什么
什么是同类项
bright是什么意思
gre是什么意思
松茸是什么
少年白头发是什么原因
什么东西去火
猜你喜欢
孕妇什么不能吃
欧尼酱什么意思
1996年是什么命
借贷是什么意思
什么是本命年
血压低是什么原因导致的
腰痛是什么原因
患得患失什么意思
有机是什么意思
脚底出汗是什么原因