指南生活
首页
美食营养
手工爱好
生活家居
返回
指南生活
首页
美食营养
游戏数码
手工爱好
生活家居
健康养生
运动户外
职场理财
情感交际
母婴教育
时尚美容
知识问答
生活知识
生活百科
搜索
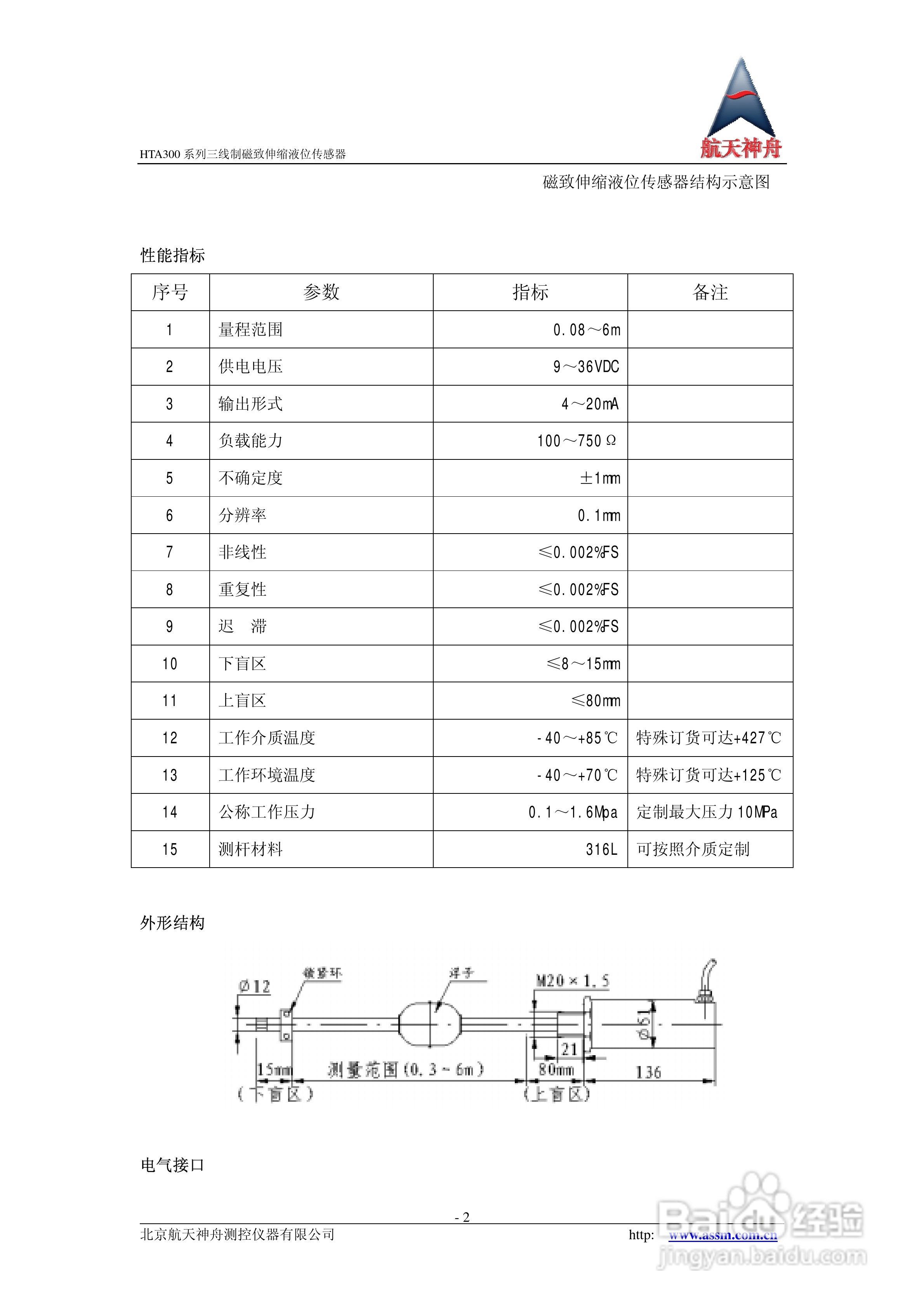
神舟HTA300系列三线制磁致伸缩液位传感器说明书
2026-04-18 16:05:14
声明:
本网站引用、摘录或转载内容仅供网站访问者交流或参考,不代表本站立场,如存在版权或非法内容,请联系站长删除,联系邮箱:site.kefu@qq.com。
相关推荐
神舟HTA200系列两线制磁致伸缩液位传感器说明书
阅读量:181
神舟HTA200A系列两线制磁致伸缩液位变送器说明书
阅读量:150
FT8511磁致伸缩液位计安装调试使用说明书:[3]
阅读量:27
TC41C无线磁致伸缩水位流量计用户手册:[2]
阅读量:28
FT8511磁致伸缩液位计安装调试使用说明书:[2]
阅读量:190
猜你喜欢
身份证310开头是哪里的
粽子的五花肉怎么腌制
如何提高团队凝聚力
抹茶粉怎么吃
网上怎么查征信报告
白蒿泡水喝的功效
wps画图工具在哪里
二次搬运费如何计取
电脑序列号怎么看
同程旅游官网
猜你喜欢
如何做外贸
如何提高智商
华为荣耀路由器
花椒粉怎么做
海马s7发动机怎么样
如何做销售
怎么样申请qq号
长白山旅游报价
这个季节去哪里旅游最好
如何合并单元格