指南生活
首页
美食营养
手工爱好
生活家居
返回
指南生活
首页
美食营养
游戏数码
手工爱好
生活家居
健康养生
运动户外
职场理财
情感交际
母婴教育
时尚美容
知识问答
生活知识
生活百科
搜索
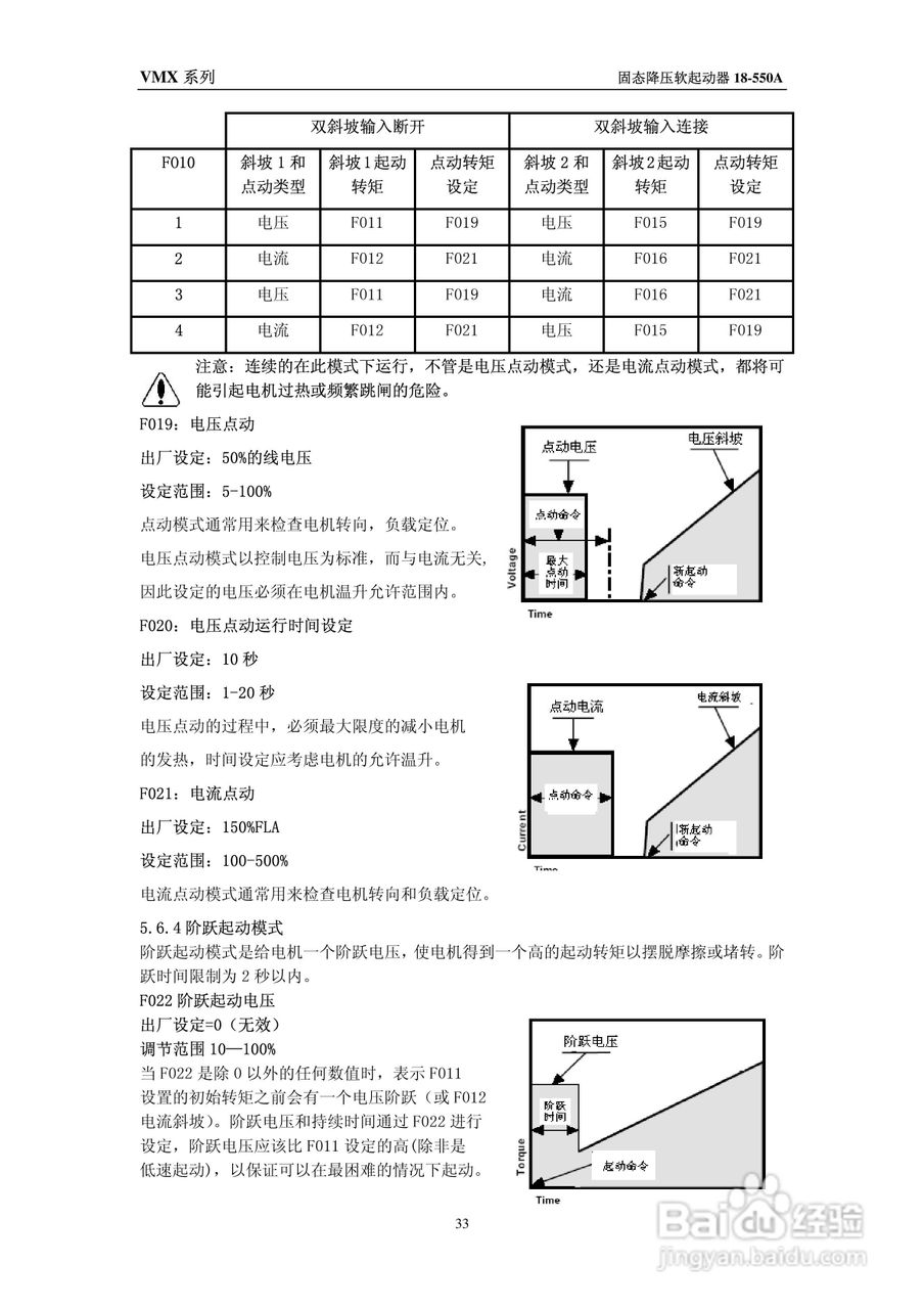
VMX-550-BP软起动器使用维护手册:[4]
2026-05-11 21:30:41
本篇为《VMX-550-BP软起动器使用维护手册》,主要介绍该产品的使用方法以及常见故障解决方案。
(共篇)
上一篇:
|
下一篇:
声明:
本网站引用、摘录或转载内容仅供网站访问者交流或参考,不代表本站立场,如存在版权或非法内容,请联系站长删除,联系邮箱:site.kefu@qq.com。
相关推荐
摩托托尼VMX软起动器中文说明书:[4]
阅读量:110
摩托托尼VMX软起动器中文说明书:[8]
阅读量:23
摩托托尼VMX软起动器中文说明书:[6]
阅读量:194
3RW40软起动器操作手册:[4]
阅读量:36
摩托托尼VMX软起动器中文说明书:[7]
阅读量:64
猜你喜欢
感冒怎么好的快
韩语姐姐怎么说
安卓系统怎么升级
大连海事大学怎么样
头痒头皮屑多怎么办
怎么设置鼠标灵敏度
脉管炎怎么治疗
小孩缺锌怎么补
本地安全策略怎么打开
东风风光580怎么样
猜你喜欢
电子邮箱格式怎么注册
qq皮肤怎么设置
淘宝店怎么装修
照片怎么改像素
dnf怎么附魔
空间说说怎么置顶
奥克斯空调质量怎么样
荷兰猪怎么分公母
晚上睡眠不好怎么调理
兰草怎么养