指南生活
首页
美食营养
手工爱好
生活家居
返回
指南生活
首页
美食营养
游戏数码
手工爱好
生活家居
健康养生
运动户外
职场理财
情感交际
母婴教育
时尚美容
知识问答
生活知识
搜索
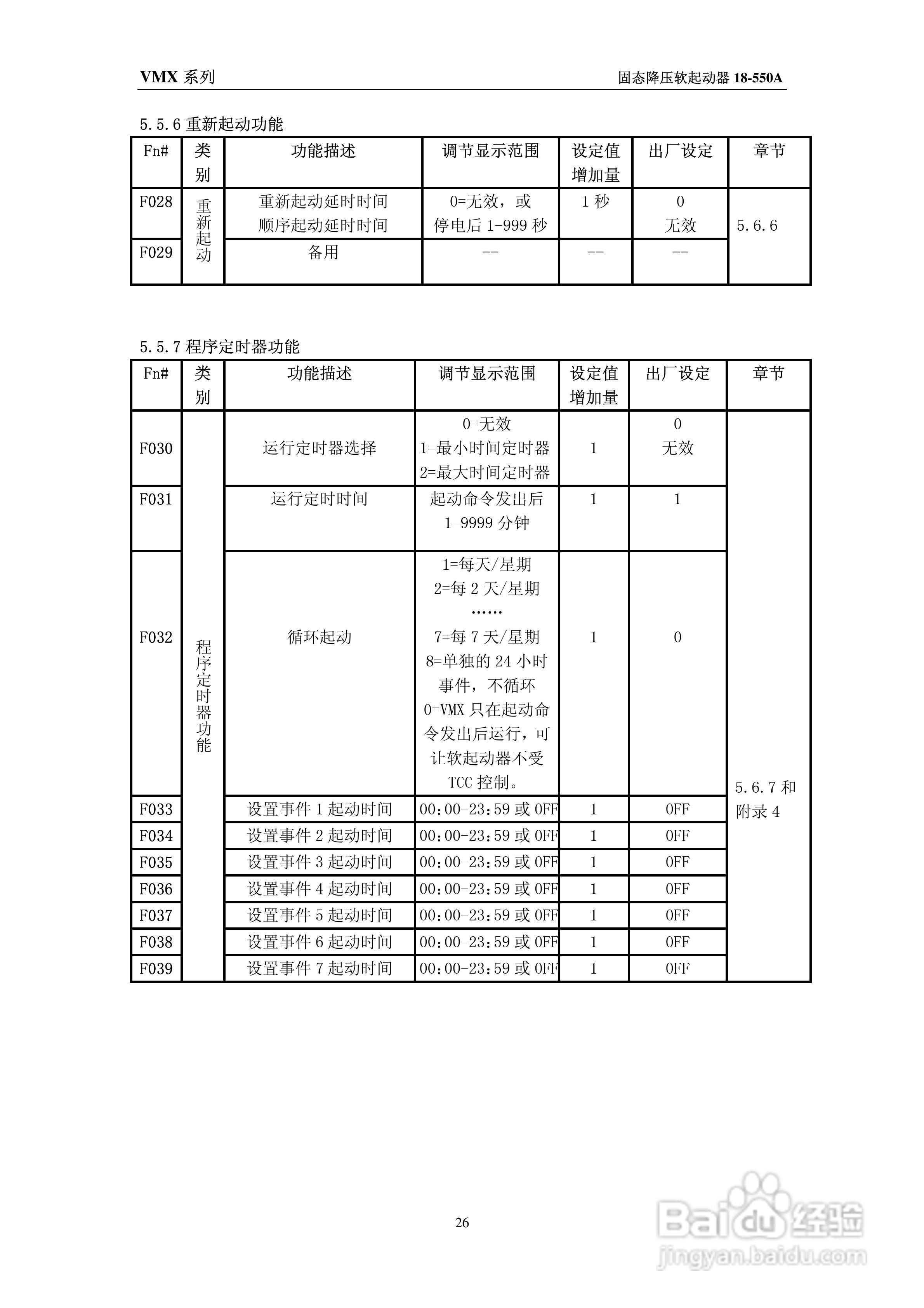
VMX-550-BP软起动器使用维护手册:[3]
2025-12-29 19:13:51
本篇为《VMX-550-BP软起动器使用维护手册》,主要介绍该产品的使用方法以及常见故障解决方案。
(共篇)
上一篇:
|
下一篇:
声明:
本网站引用、摘录或转载内容仅供网站访问者交流或参考,不代表本站立场,如存在版权或非法内容,请联系站长删除,联系邮箱:site.kefu@qq.com。
相关推荐
摩托托尼VMX软起动器中文说明书:[3]
阅读量:166
摩托托尼VMX软起动器中文说明书:[8]
阅读量:168
摩托托尼VMX软起动器中文说明书:[6]
阅读量:106
摩托托尼VMX软起动器中文说明书:[7]
阅读量:51
摩托托尼VMX软起动器中文说明书:[1]
阅读量:66
猜你喜欢
et是什么
唯恐的近义词是什么
cf什么时候出的
佛山有什么好玩的地方
622700开头是什么银行
庆余年神庙到底是什么
杜甫自号什么
尽力局是什么意思
花青素是什么
gps是什么
猜你喜欢
我跌跌撞撞奔向你是什么歌
我能做什么
qq申诉成功凭证是什么
什么是生产资料
什么是低血压
地米是什么药
和彩云是什么
焓是什么意思
wlan是什么意思
什么叫方程