指南生活
首页
美食营养
手工爱好
生活家居
返回
指南生活
首页
美食营养
游戏数码
手工爱好
生活家居
健康养生
运动户外
职场理财
情感交际
母婴教育
时尚美容
知识问答
生活知识
搜索
安川CIMR-F7B4300变频器使用说明书:[21]
2026-03-08 07:16:21
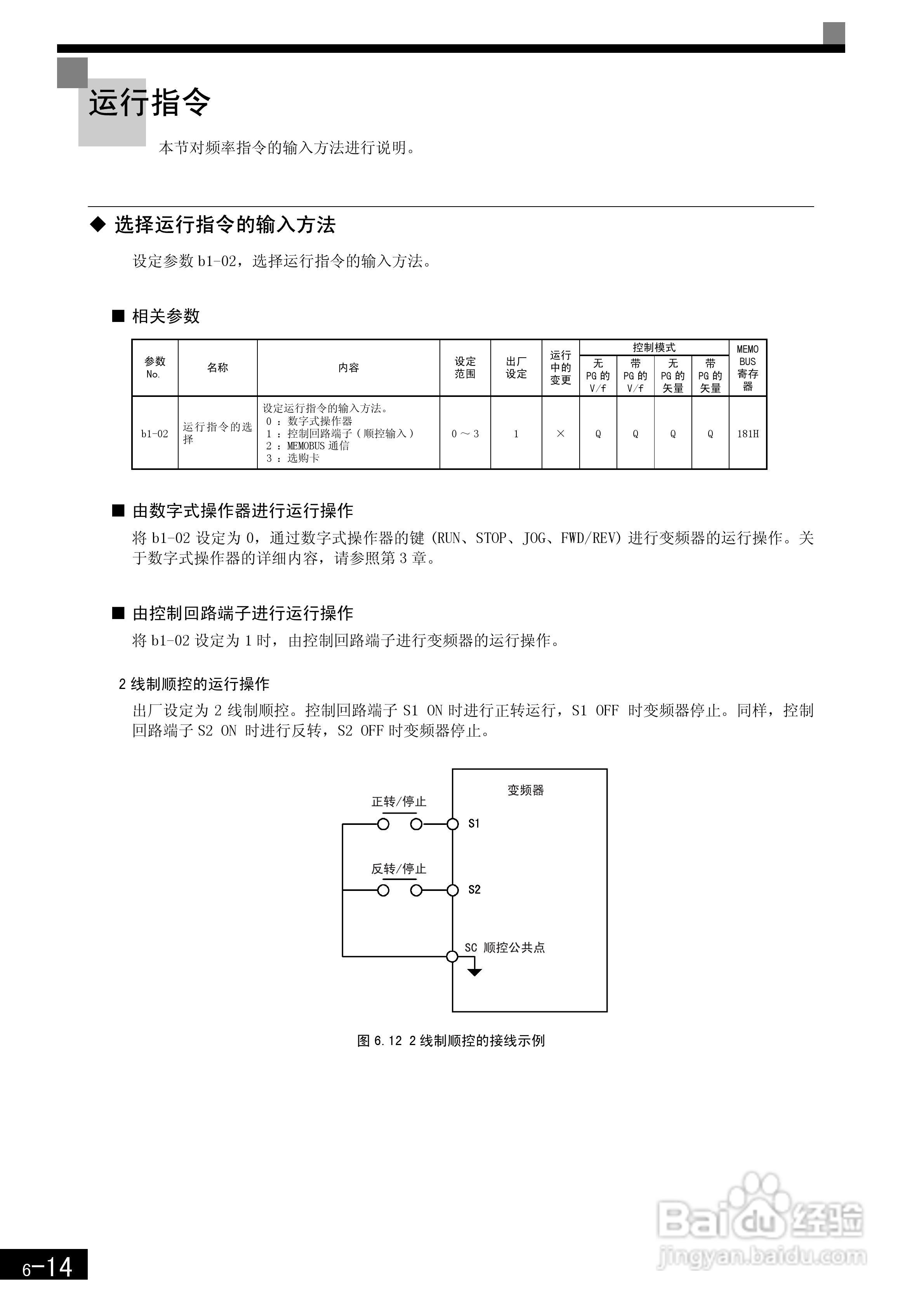
本篇为《安川CIMR-F7B4300变频器使用说明书》,主要介绍该产品的使用方法以及常见故障解决方案。
(共篇)
上一篇:
|
下一篇:
声明:
本网站引用、摘录或转载内容仅供网站访问者交流或参考,不代表本站立场,如存在版权或非法内容,请联系站长删除,联系邮箱:site.kefu@qq.com。
相关推荐
安川CIMR-F7B4300变频器使用说明书:[11]
阅读量:155
安川CIMR-F7B4300变频器使用说明书:[44]
阅读量:171
使用说明书wf2651使用指南
阅读量:195
使用说明书封面怎么做
阅读量:115
安川CIMR-F7B4300变频器使用说明书:[30]
阅读量:28
猜你喜欢
摆摊卖什么好
淘宝帐号是什么
怀孕初期有什么症状及反应
什么是局域网
什么叫a股
芝兰玉树什么意思
睡不着觉是什么原因造成的
发膜是什么
分销商是什么意思
小便黄是什么原因
猜你喜欢
银杏水杉活化石是什么意思
七夕节送什么
1976年是什么命
腹黑什么意思
什么是假药
珀莱雅适合什么年龄
throw是什么意思
什么门永远关不上
茶花什么时候开花
子衿是什么意思