指南生活
首页
美食营养
手工爱好
生活家居
返回
指南生活
首页
美食营养
游戏数码
手工爱好
生活家居
健康养生
运动户外
职场理财
情感交际
母婴教育
时尚美容
知识问答
生活知识
生活百科
搜索
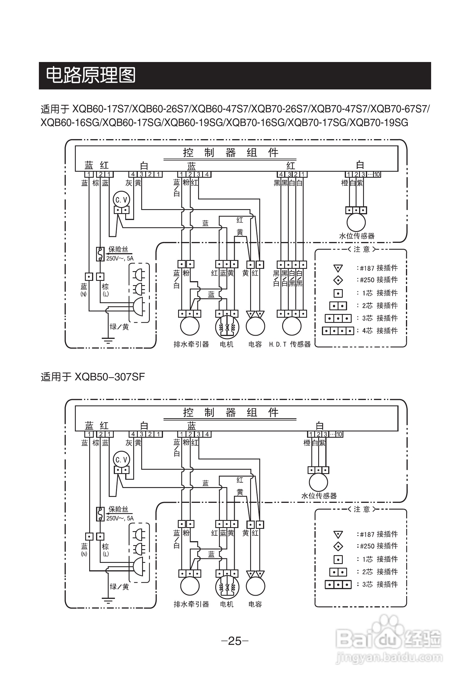
LG XQB60-47S7洗衣机使用说明书:[3]
2026-05-06 02:10:19
(共篇)
上一篇:
声明:
本网站引用、摘录或转载内容仅供网站访问者交流或参考,不代表本站立场,如存在版权或非法内容,请联系站长删除,联系邮箱:site.kefu@qq.com。
相关推荐
LG XQB70-47S7洗衣机使用说明书:[3]
阅读量:169
LG XQB60-47S7洗衣机使用说明书:[2]
阅读量:83
LG XQB60-17S7洗衣机使用说明书:[3]
阅读量:158
LG XQB60-26S7洗衣机使用说明书:[2]
阅读量:101
LG XQB60-26S7洗衣机使用说明书:[1]
阅读量:125
猜你喜欢
u盘怎么下载电影
怎么样才能瘦
mp3怎么充电
谷丙转氨酶高怎么办
三维弹球怎么玩
12306密码忘了怎么办
微波炉怎么做蛋糕
内分泌紊乱怎么调理
嚼槟榔脸变大怎么恢复
东革阿里怎么吃
猜你喜欢
怎么测排卵期
御怎么读音
烫过的头发怎么打理
纱窗怎么拆下来
婚姻不顺怎么办
牙博士牙膏怎么样
新华保险公司怎么样
手机丢了怎么挂失
国珍产品怎么样
怎么做汉堡