指南生活
首页
美食营养
手工爱好
生活家居
返回
指南生活
首页
美食营养
游戏数码
手工爱好
生活家居
健康养生
运动户外
职场理财
情感交际
母婴教育
时尚美容
知识问答
生活知识
搜索
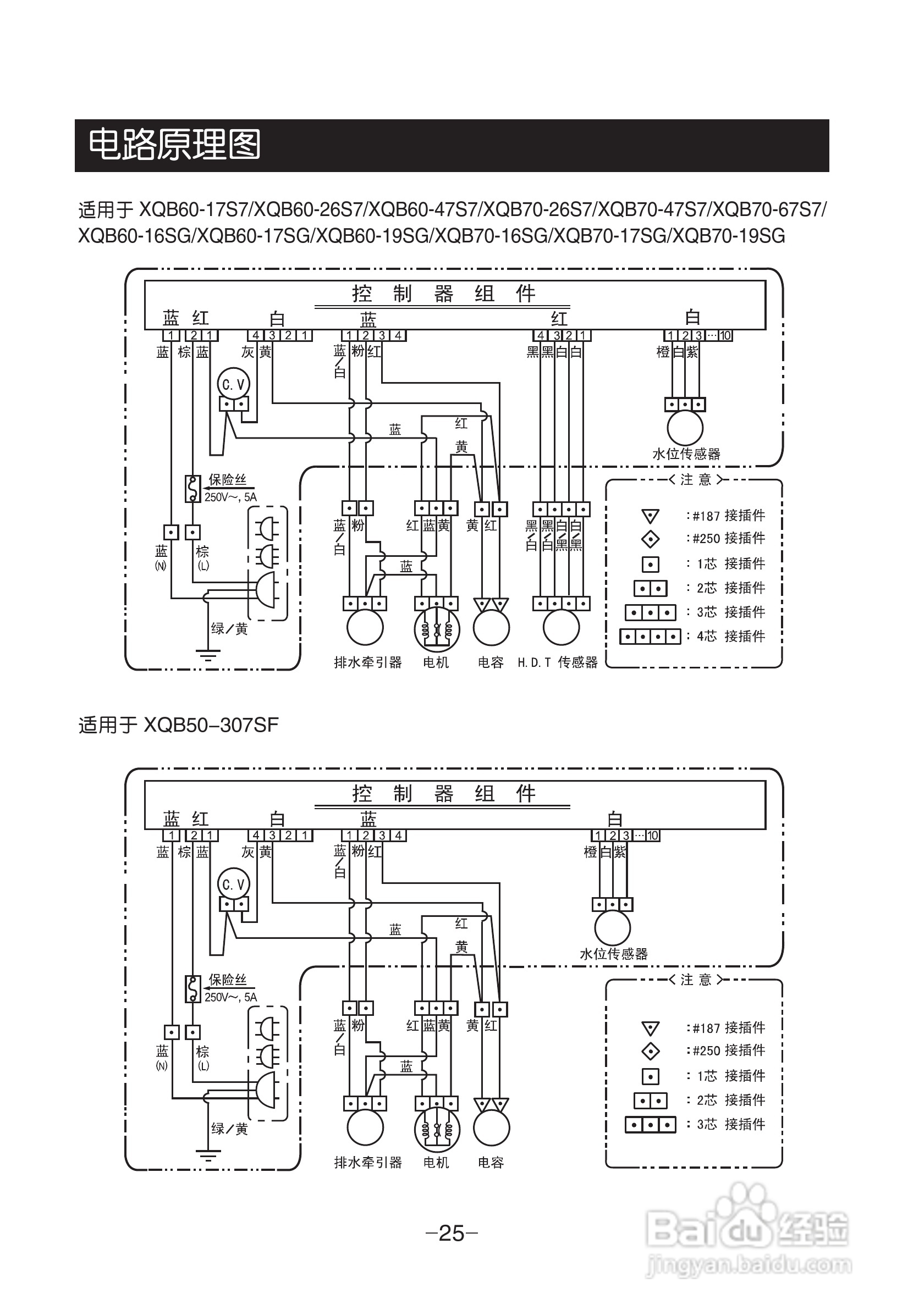
LG XQB70-47S7洗衣机使用说明书:[3]
2025-12-26 09:43:36
(共篇)
上一篇:
声明:
本网站引用、摘录或转载内容仅供网站访问者交流或参考,不代表本站立场,如存在版权或非法内容,请联系站长删除,联系邮箱:site.kefu@qq.com。
相关推荐
LG XQB60-47S7洗衣机使用说明书:[3]
阅读量:65
LG XQB70-47S7洗衣机使用说明书:[2]
阅读量:179
LG XQB70-26S7洗衣机使用说明书:[3]
阅读量:77
LG XQB70-26S7洗衣机使用说明书:[2]
阅读量:130
洗衣机洗涤剂盒怎么用
阅读量:93
猜你喜欢
中央财经大学怎么样
电脑开不了机怎么重装系统
ps分辨率怎么调
图片分辨率怎么调
脸肿了怎么快速消肿
家里有蜈蚣怎么办
麦克风怎么连接电脑
宓怎么读
血管硬化怎么办
苏打水怎么做
猜你喜欢
小孩子吃到屎怎么办
淘气值怎么看
发烧了怎么办如何退烧
资产负债率怎么算
掉头发厉害怎么办
上火牙疼怎么办
华北电力大学怎么样
苹果怎么升级系统
微信忘记密码怎么办
头发油怎么办