指南生活
首页
美食营养
手工爱好
生活家居
返回
指南生活
首页
美食营养
游戏数码
手工爱好
生活家居
健康养生
运动户外
职场理财
情感交际
母婴教育
时尚美容
搜索
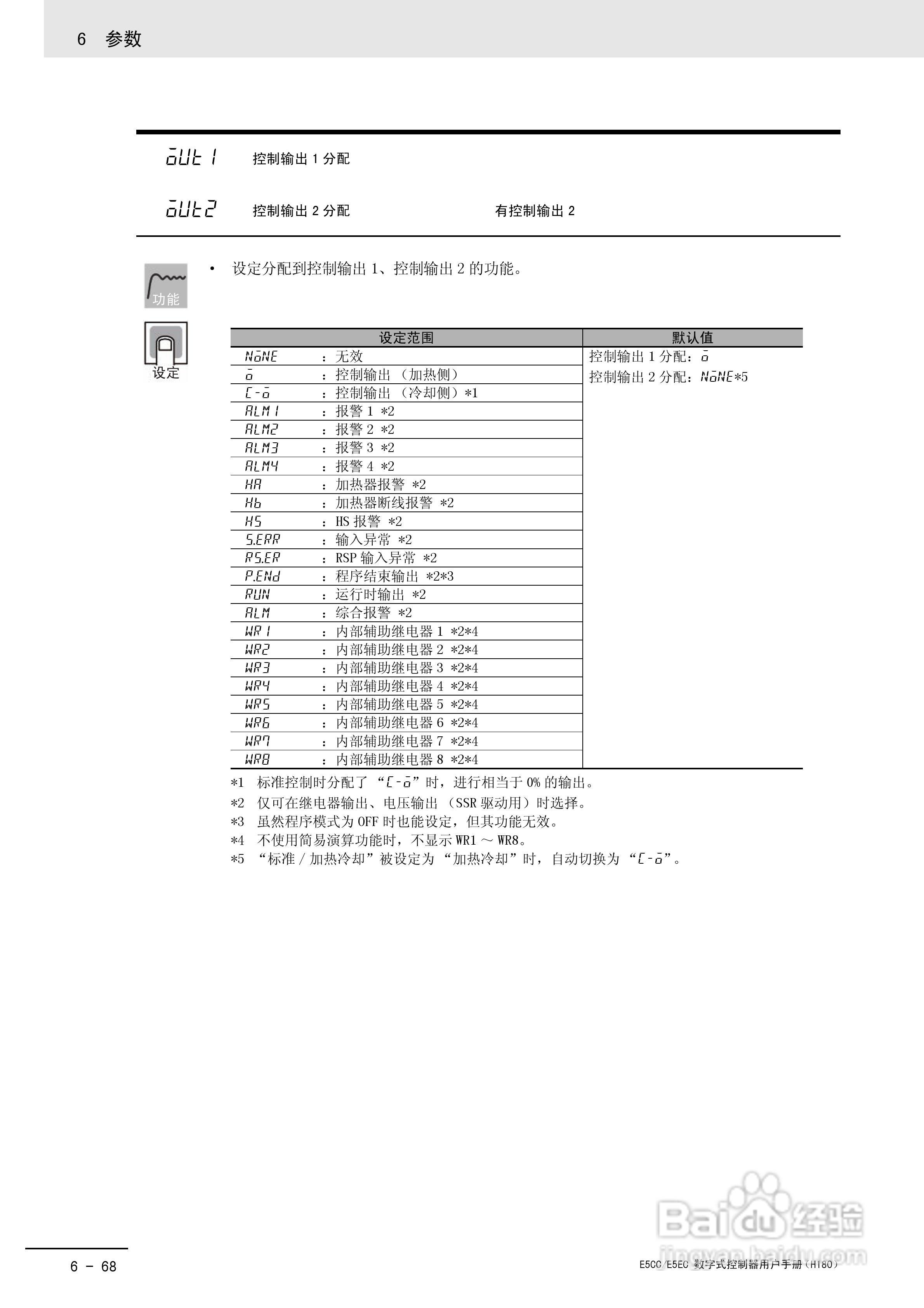
欧姆龙温控器E5CC-E5EC操作手册:[26]
2025-10-24 04:29:07
本篇为《欧姆龙温控器E5CC-E5EC操作手册》,主要介绍该产品的使用方法以及常见故障解决方案。
(共篇)
上一篇:
|
下一篇:
声明:
本网站引用、摘录或转载内容仅供网站访问者交流或参考,不代表本站立场,如存在版权或非法内容,请联系站长删除,联系邮箱:site.kefu@qq.com。
相关推荐
欧姆龙温控器E5CC-E5EC操作手册:[27]
阅读量:74
欧姆龙温控器E5CC-E5EC操作手册:[32]
阅读量:21
欧姆龙温控器E5CC-E5EC操作手册:[17]
阅读量:109
欧姆龙温控器E5CC-E5EC操作手册:[19]
阅读量:56
欧姆龙温控器E5CC-E5EC操作手册:[31]
阅读量:103
猜你喜欢
儿子生日快乐祝福语
微端是什么意思
举世无双是什么意思
不离不弃的意思
geography是什么意思
费列罗巧克力代表什么
西安周边有什么好玩的地方
托福考试带什么
任重道远是什么意思
promise是什么意思
猜你喜欢
effort是什么意思
什么浏览器速度快
彤的意思
黑洞是什么意思
饯行是什么意思
pink是什么意思啊
日全食是什么意思
际遇是什么意思
fold是什么意思
.vsd用什么软件打开