指南生活
首页
美食营养
手工爱好
生活家居
返回
指南生活
首页
美食营养
游戏数码
手工爱好
生活家居
健康养生
运动户外
职场理财
情感交际
母婴教育
时尚美容
知识问答
生活知识
生活百科
搜索
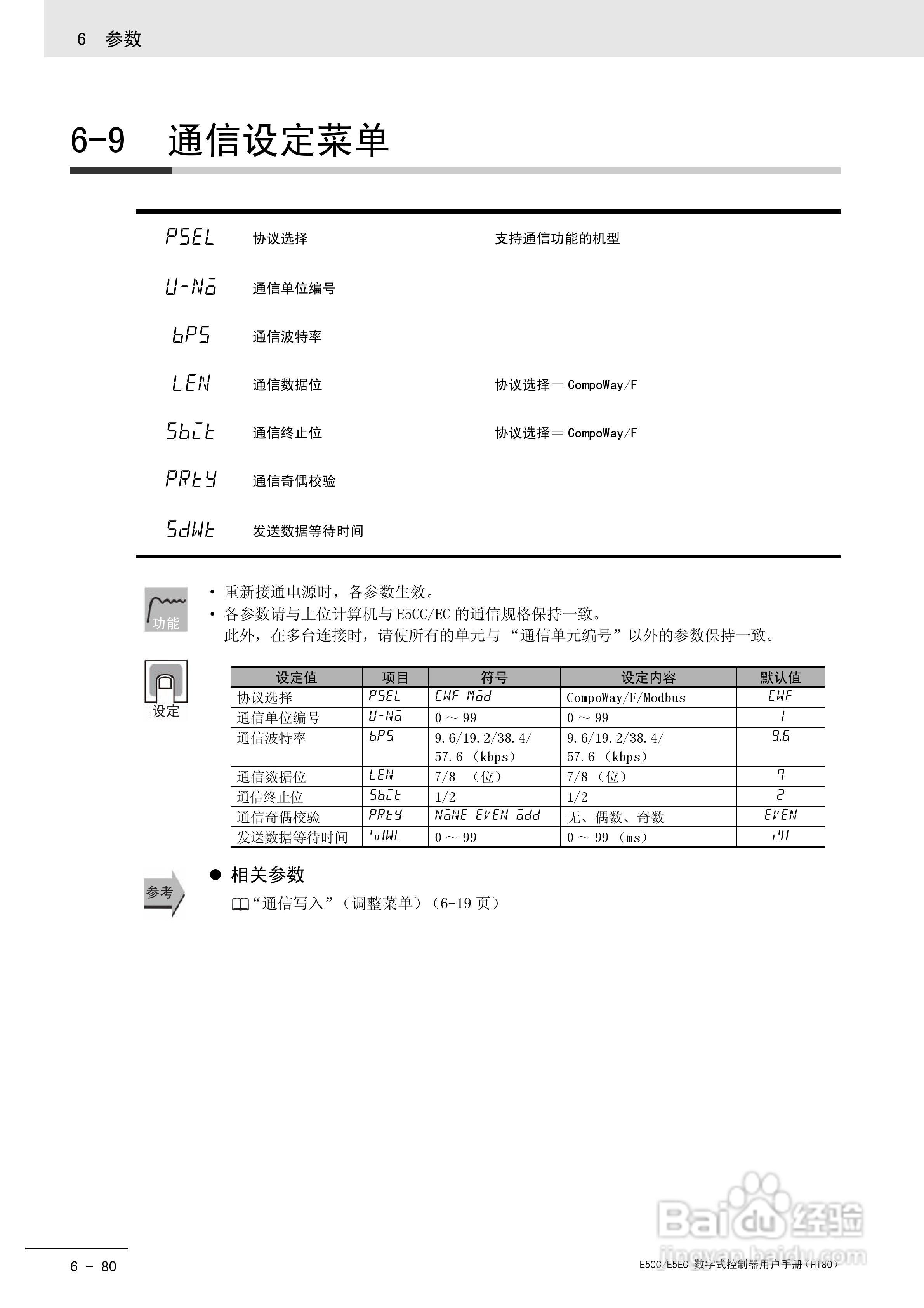
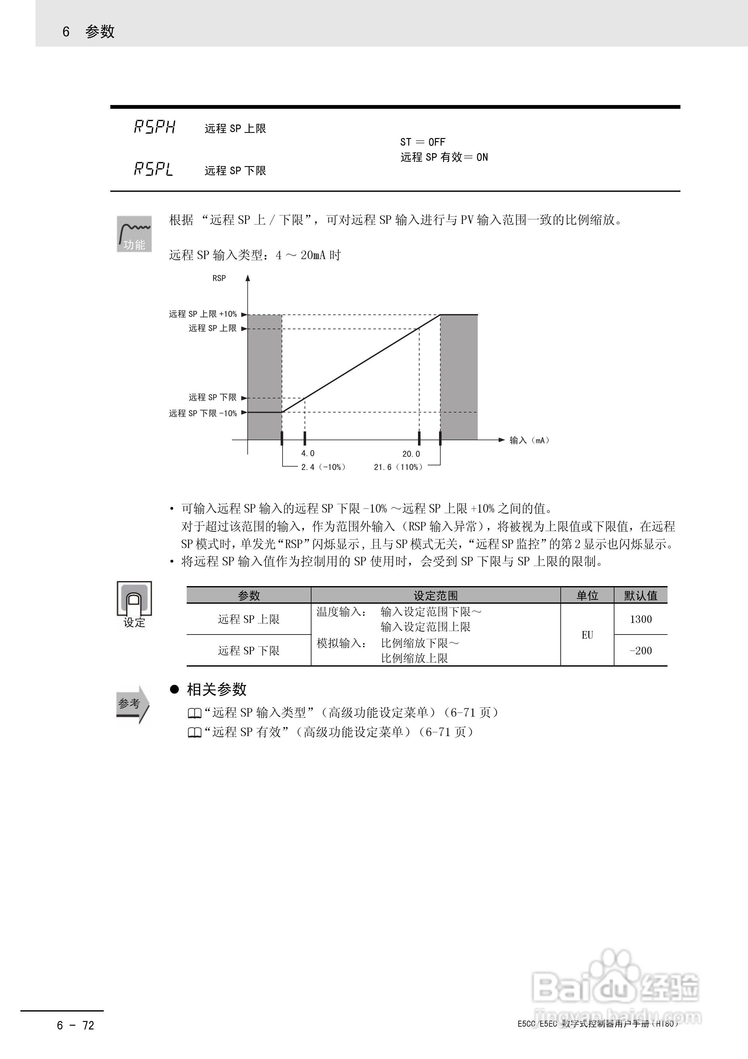
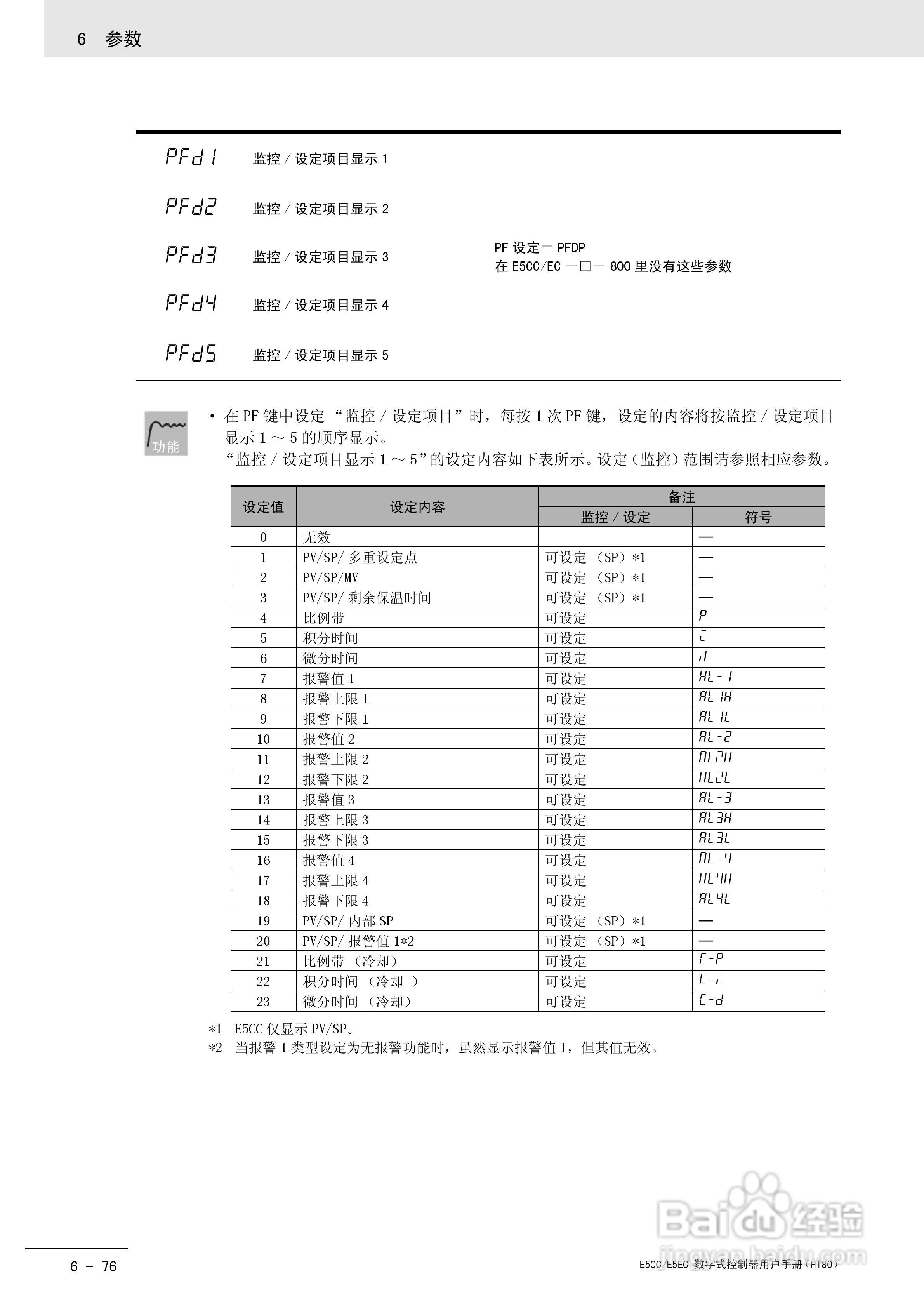
欧姆龙温控器E5CC-E5EC操作手册:[27]
2026-04-02 14:33:50
本篇为《欧姆龙温控器E5CC-E5EC操作手册》,主要介绍该产品的使用方法以及常见故障解决方案。
(共篇)
上一篇:
|
下一篇:
声明:
本网站引用、摘录或转载内容仅供网站访问者交流或参考,不代表本站立场,如存在版权或非法内容,请联系站长删除,联系邮箱:site.kefu@qq.com。
相关推荐
欧姆龙温控器E5CC-E5EC操作手册:[20]
阅读量:196
欧姆龙温控器E5CC-E5EC操作手册:[17]
阅读量:175
欧姆龙温控器E5CC-E5EC操作手册:[19]
阅读量:137
欧姆龙温控器E5CC-E5EC操作手册:[16]
阅读量:112
欧姆龙温控器E5CC-E5EC操作手册:[18]
阅读量:20
猜你喜欢
怎么录制游戏视频
husband怎么读
怎么做三明治
尿素氮偏低是怎么回事
邮箱怎么登陆
奥迪车怎么样
怎么截动图
羊肉片怎么做好吃
u盘怎么下载电影
老是睡不着怎么办
猜你喜欢
腔隙性脑梗塞怎么办
广东外语外贸大学怎么样
小肚子痛是怎么回事
安卓手机怎么连接电脑
刷卡金怎么用
小米机顶盒怎么安装
天之眼导航怎么样
失眠是怎么引起的
怎么改善睡眠质量
老年人脚肿是怎么回事