指南生活
首页
美食营养
手工爱好
生活家居
返回
指南生活
首页
美食营养
游戏数码
手工爱好
生活家居
健康养生
运动户外
职场理财
情感交际
母婴教育
时尚美容
知识问答
生活知识
生活百科
搜索
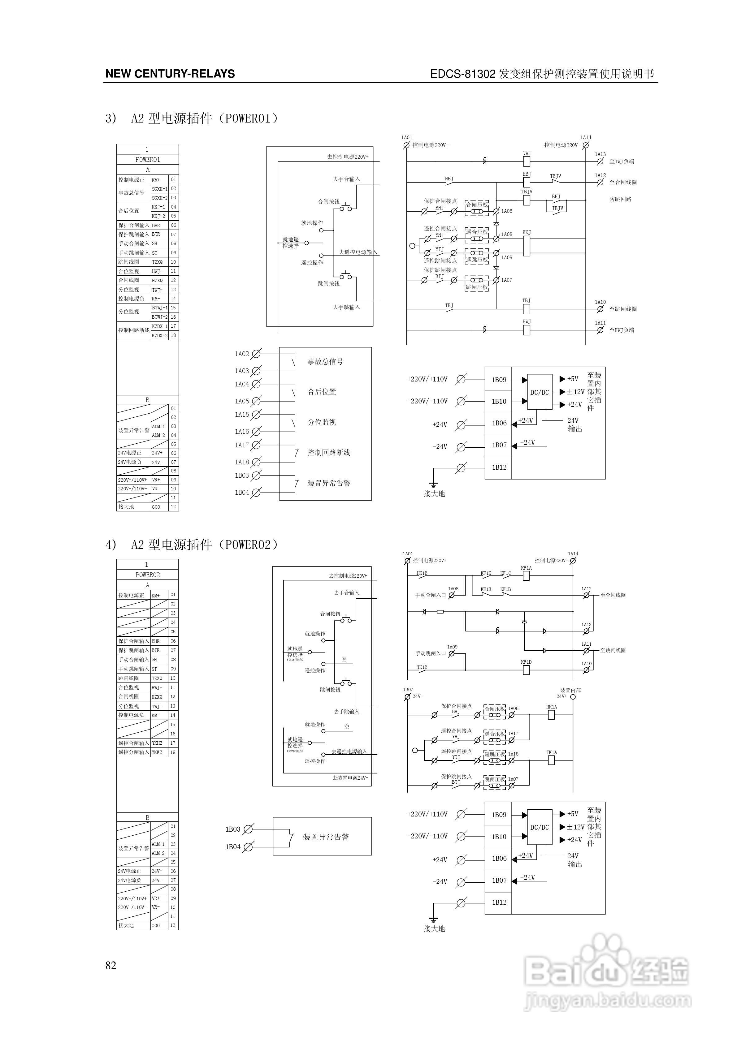
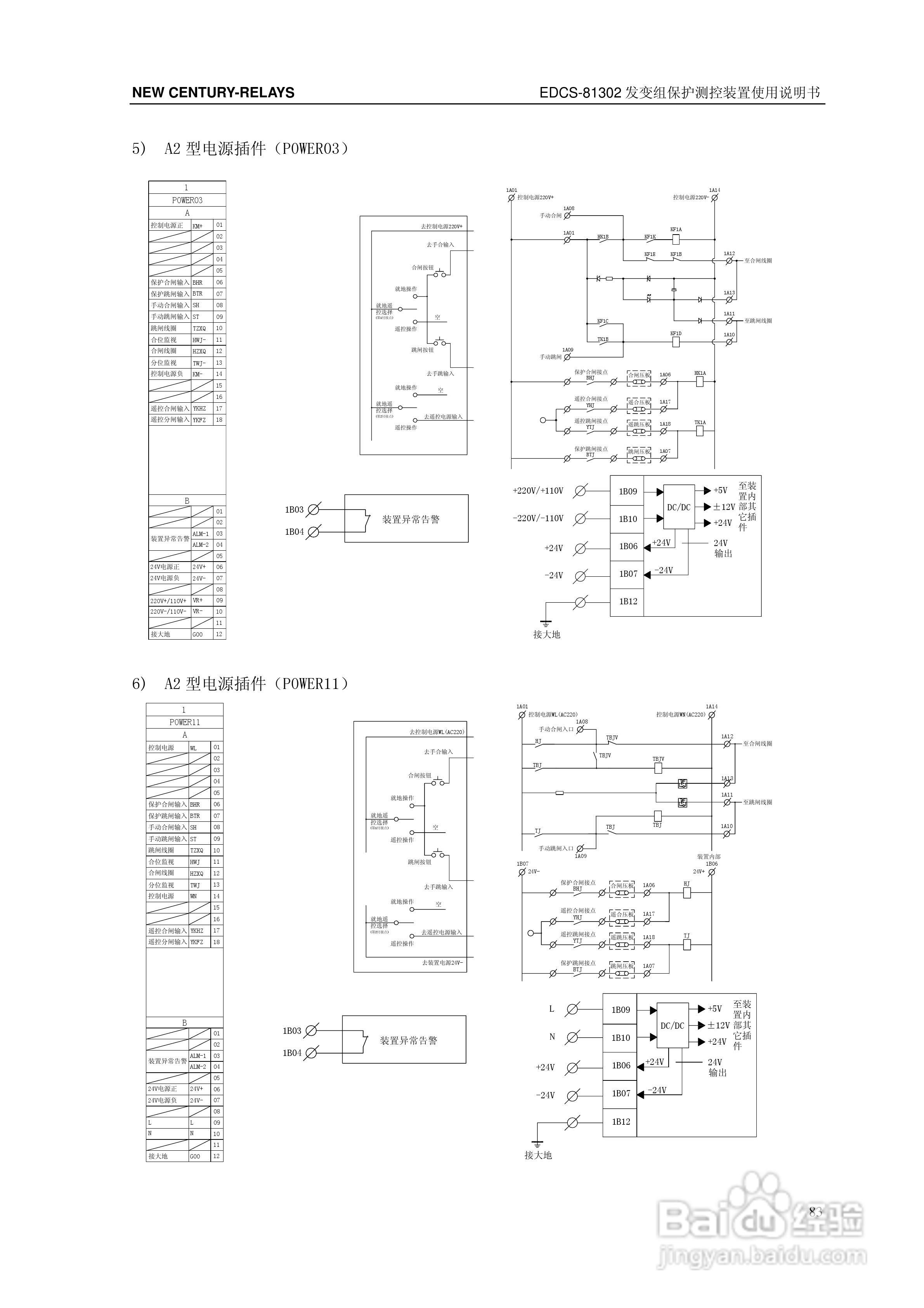
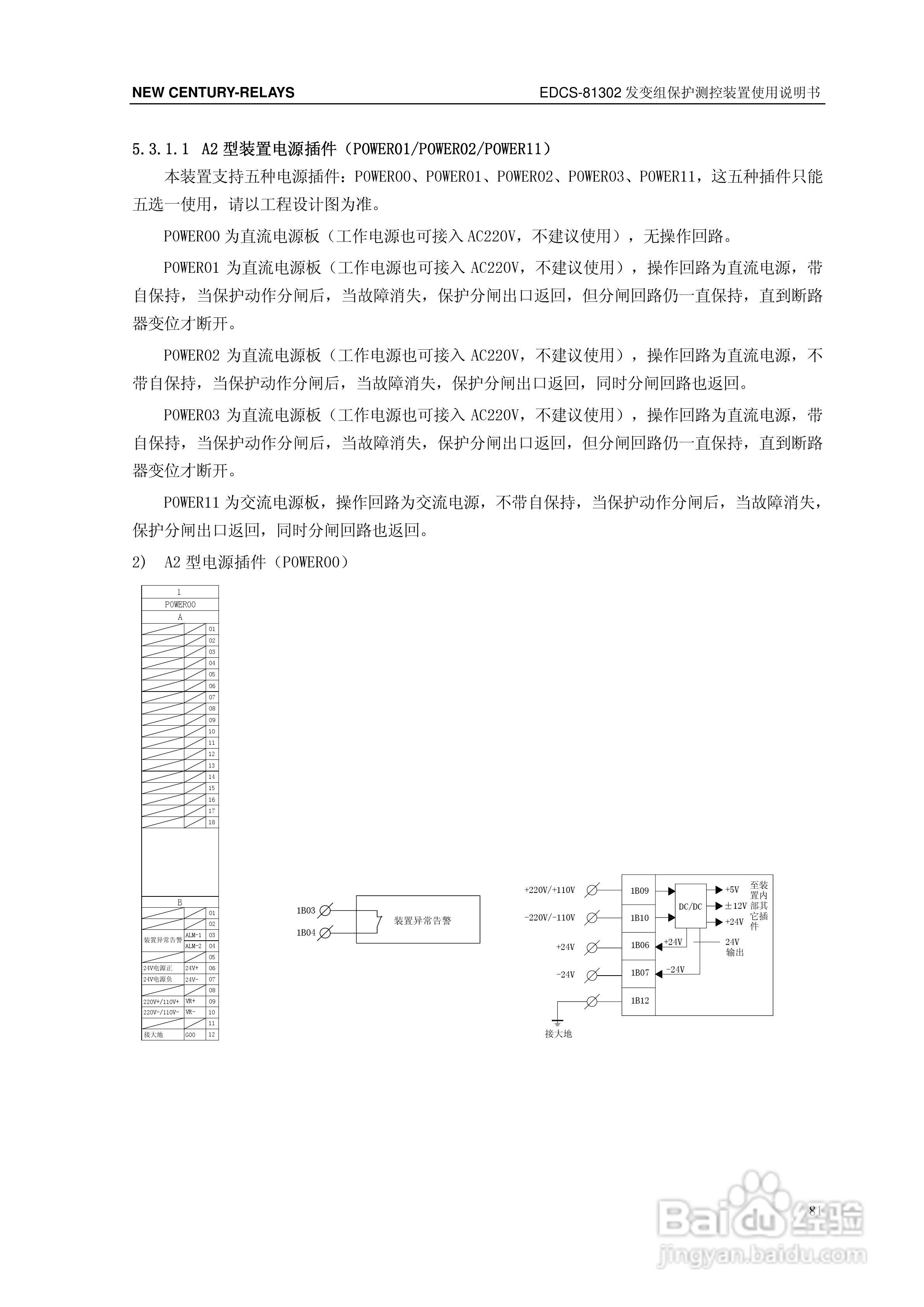
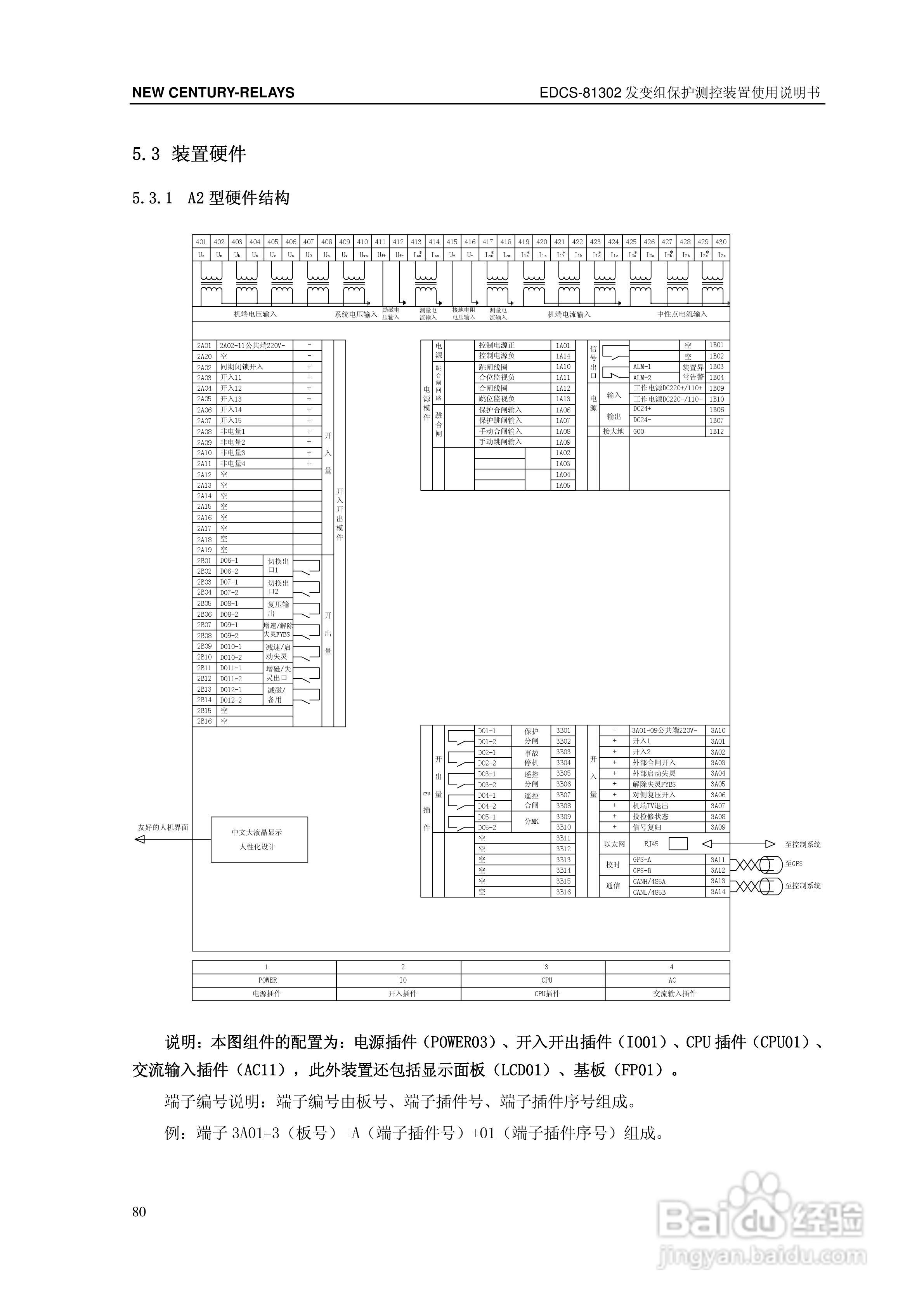
新世纪EDCS-81302发变组保护测控装置说明书:[9]
2026-04-16 23:17:08
本篇为《新世纪EDCS-81302发变组保护测控装置说明书》,主要介绍该产品的使用方法以及常见故障解决方案。
(共篇)
上一篇:
|
下一篇:
声明:
本网站引用、摘录或转载内容仅供网站访问者交流或参考,不代表本站立场,如存在版权或非法内容,请联系站长删除,联系邮箱:site.kefu@qq.com。
相关推荐
新世纪EDCS-81302发变组保护测控装置说明书:[12]
阅读量:149
新世纪EDCS-81503站用变保护测控装置说明书:[9]
阅读量:117
新世纪EDCS-81503站用变保护测控装置说明书:[8]
阅读量:83
新世纪EDCS-81503站用变保护测控装置说明书:[7]
阅读量:195
新世纪EDCS-81503站用变保护测控装置说明书:[2]
阅读量:161
猜你喜欢
婴儿什么时候长牙
微量元素是什么
吃芒果有什么好处
显卡交火是什么意思
hrm是什么意思
久违的意思是什么
hero是什么意思
cmcc是什么
特氟龙是什么
腊月是什么星座
猜你喜欢
感冒喝什么汤
mr什么意思
二是什么意思
中元节是什么意思
monster是什么意思
什么腔什么调
哥德巴赫猜想是什么
基尼系数是什么
xo什么意思
宁古塔是什么地方