指南生活
首页
美食营养
手工爱好
生活家居
返回
指南生活
首页
美食营养
游戏数码
手工爱好
生活家居
健康养生
运动户外
职场理财
情感交际
母婴教育
时尚美容
知识问答
生活知识
搜索
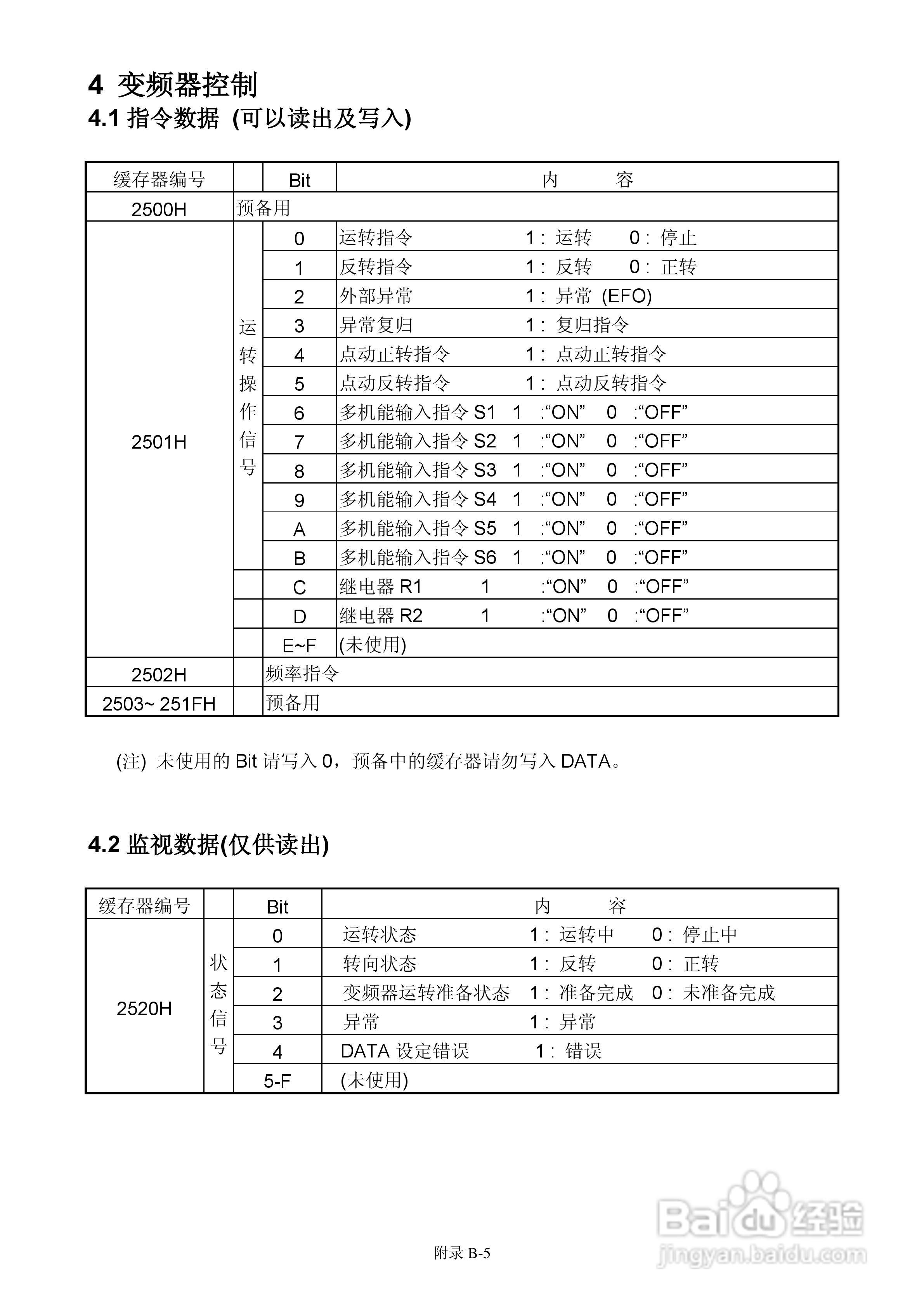
FATEK FID-E2-425-43变频器使用手册:[15]
2026-01-04 19:11:48
本篇为《FATEK FID-E2-425-43变频器使用手册》,主要介绍该产品的使用方法以及常见故障解决方案。
(共篇)
上一篇:
|
下一篇:
声明:
本网站引用、摘录或转载内容仅供网站访问者交流或参考,不代表本站立场,如存在版权或非法内容,请联系站长删除,联系邮箱:site.kefu@qq.com。
相关推荐
FATEK FID-E2-425-43变频器使用手册:[16]
阅读量:102
FATEK FID-E2-425-43变频器使用手册:[12]
阅读量:190
FATEK FID-E1-004-23变频器使用说明书:[2]
阅读量:109
FATEK FID-L2-022-21变频器使用说明书:[3]
阅读量:157
fate空之境界活动攻略
阅读量:90
猜你喜欢
bliss是什么意思
竹石的意思
众筹是什么意思
rider什么意思
受宠若惊的意思
惊慌失措的措是什么意思
前赴后继的意思
右眼皮跳是什么意思
韬光养晦是什么意思
clap是什么意思
猜你喜欢
watermelon是什么意思
什么意思韩语
什么牌子护肤品好
两男一女什么字
电动车电瓶什么牌子好
沼泽的意思
活蹦乱跳的意思
帝旺是什么意思
coffee是什么意思
镜架什么材质好