指南生活
首页
美食营养
手工爱好
生活家居
返回
指南生活
首页
美食营养
游戏数码
手工爱好
生活家居
健康养生
运动户外
职场理财
情感交际
母婴教育
时尚美容
知识问答
生活知识
搜索
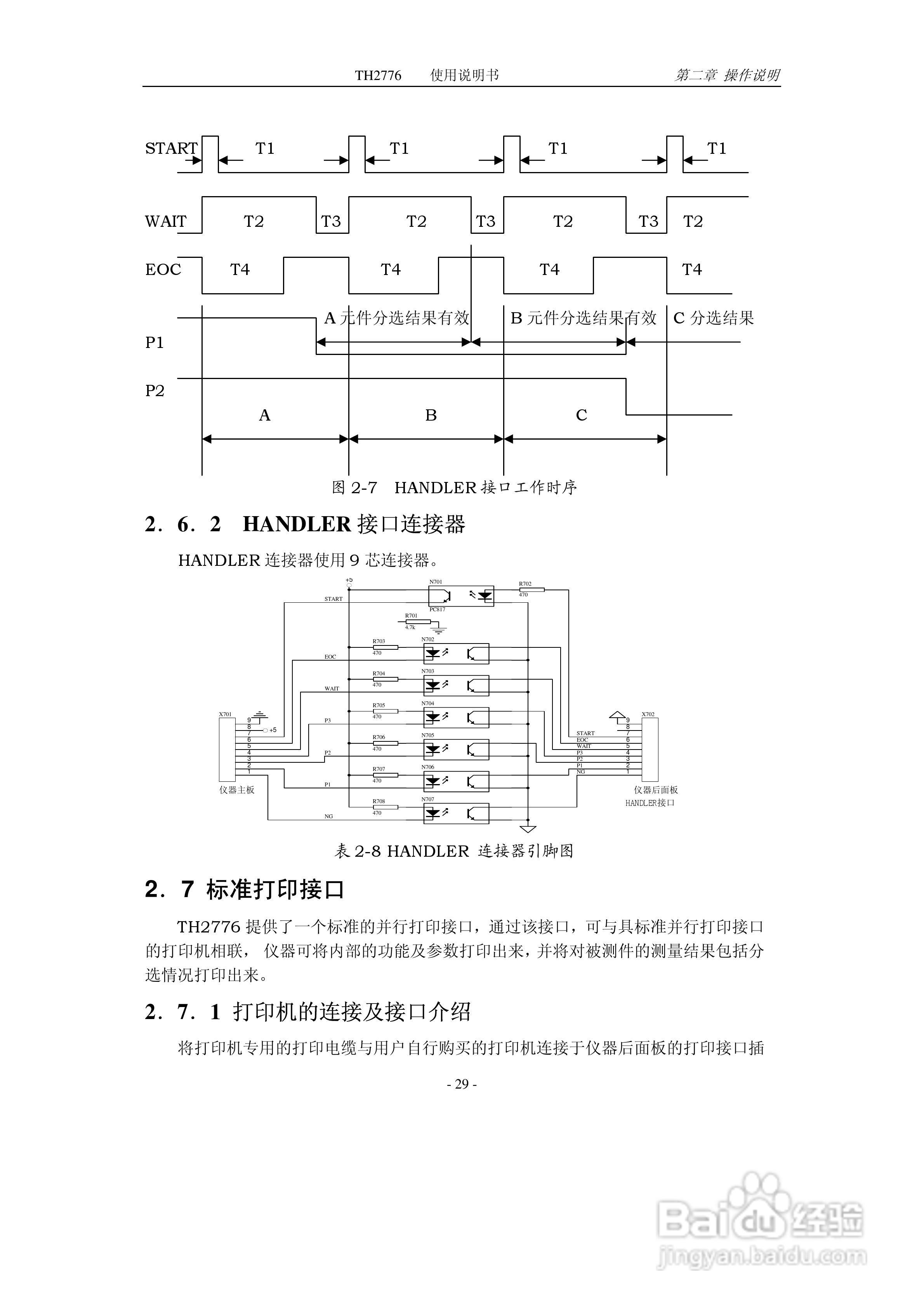
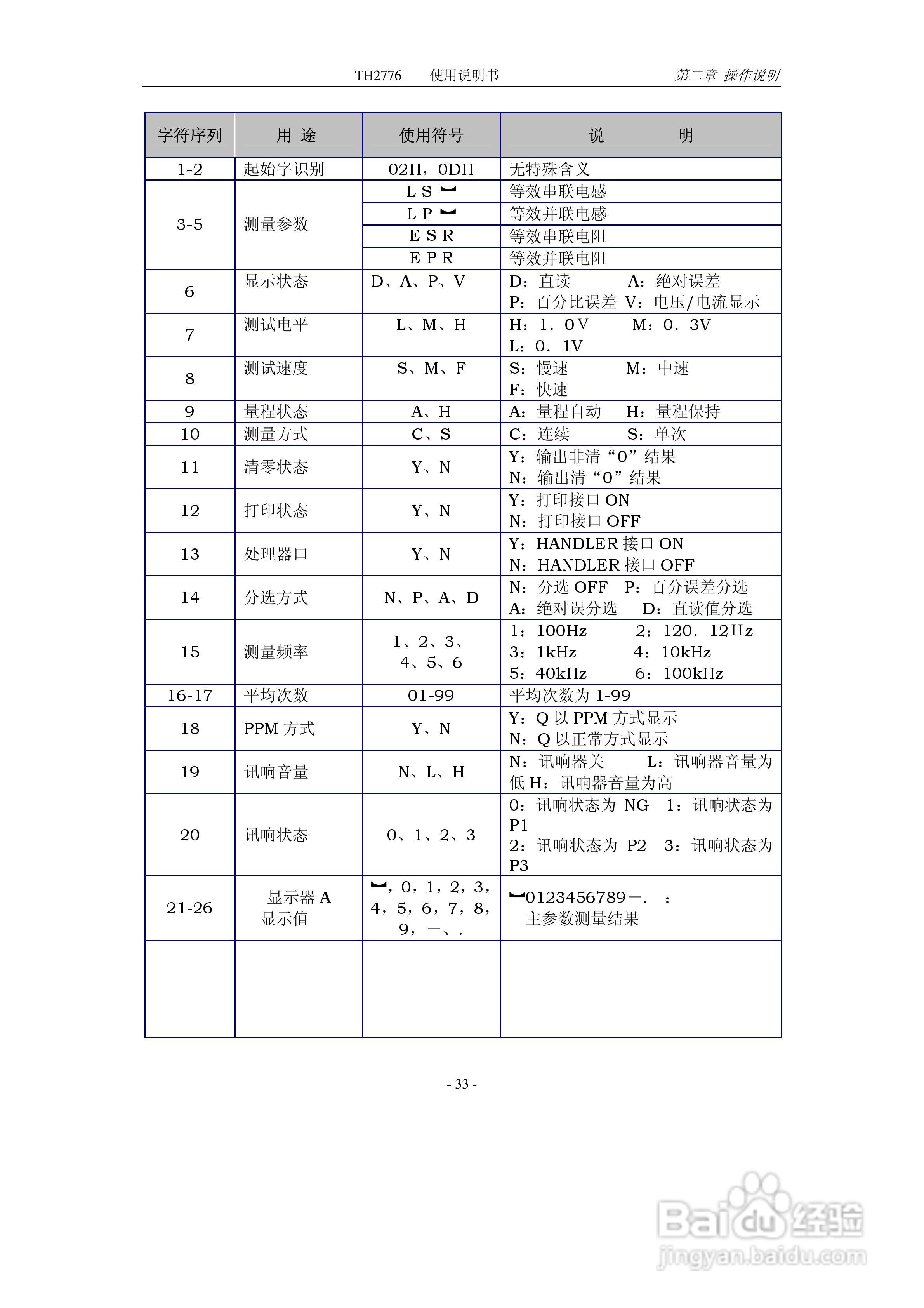
锦流源电子TH2776电感测试仪说明书:[4]
2025-11-24 01:08:49
本篇为《锦流源电子TH2776电感测试仪说明书》,主要介绍该产品的使用方法以及常见故障解决方案。
(共篇)
上一篇:
|
下一篇:
声明:
本网站引用、摘录或转载内容仅供网站访问者交流或参考,不代表本站立场,如存在版权或非法内容,请联系站长删除,联系邮箱:site.kefu@qq.com。
相关推荐
锦流源电子TH2776电感测试仪说明书:[2]
阅读量:103
锦流源电子TH2776电感测试仪说明书:[6]
阅读量:145
锦流源电子TH2619大电容测试仪说明书:[11]
阅读量:105
锦流源电子TH2619大电容测试仪说明书:[9]
阅读量:75
锦流源电子TH2619大电容测试仪说明书:[10]
阅读量:41
猜你喜欢
什么是童话
谷氨酸钠是什么
漫不经心是什么意思
随遇而安什么意思
白玫瑰代表什么
皓月当空什么意思
万劫不复是什么意思
birthday是什么意思
空调除湿是什么标记
牙齿痛是什么原因
猜你喜欢
左脑思维和右脑思维有什么区别
多汗是什么原因
吩咐的近义词是什么
女生第一次要注意什么
jam是什么意思
什么人需要吃谷维素片
活着有什么意义
如释重负是什么意思
什么字体好看
vi是什么