指南生活
首页
美食营养
手工爱好
生活家居
返回
指南生活
首页
美食营养
游戏数码
手工爱好
生活家居
健康养生
运动户外
职场理财
情感交际
母婴教育
时尚美容
知识问答
生活知识
生活百科
搜索
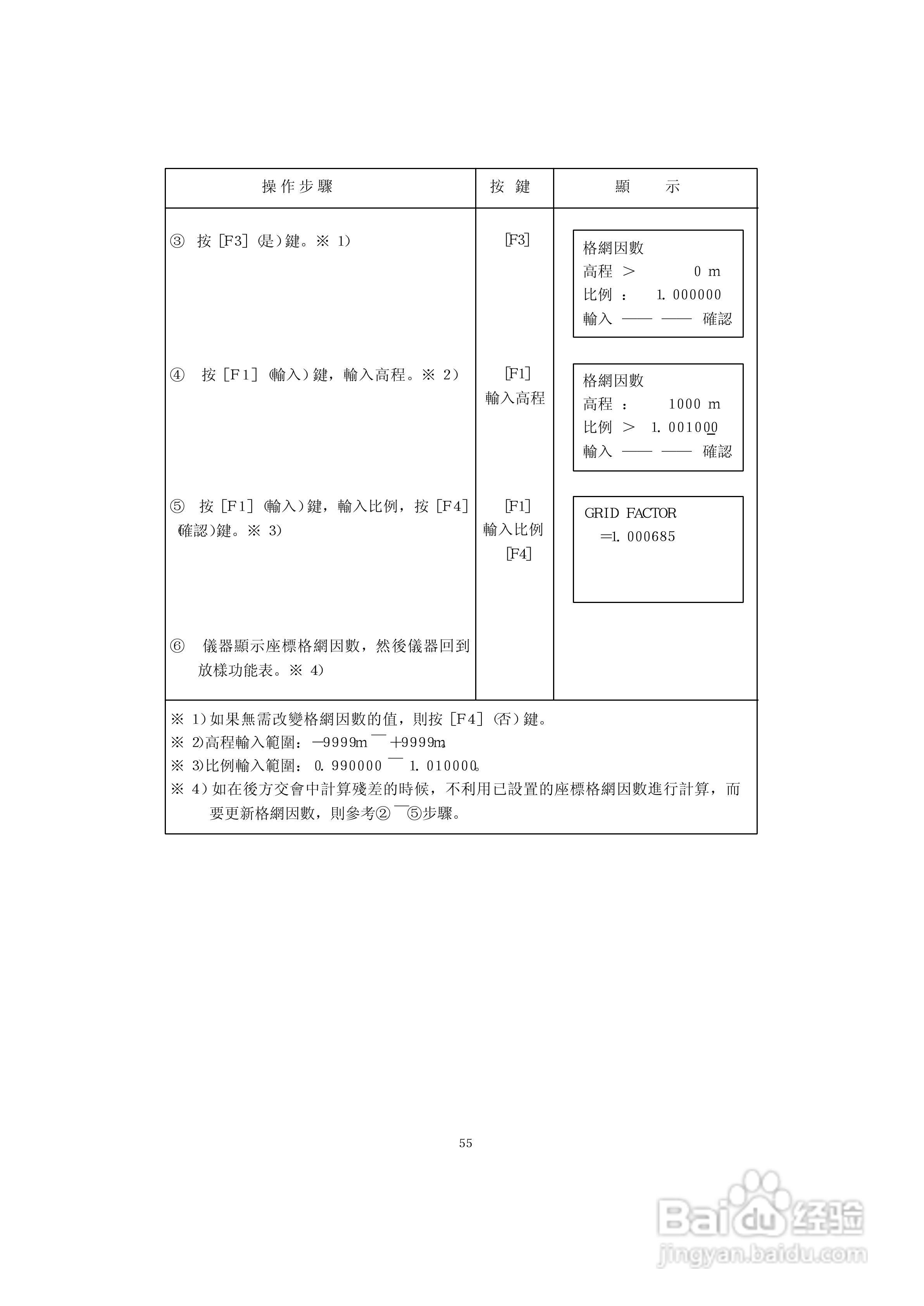
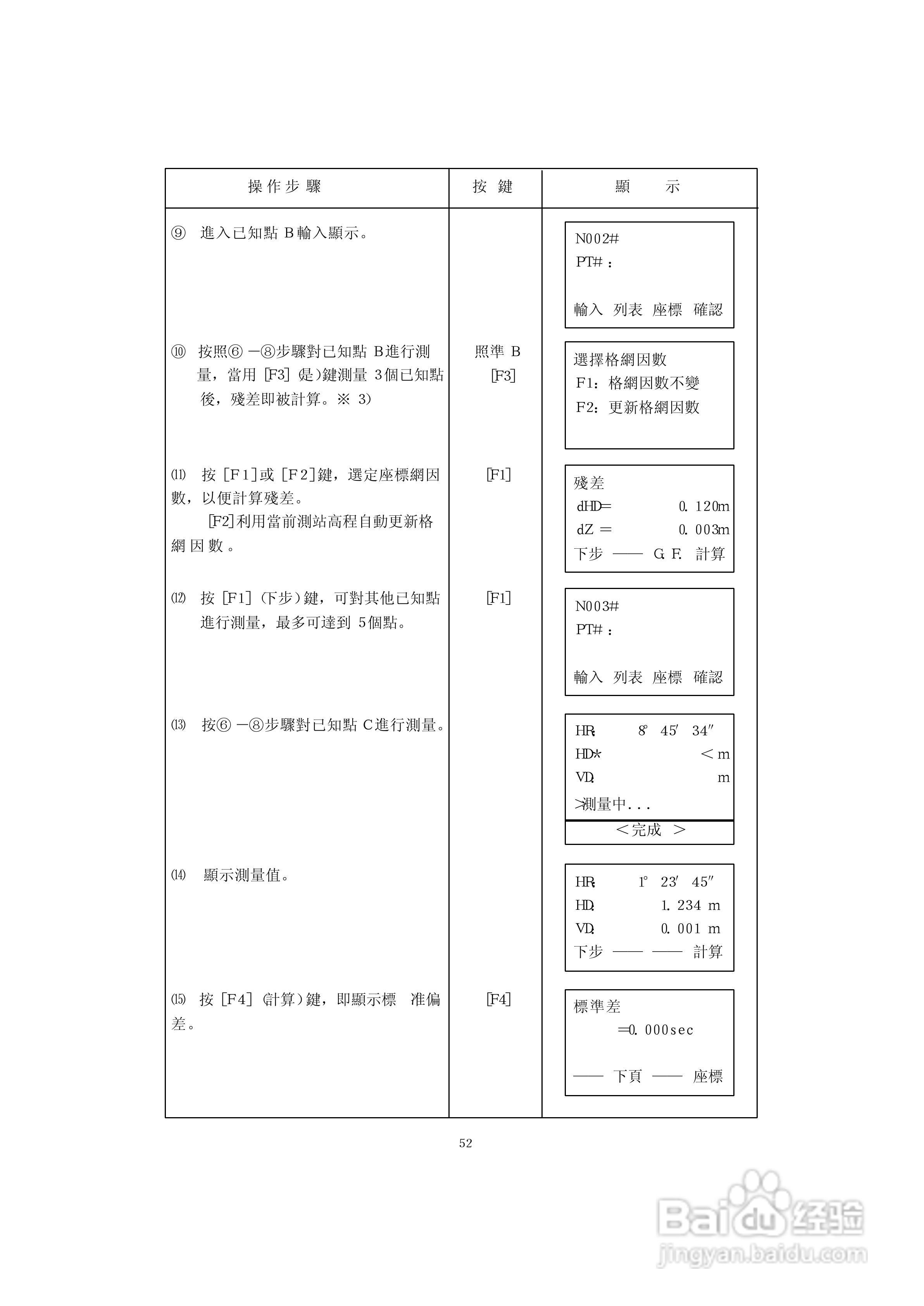
上煇RTS-630全站仪说明书:[7]
2026-05-11 00:17:38
本篇为《上煇RTS-630全站仪说明书》,主要介绍该产品的使用方法以及常见故障解决方案。
(共篇)
上一篇:
|
下一篇:
声明:
本网站引用、摘录或转载内容仅供网站访问者交流或参考,不代表本站立场,如存在版权或非法内容,请联系站长删除,联系邮箱:site.kefu@qq.com。
相关推荐
上煇RTS-630全站仪说明书:[6]
阅读量:191
上煇RTS-630全站仪说明书:[9]
阅读量:85
全站仪使用方法
阅读量:149
全站仪的操作技巧
阅读量:101
全站仪导线测量的方法
阅读量:35
猜你喜欢
乌镇旅游网
如何修改微信号
泰国旅游景点图片
如何修复感情
房产税如何征收
u盘如何格式化
江浙沪旅游攻略
如何招商
北京旅游景点门票
连笔字怎么写图解
猜你喜欢
羽绒服上的圆珠笔油怎么洗
dnf怎么下载
十二月适合去哪里旅游
潮州旅游景点大全
如何取消页眉
白雪公主出自哪里
怎么化妆打扮自己
酷狗怎么下载mv
如何经营婚姻
020是哪里的区号