指南生活
首页
美食营养
手工爱好
生活家居
返回
指南生活
首页
美食营养
游戏数码
手工爱好
生活家居
健康养生
运动户外
职场理财
情感交际
母婴教育
时尚美容
搜索
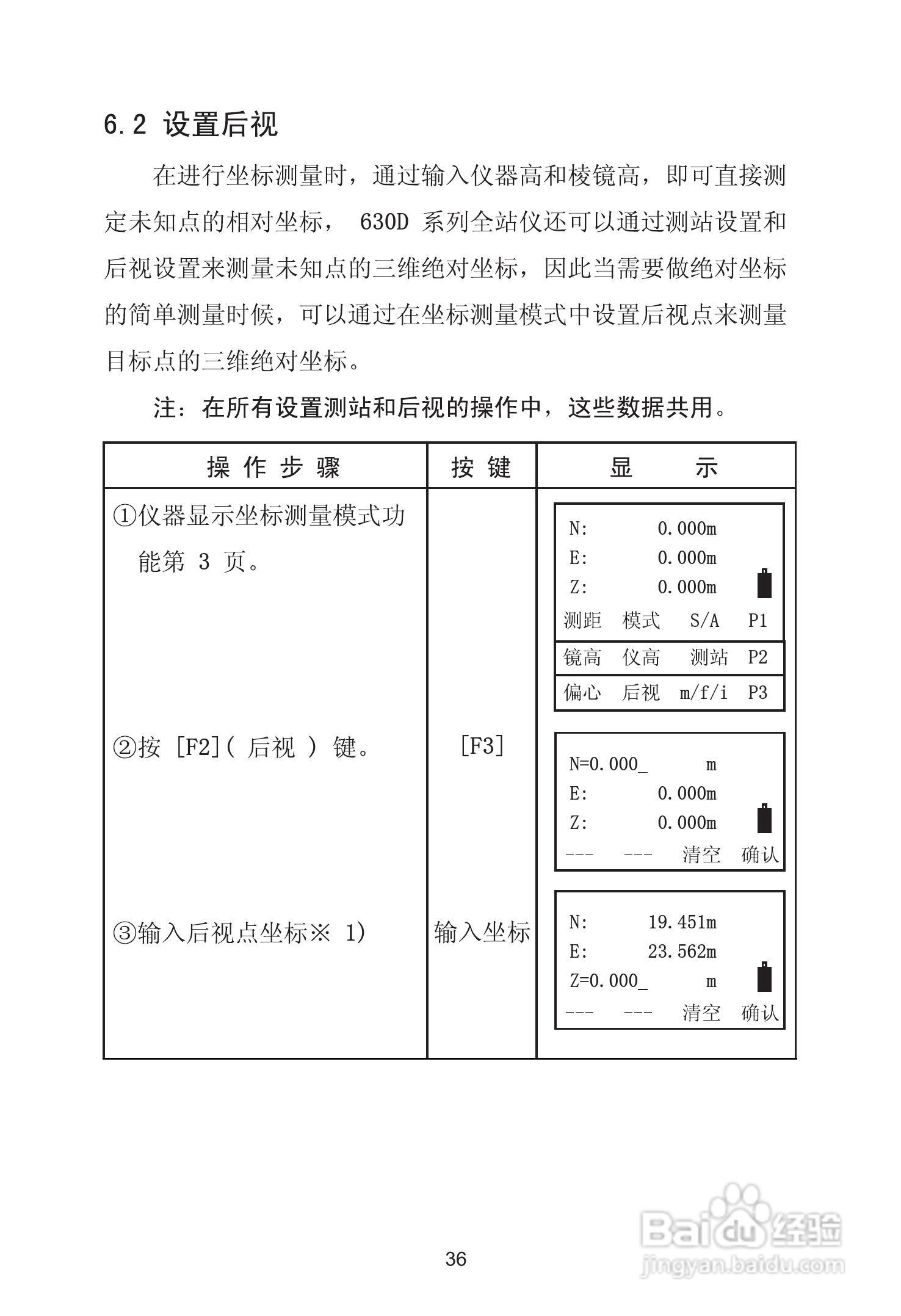
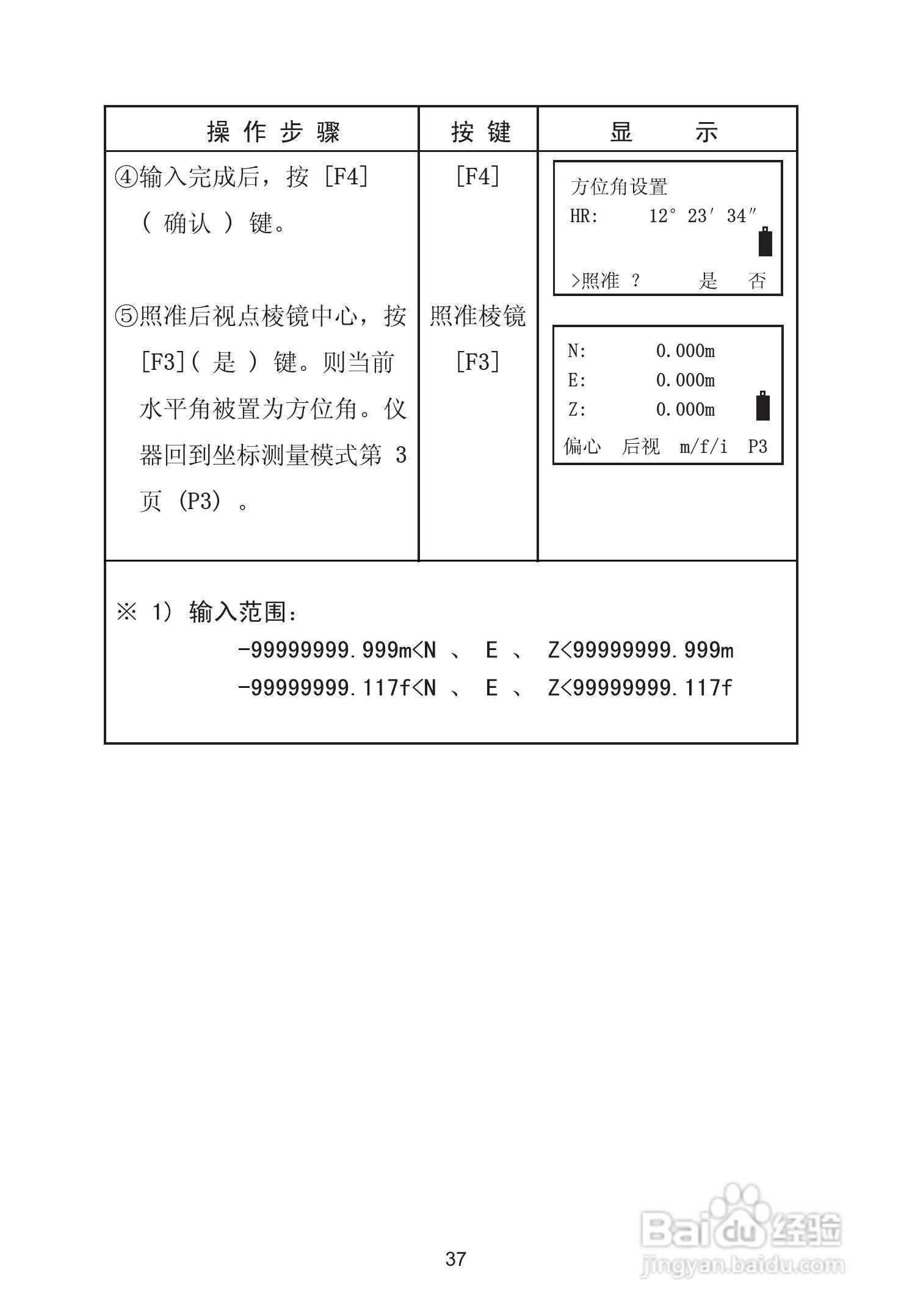
苏州一光RTS630D全站仪使用说明书:[5]
2025-10-24 21:32:23
本篇为《苏州一光RTS630D全站仪使用说明书》,主要介绍该产品的使用方法以及常见故障解决方案。
(共篇)
上一篇:
|
下一篇:
声明:
本网站引用、摘录或转载内容仅供网站访问者交流或参考,不代表本站立场,如存在版权或非法内容,请联系站长删除,联系邮箱:site.kefu@qq.com。
相关推荐
苏州一光RTS630D全站仪使用说明书:[15]
阅读量:95
苏州一光RTS630D全站仪使用说明书:[12]
阅读量:62
苏州一光RTS315L全站仪使用说明书:[5]
阅读量:80
使用说明书封面怎么做
阅读量:178
使用说明书wf2651使用指南
阅读量:129
猜你喜欢
维生素k3注射液
维生素e祛痘印
我的世界mod是什么
黑猪养殖
泥鳅池塘养殖
庸人自扰什么意思
什么水果含维生素c
世界上最长的山脉是什么
you are not alone什么意思
红杏出墙是什么意思
猜你喜欢
运动会报道稿
酸奶什么时候喝好
immediately是什么意思
运动会拔河加油稿
lnk是什么格式
不卑不亢什么意思
什么是绩效管理
南美白对虾养殖技术
孕妇喝什么汤好
smooth是什么意思