指南生活
首页
美食营养
手工爱好
生活家居
返回
指南生活
首页
美食营养
游戏数码
手工爱好
生活家居
健康养生
运动户外
职场理财
情感交际
母婴教育
时尚美容
知识问答
生活知识
生活百科
搜索
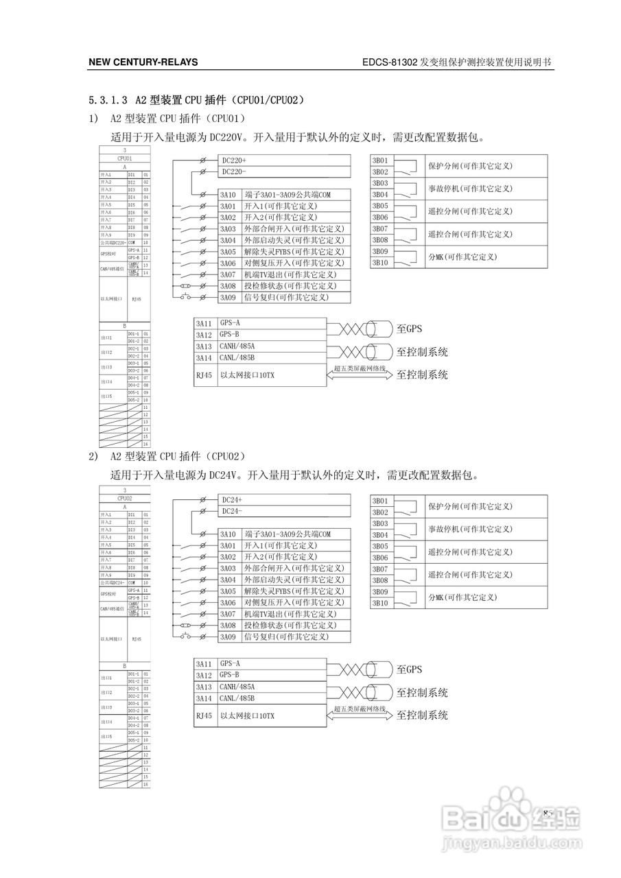
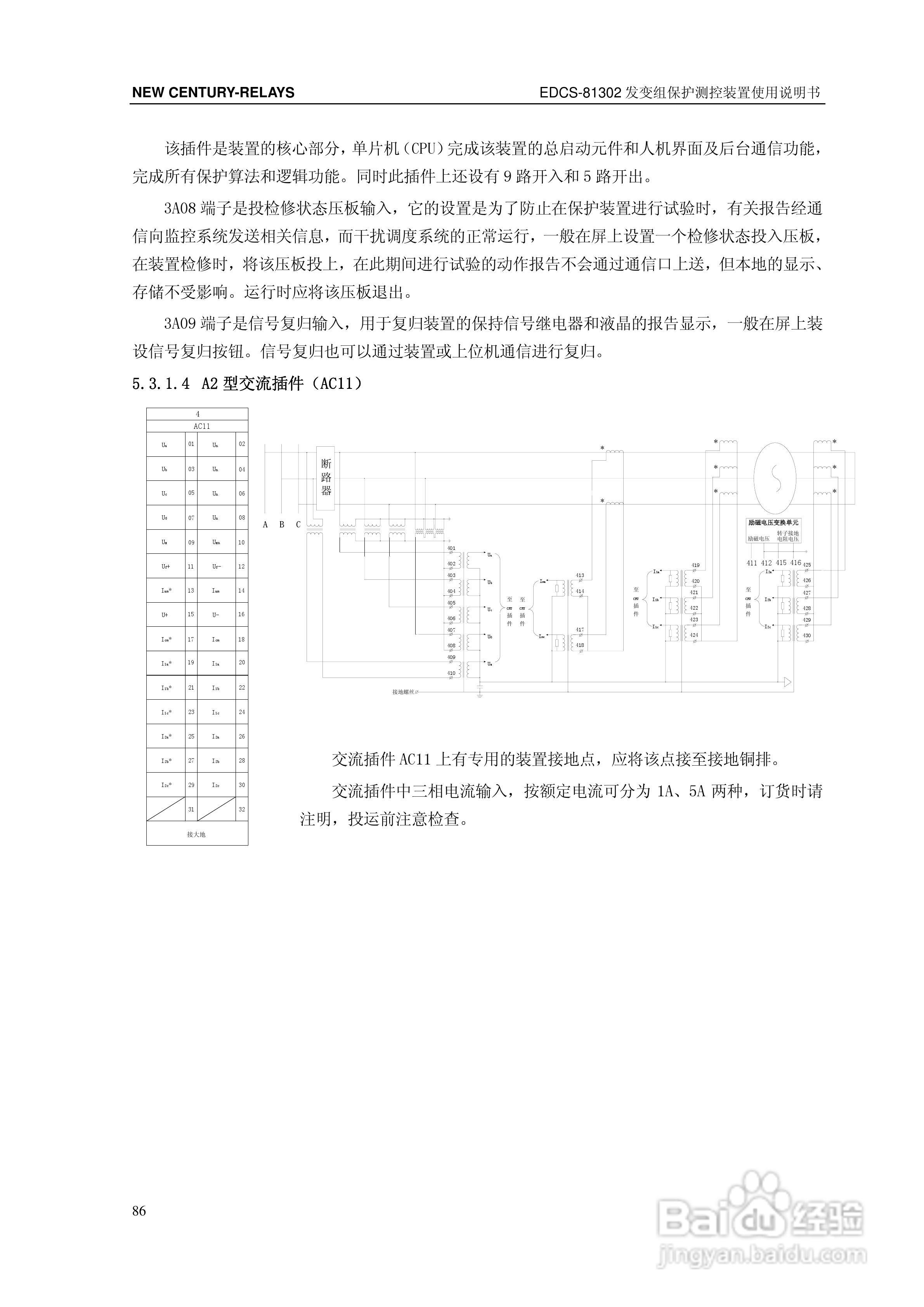
新世纪EDCS-81302发变组保护测控装置说明书:[10]
2026-04-16 19:23:21
本篇为《新世纪EDCS-81302发变组保护测控装置说明书》,主要介绍该产品的使用方法以及常见故障解决方案。
(共篇)
上一篇:
|
下一篇:
声明:
本网站引用、摘录或转载内容仅供网站访问者交流或参考,不代表本站立场,如存在版权或非法内容,请联系站长删除,联系邮箱:site.kefu@qq.com。
相关推荐
新世纪EDCS-81302发变组保护测控装置说明书:[11]
阅读量:136
新世纪EDCS-81503站用变保护测控装置说明书:[10]
阅读量:99
新世纪EDCS-81503站用变保护测控装置说明书:[8]
阅读量:109
新世纪EDCS-81503站用变保护测控装置说明书:[1]
阅读量:162
新世纪EDCS-81503站用变保护测控装置说明书:[2]
阅读量:161
猜你喜欢
mac地址是什么意思
human是什么意思
什么名字好听又有内涵
白色污染指的是什么
止损是什么意思
2月21日是什么星座
小康生活的标准是什么
什么的树木
梦见自己生了个儿子是什么意思
字节跳动是做什么的
猜你喜欢
唯粉是什么意思
留什么给你吉他谱
rm是什么货币
狮子座和什么座最配
acc是什么意思
岁月蹉跎是什么意思
委比是什么意思
bc是什么意思
臀部疼痛是什么原因
安逸什么意思