指南生活
首页
美食营养
手工爱好
生活家居
返回
指南生活
首页
美食营养
游戏数码
手工爱好
生活家居
健康养生
运动户外
职场理财
情感交际
母婴教育
时尚美容
知识问答
生活知识
搜索
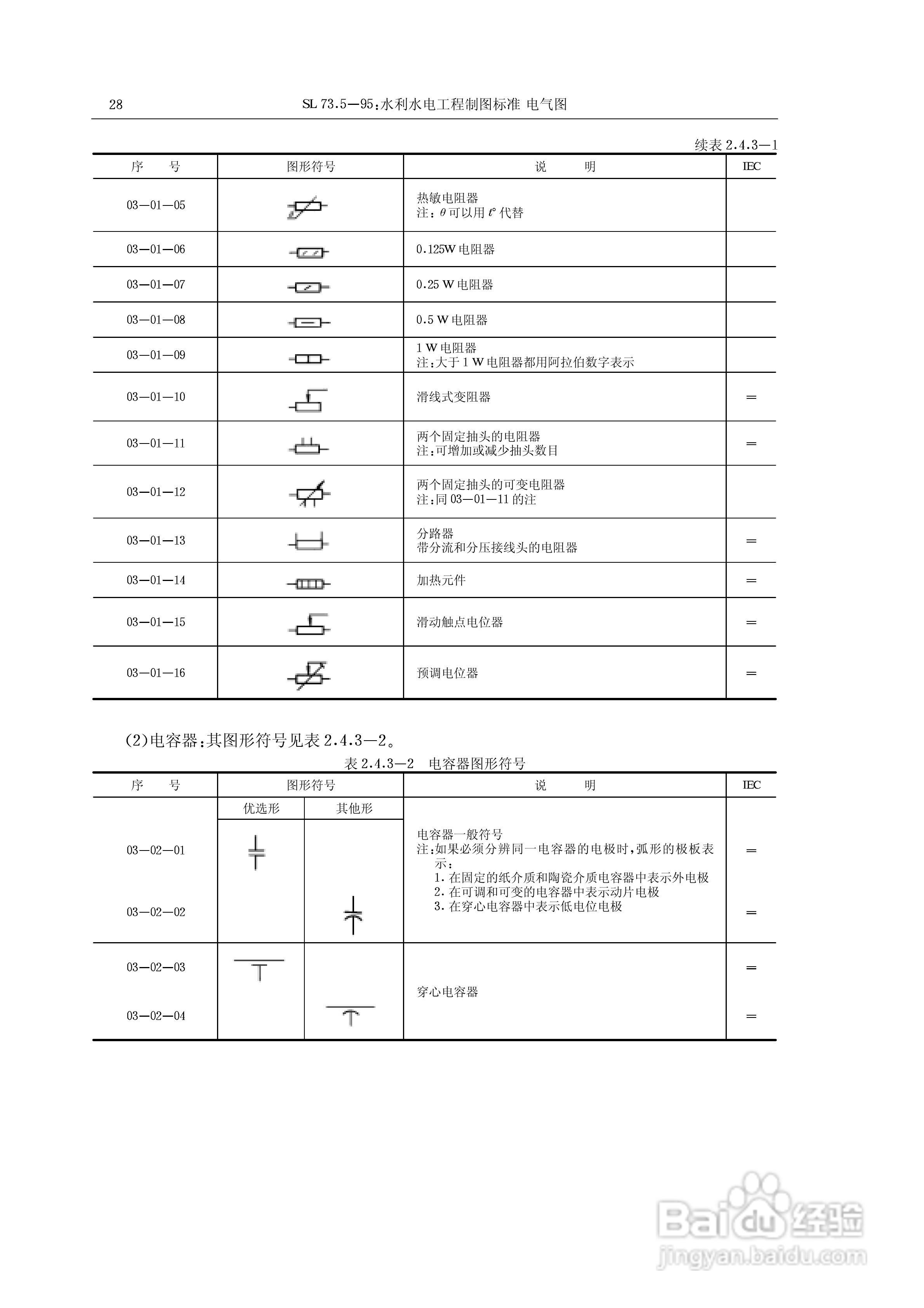
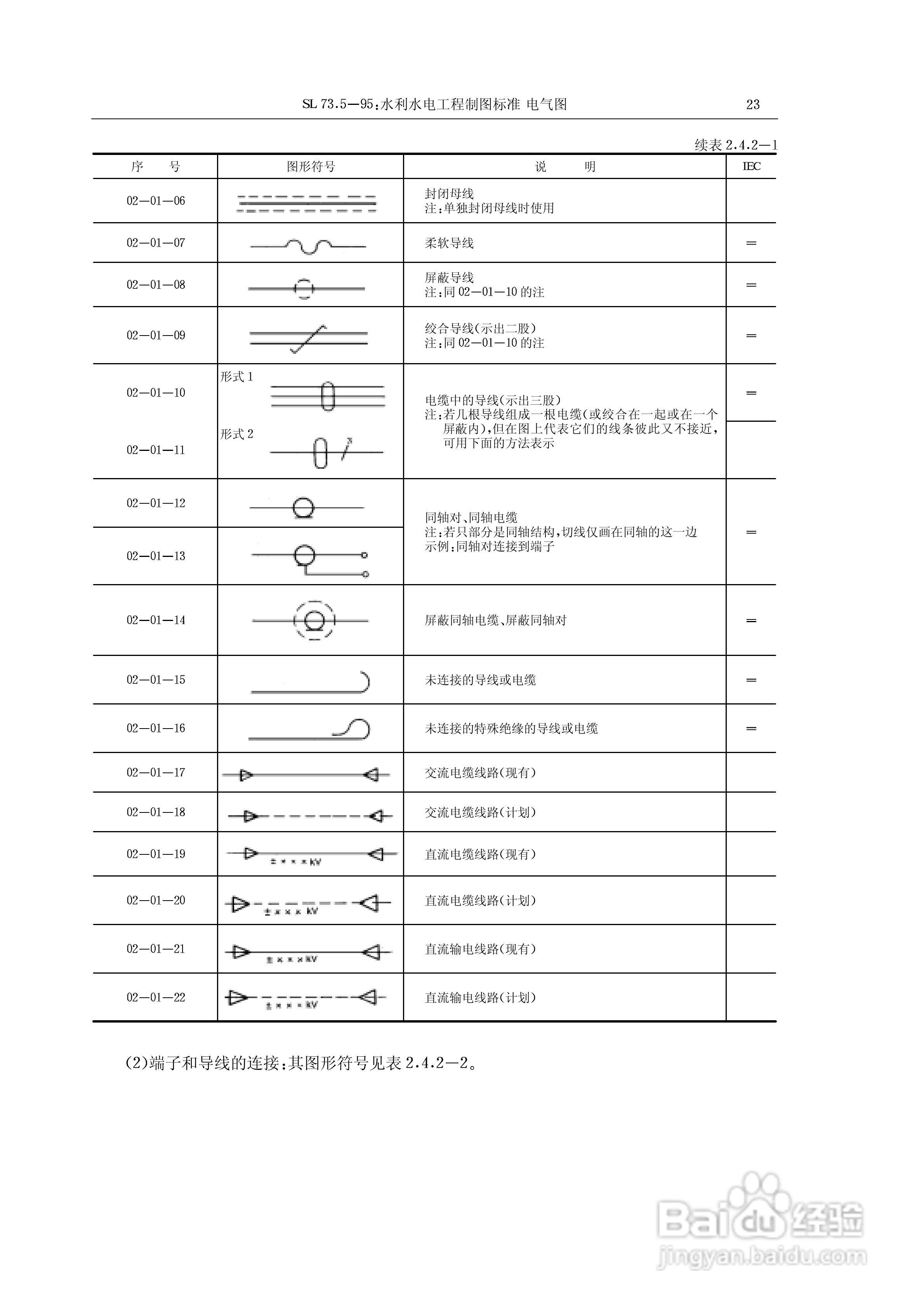
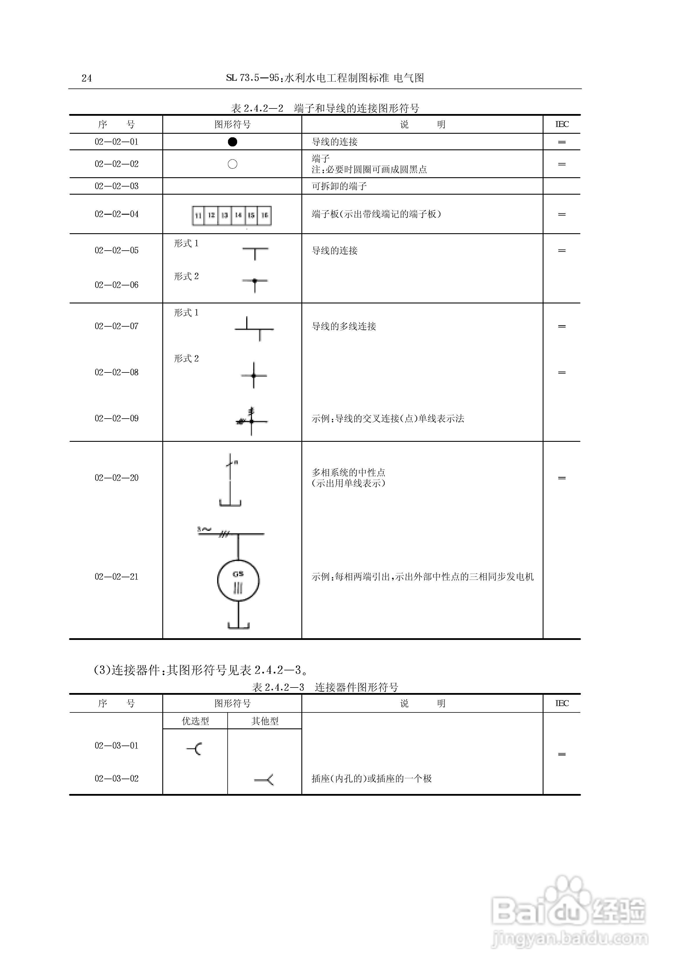
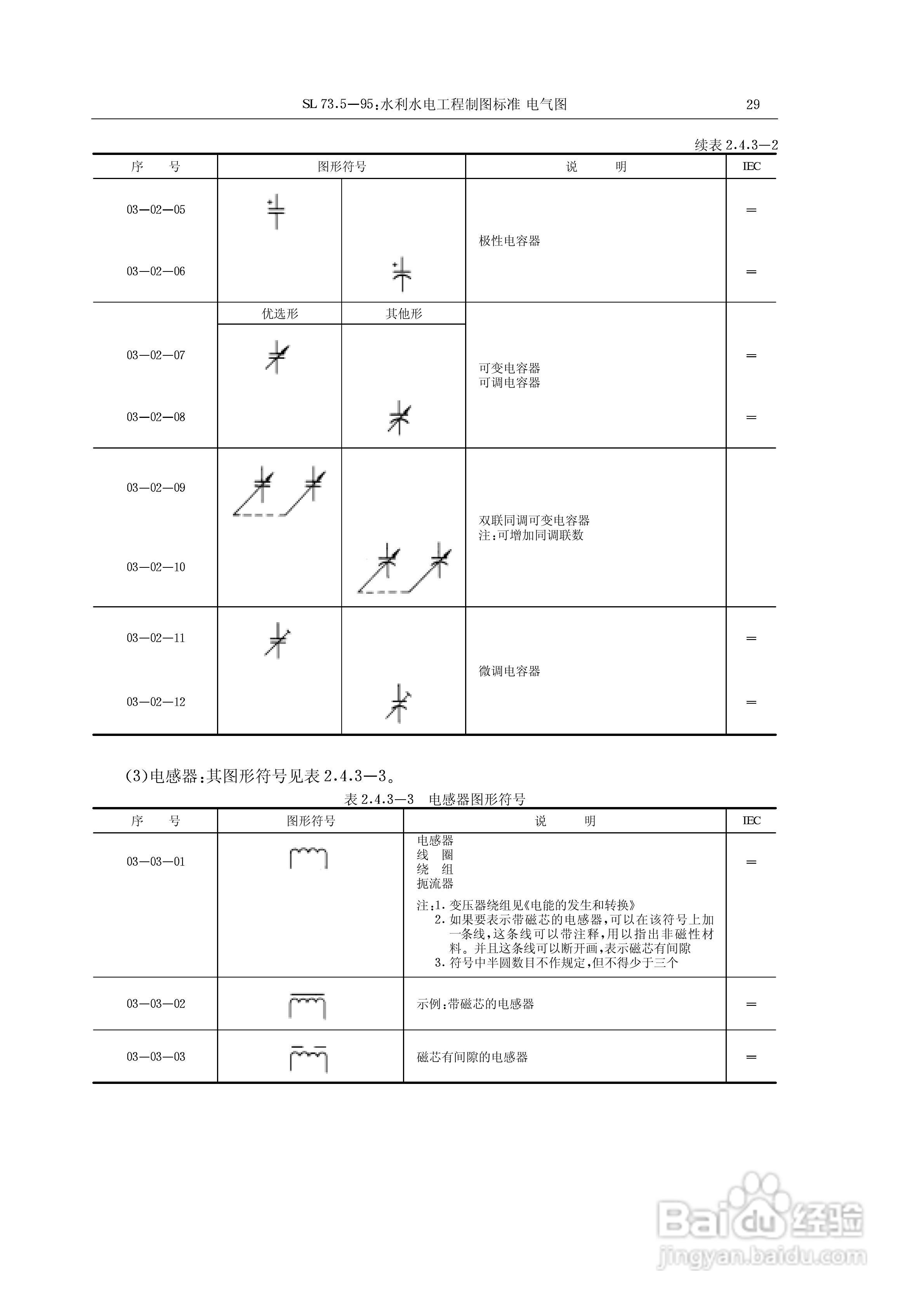
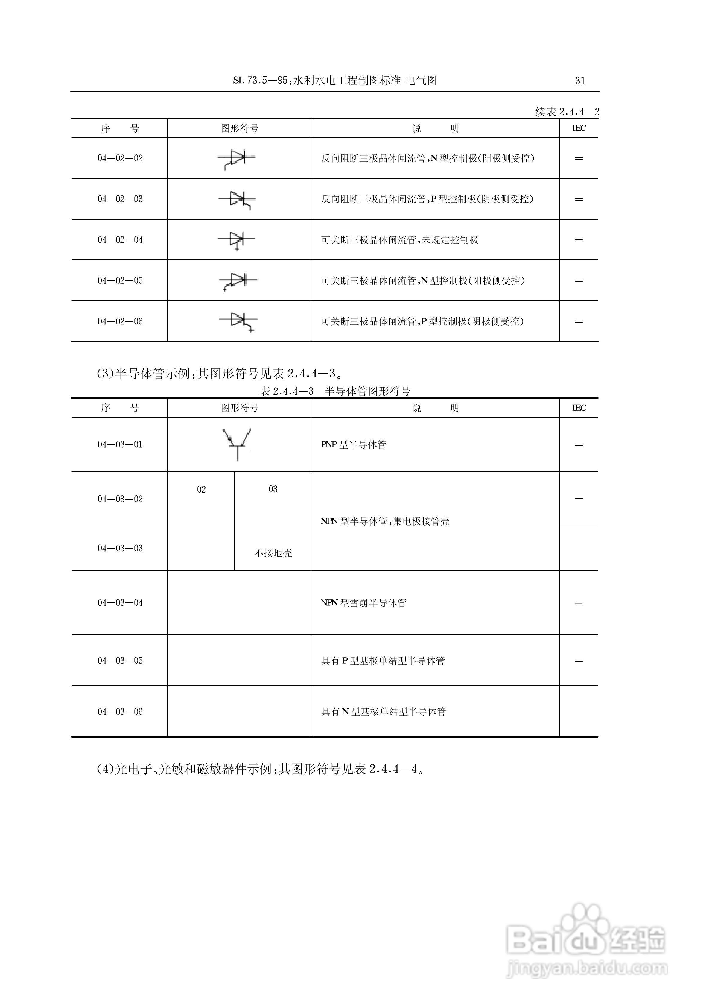
电气符号大全:[2]
2025-12-31 00:31:55
本篇为《电气符号大全》,主要介绍该产品的使用方法以及常见故障解决方案。
(共篇)
上一篇:
|
下一篇:
声明:
本网站引用、摘录或转载内容仅供网站访问者交流或参考,不代表本站立场,如存在版权或非法内容,请联系站长删除,联系邮箱:site.kefu@qq.com。
相关推荐
正弦电气EM325A-015-3AB变频器使用手册:[1]
阅读量:124
WIDEPLUS-8系列精小型压力变送器使用说明书
阅读量:137
广告机方案开发
阅读量:30
如何创建一个简单欧姆龙PLC工程
阅读量:119
NEWPWR 智能数字显示报警仪使用说明书:[1]
阅读量:50
猜你喜欢
航天知识
白莲子的功效与作用
单反相机什么牌子好
机油的作用
汽修知识
苹果7什么时候上市
山西有什么好玩的地方
十一月开什么花
有关运动会的加油稿
什么牌子的显示器好
猜你喜欢
胆汁的作用
运动会稿件300字
snake什么意思
宫颈炎用什么药好
amg什么意思
关于健康的知识
生理盐水敷脸的作用
爱情是个什么东西
红花油的功效与作用
包装费计入什么科目