指南生活
首页
美食营养
手工爱好
生活家居
返回
指南生活
首页
美食营养
游戏数码
手工爱好
生活家居
健康养生
运动户外
职场理财
情感交际
母婴教育
时尚美容
知识问答
生活知识
搜索
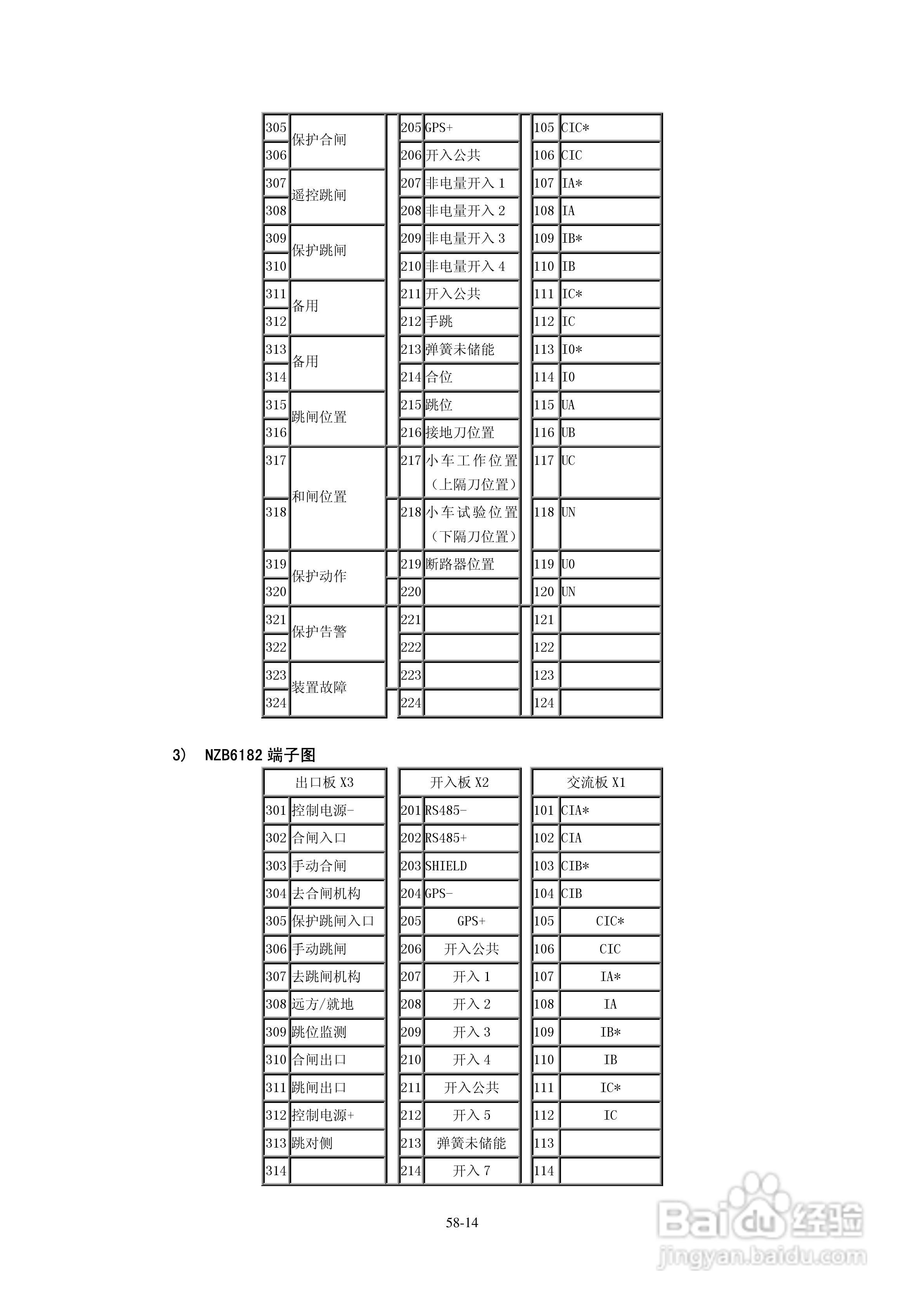
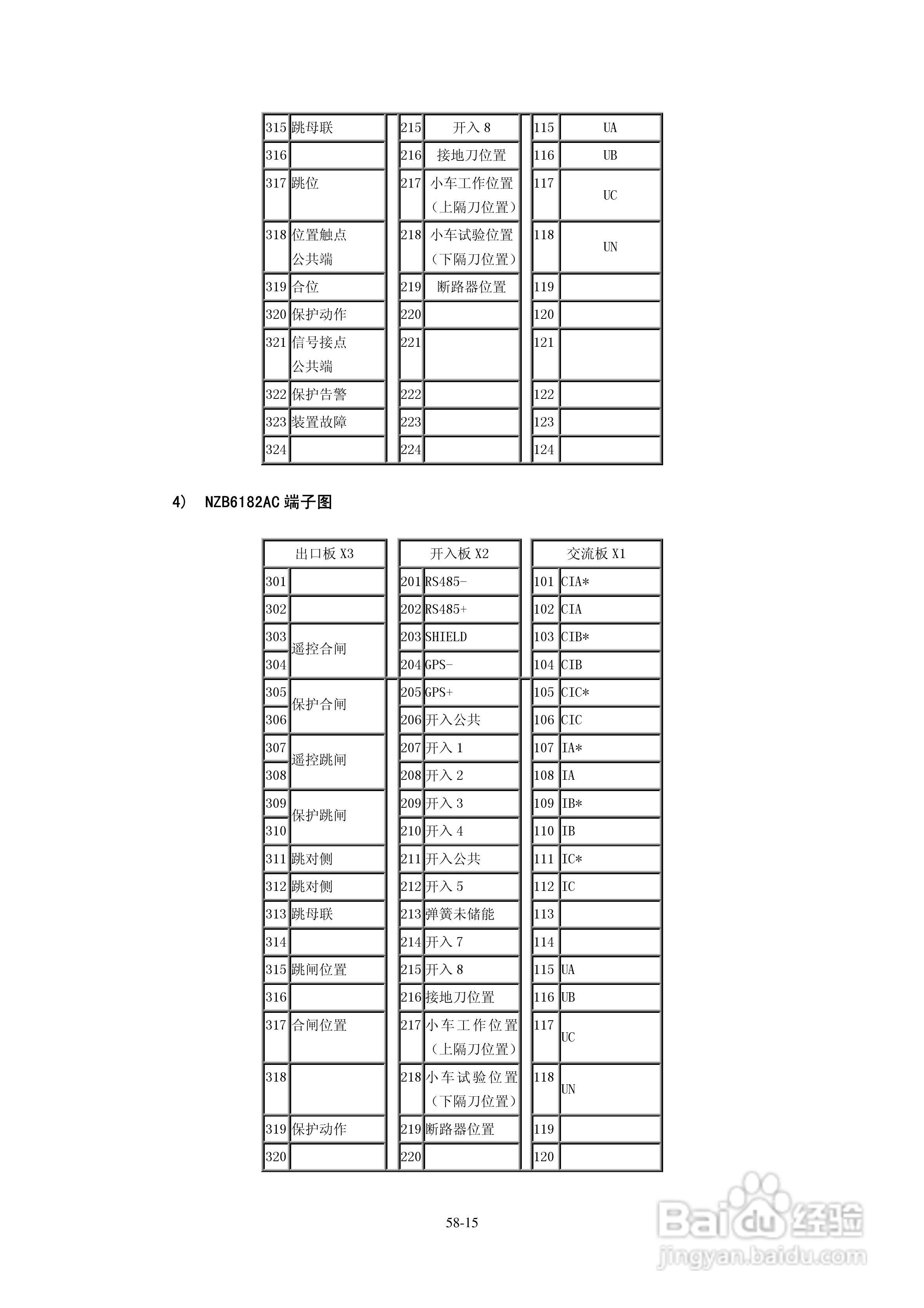
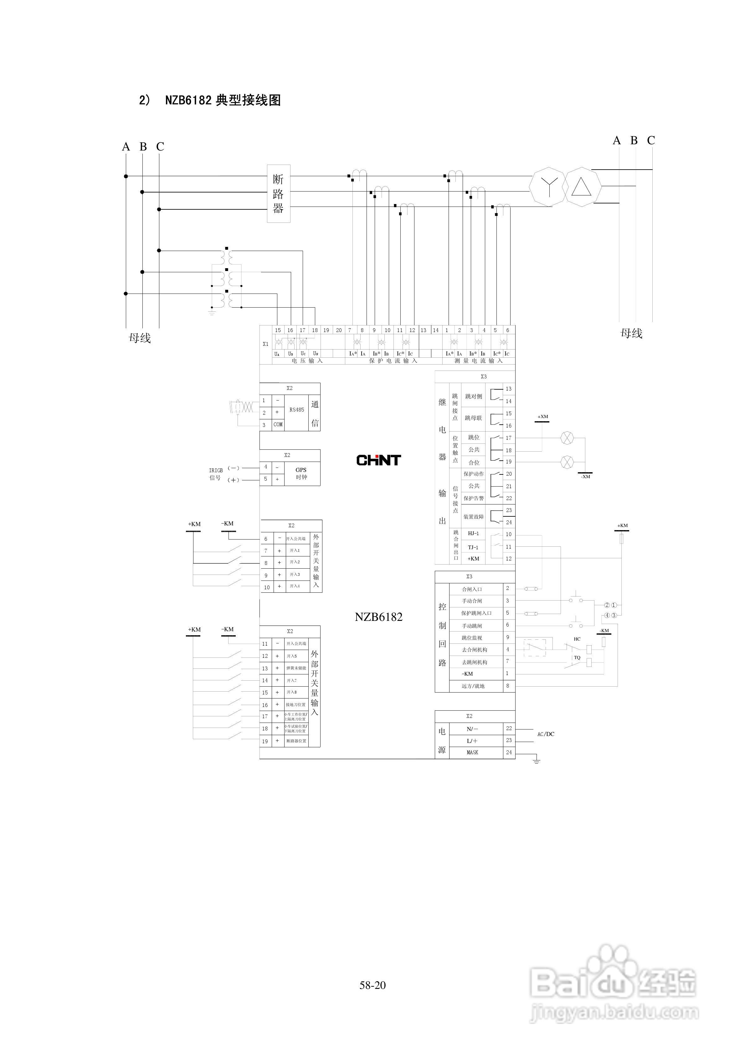
正泰NZB6184微机变压器保护测控装置使用说明书:[2]
2025-12-30 21:42:07
本篇为《正泰NZB6184微机变压器保护测控装置使用说明书》,主要介绍该产品的使用方法以及常见故障解决方案。
(共篇)
上一篇:
|
下一篇:
声明:
本网站引用、摘录或转载内容仅供网站访问者交流或参考,不代表本站立场,如存在版权或非法内容,请联系站长删除,联系邮箱:site.kefu@qq.com。
相关推荐
正泰NZB6114微机线路保护测控装置使用说明书:[2]
阅读量:74
正泰NZB6114微机线路保护测控装置使用说明书:[4]
阅读量:53
正泰NZB6114微机线路保护测控装置使用说明书:[1]
阅读量:163
正泰NZB6114微机线路保护测控装置使用说明书:[5]
阅读量:161
NZB610系列微机测控装置使用说明书:[2]
阅读量:108
猜你喜欢
李白属什么生肖
盐酸地芬尼多片的作用与用途
川穹的功效与作用
运动会上的精彩瞬间
杏的功效与作用及禁忌
冻干粉什么牌子好
哈你小孩运动乐园
华为mate9什么时候上市
530分能上什么大学
关于运动的图片
猜你喜欢
灰色配什么颜色最搭
安全阀的作用
洁尔阴洗液有什么作用
幼儿园消防安全知识
白鲜皮的功效与作用
都有什么奥特曼
脾切除后有什么影响
三金片的作用
运动后多久可以吃东西
公司上市需要什么条件