指南生活
首页
美食营养
手工爱好
生活家居
返回
指南生活
首页
美食营养
游戏数码
手工爱好
生活家居
健康养生
运动户外
职场理财
情感交际
母婴教育
时尚美容
知识问答
生活知识
生活百科
搜索
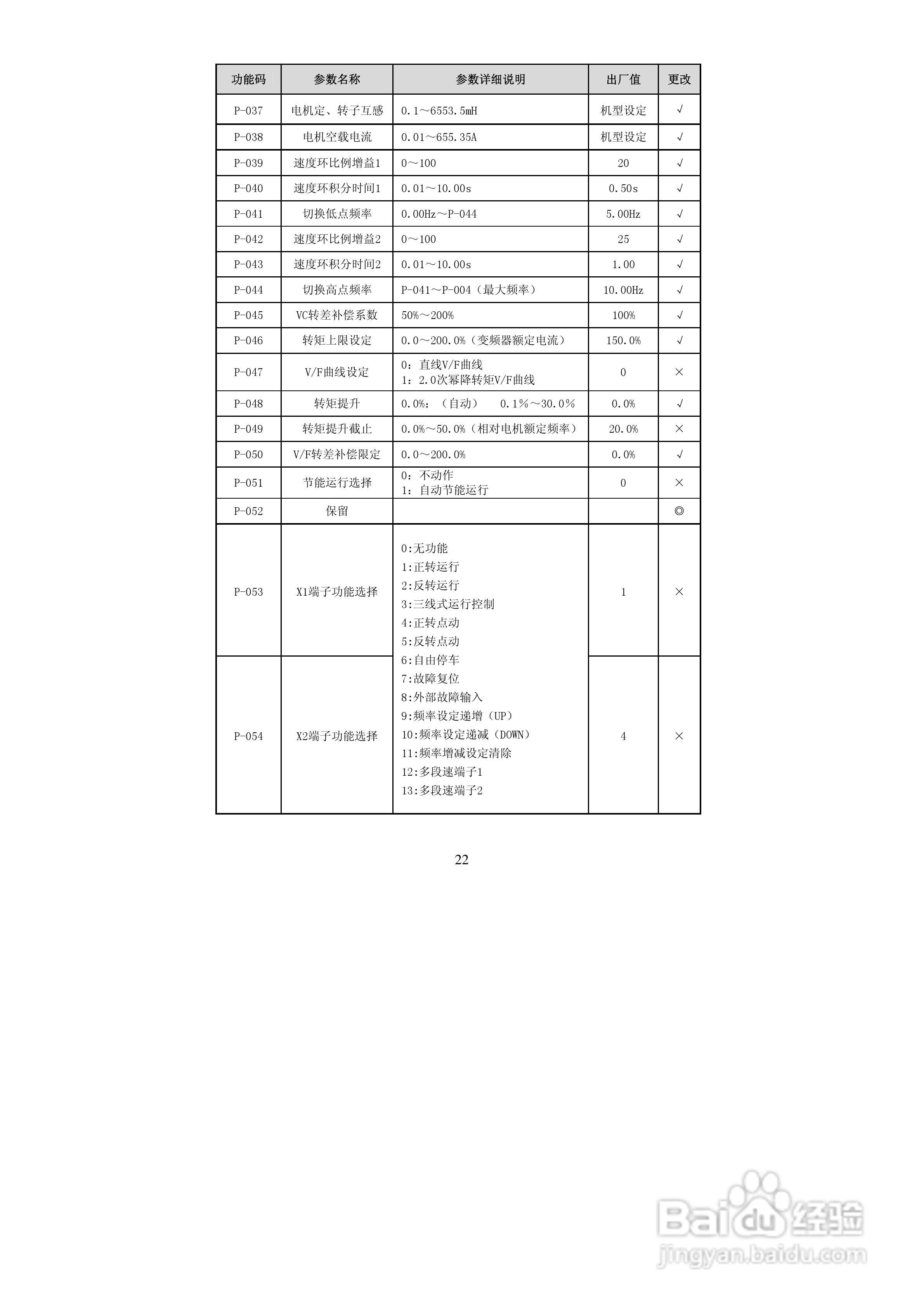
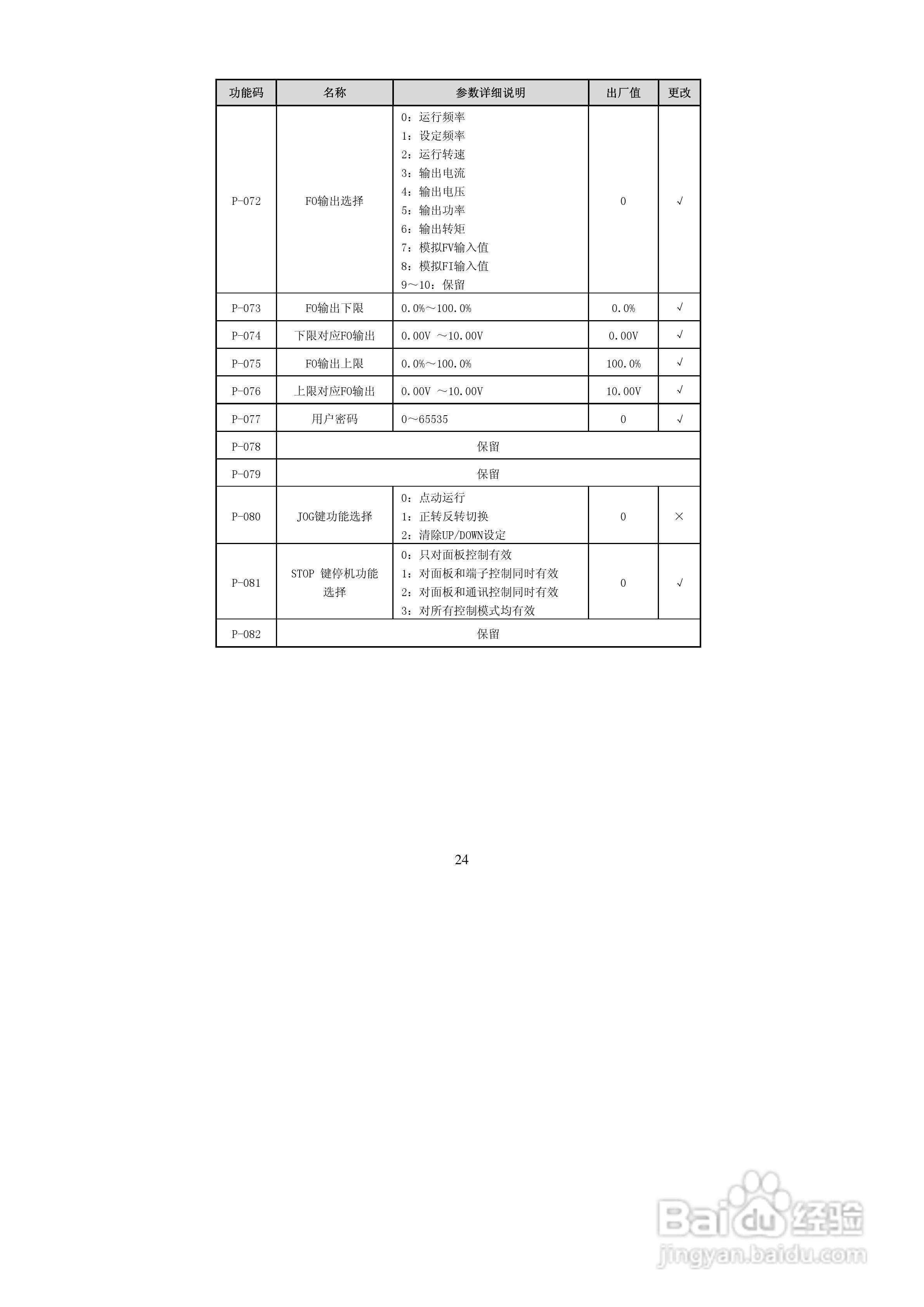
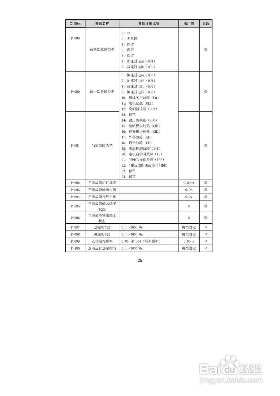
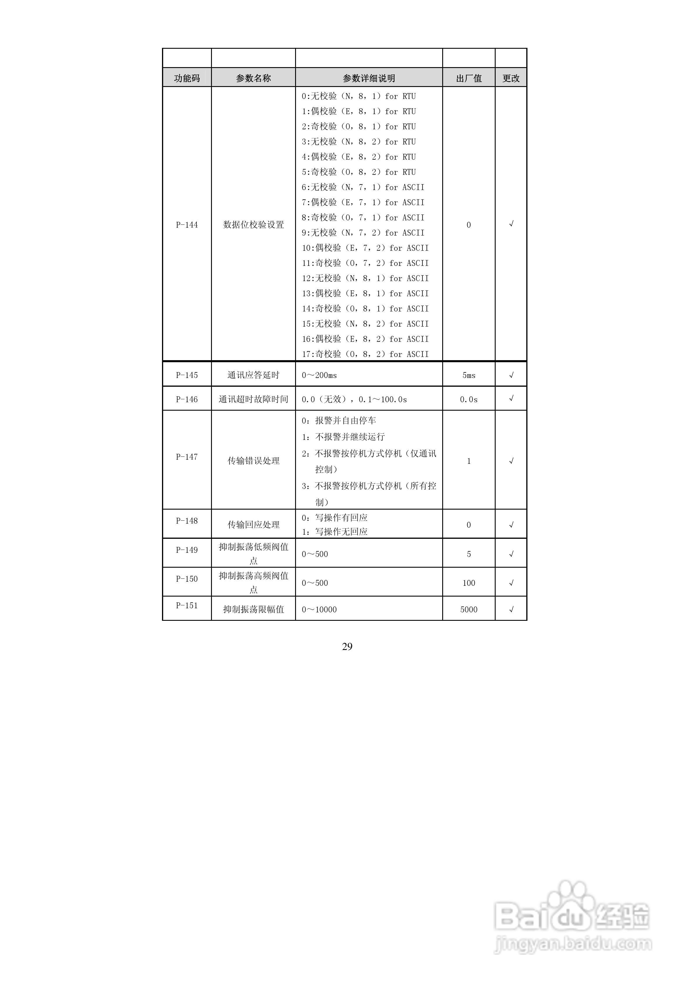
德弗DV600-43150矢量型变频器说明书:[3]
2026-04-29 00:56:54
本篇为《德弗DV600-43150矢量型变频器说明书》,主要介绍该产品的使用方法以及常见故障解决方案。
(共篇)
上一篇:
|
下一篇:
声明:
本网站引用、摘录或转载内容仅供网站访问者交流或参考,不代表本站立场,如存在版权或非法内容,请联系站长删除,联系邮箱:site.kefu@qq.com。
相关推荐
德弗DV600-43150矢量型变频器说明书:[1]
阅读量:148
怎么鉴别强化地板好坏
阅读量:36
自己装修水管如何布置?
阅读量:132
宝宝的家居安全如何防护?
阅读量:126
电磁采暖炉如何维修
阅读量:194
猜你喜欢
怎么查看微信注册时间
snp面膜怎么样
开怎么读
微信公众号怎么注册
板栗怎么做才好吃又简单
嘴巴起泡怎么办
牛板筋怎么煮烂
头发干燥怎么护理
iso文件怎么安装
蜓怎么组词
猜你喜欢
鼠标垫怎么洗
我的世界玻璃板怎么做
排卵期出血怎么治疗
怎么预防感冒
佰草集面膜怎么样
发高烧怎么办
怎么把手机视频投到电视上
圣诞节英文怎么说
房东不退押金怎么办
大米生虫子怎么办