指南生活
首页
美食营养
手工爱好
生活家居
返回
指南生活
首页
美食营养
游戏数码
手工爱好
生活家居
健康养生
运动户外
职场理财
情感交际
母婴教育
时尚美容
知识问答
生活知识
生活百科
搜索
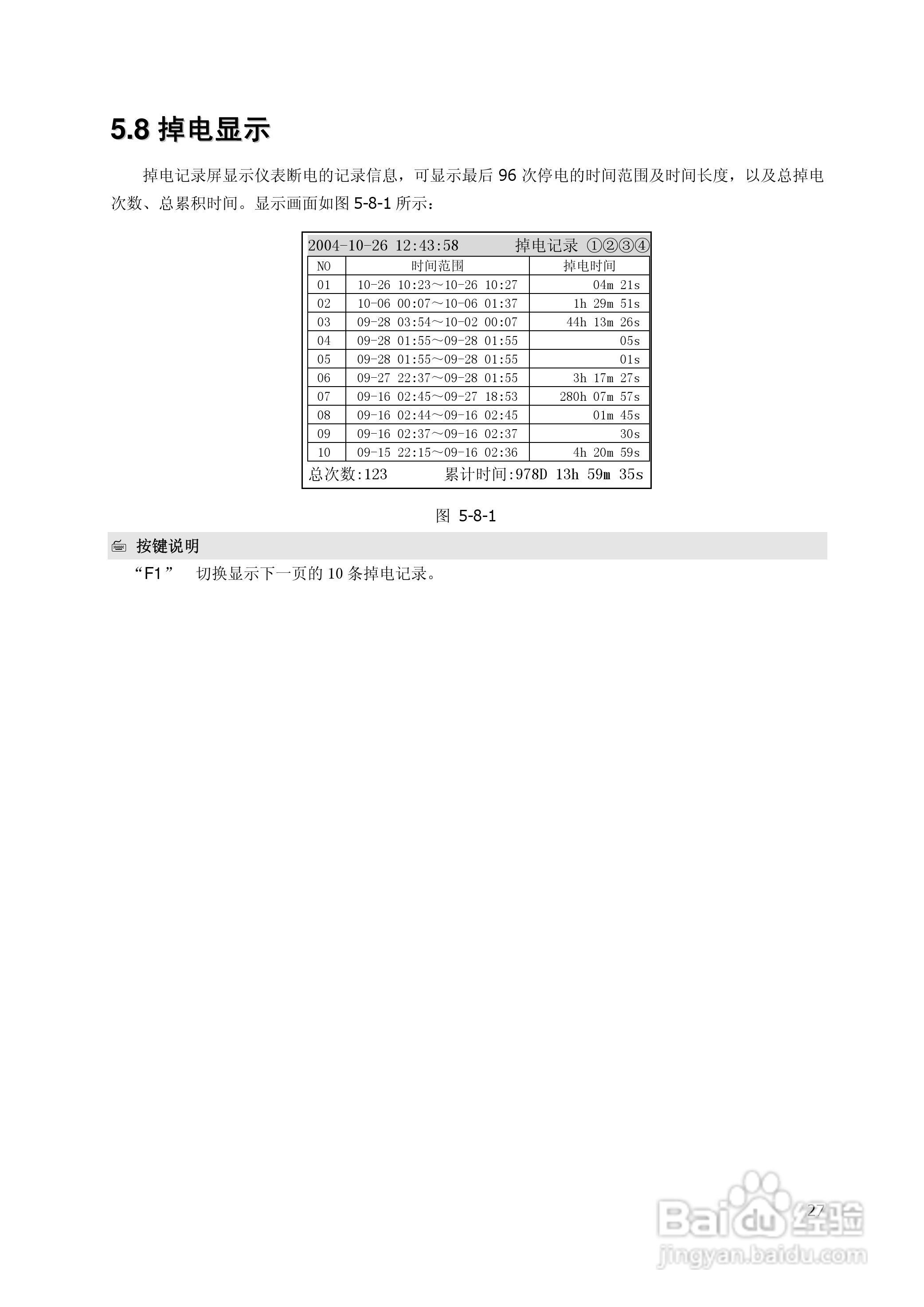
昌晖SWP-MSR100无纸记录仪说明书:[3]
2026-05-07 10:53:28
本篇为《昌晖SWP-MSR100无纸记录仪说明书》,主要介绍该产品的使用方法以及常见故障解决方案。
(共篇)
上一篇:
|
下一篇:
声明:
本网站引用、摘录或转载内容仅供网站访问者交流或参考,不代表本站立场,如存在版权或非法内容,请联系站长删除,联系邮箱:site.kefu@qq.com。
相关推荐
昌晖SWP-MSR100无纸记录仪说明书:[1]
阅读量:151
昌晖SWP-MSR100无纸记录仪说明书:[4]
阅读量:99
昌晖SWP-LCD-SSR无纸记录仪说明书:[3]
阅读量:82
昌晖SWP-TSR200真彩无纸记录仪说明书:[3]
阅读量:72
昌晖SWP-NSR100单色无纸记录仪(普通)说明书:[2]
阅读量:155
猜你喜欢
厉声的意思
太原有什么旅游景点
什么什么什么引
投资顾问是做什么的
杀戮的意思
梦见蛇是什么意思
书香门第的意思
家装设计用什么软件
渊博的意思
normal是什么意思
猜你喜欢
湮没的意思
mpi是什么意思
私人影院有什么
100元能买什么
若即若离是什么意思
情不自禁的禁是什么意思
七险一金包括什么
佝偻的意思
溢的意思
920什么意思