指南生活
首页
美食营养
手工爱好
生活家居
返回
指南生活
首页
美食营养
游戏数码
手工爱好
生活家居
健康养生
运动户外
职场理财
情感交际
母婴教育
时尚美容
知识问答
生活知识
搜索
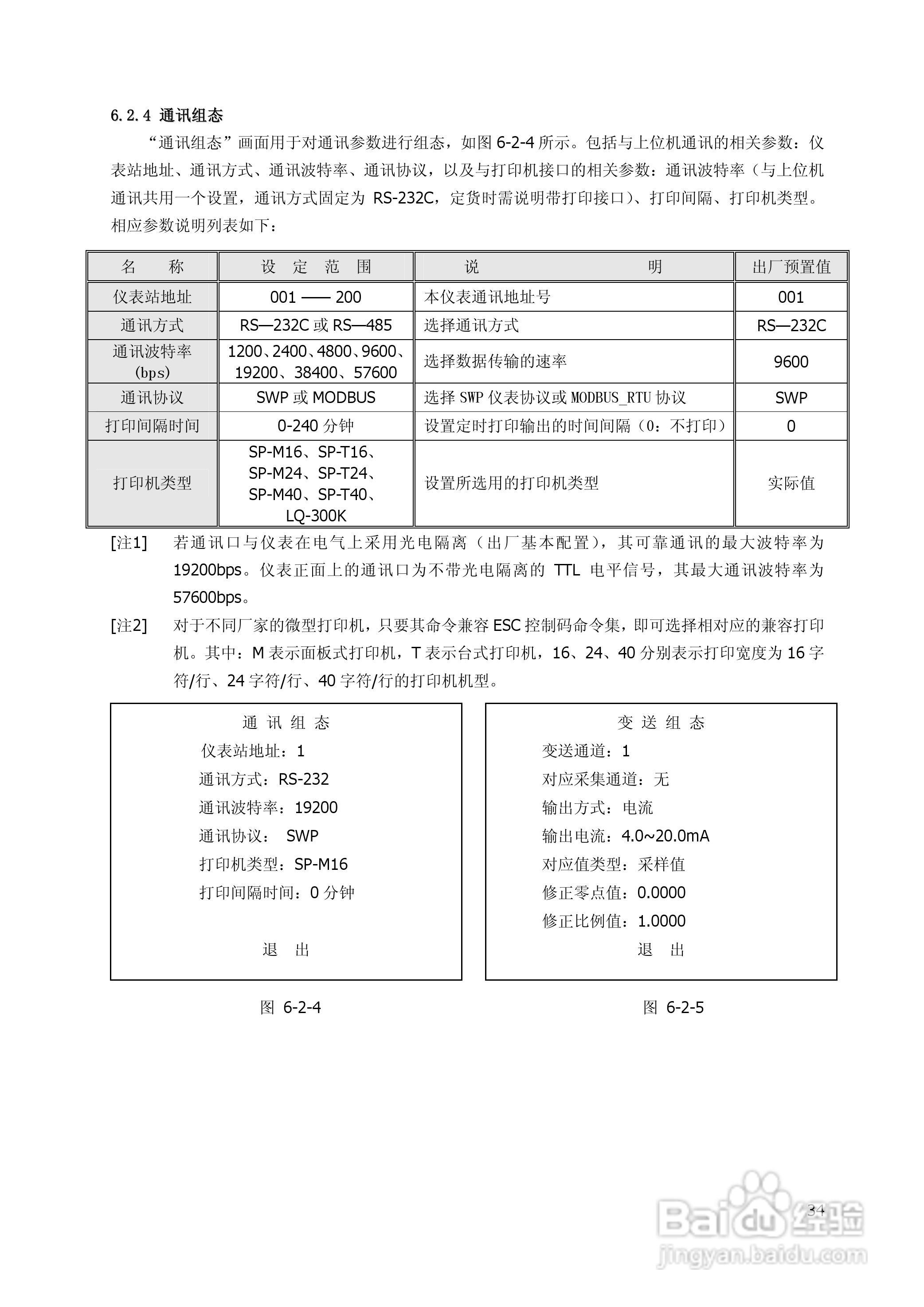
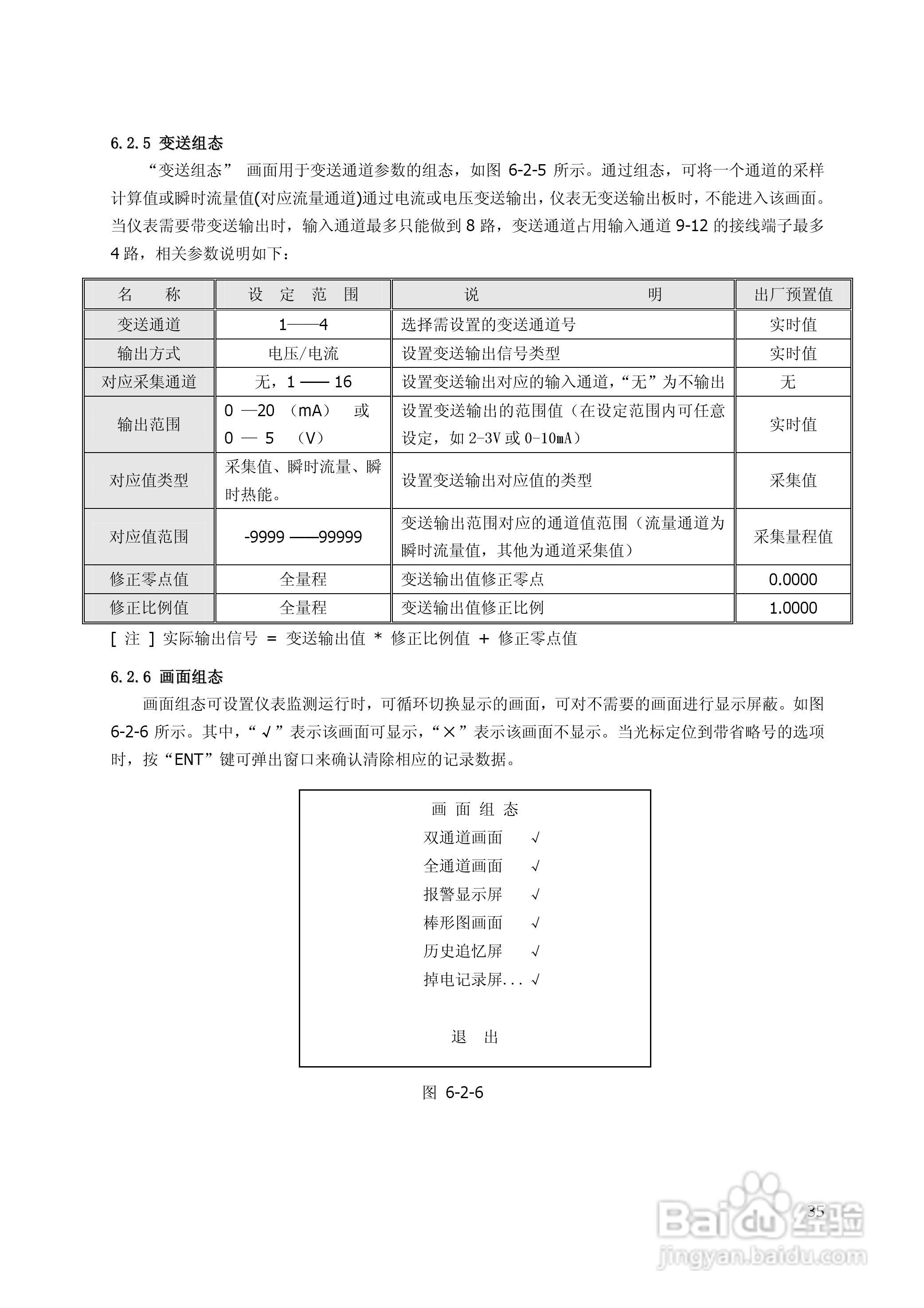
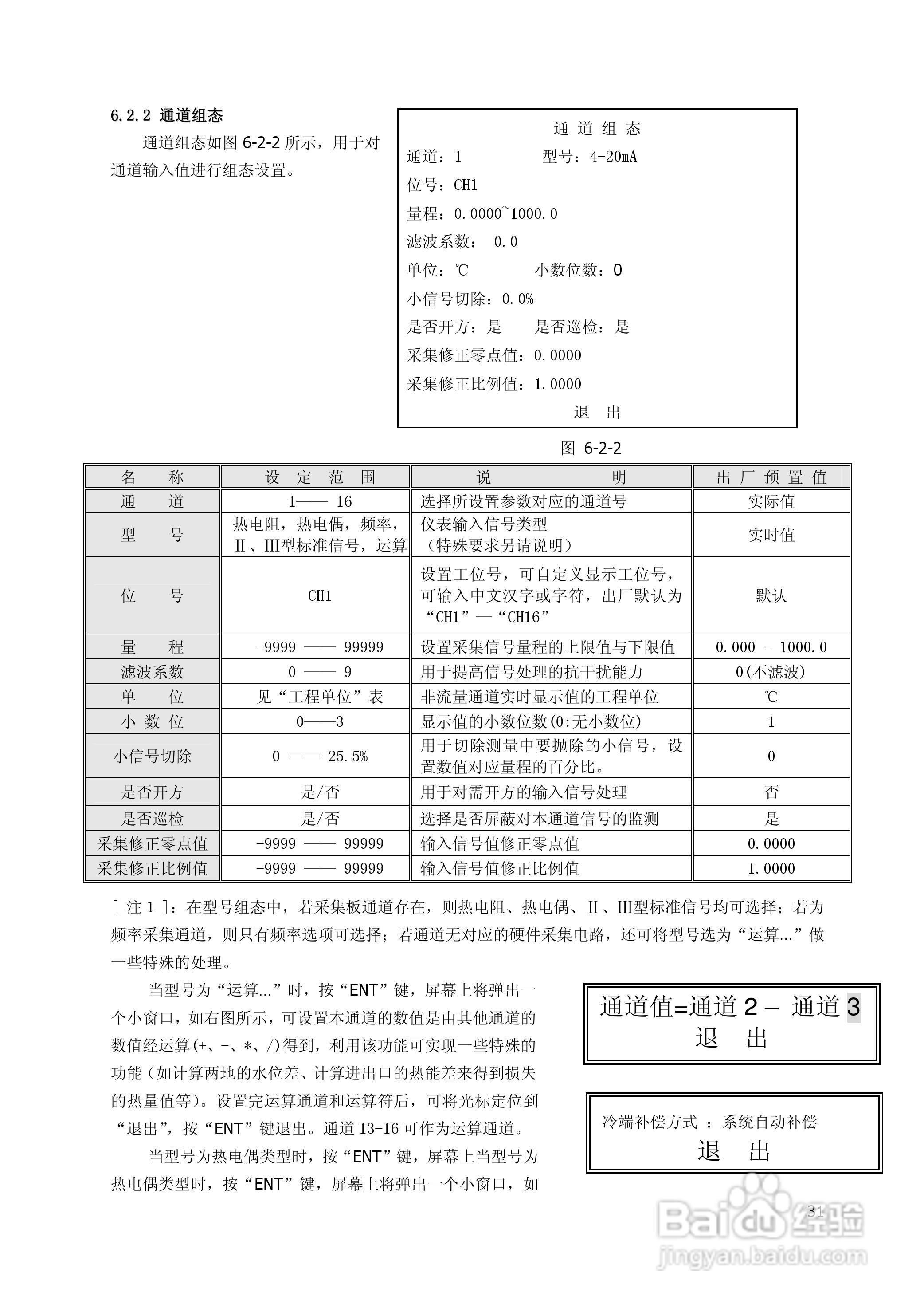
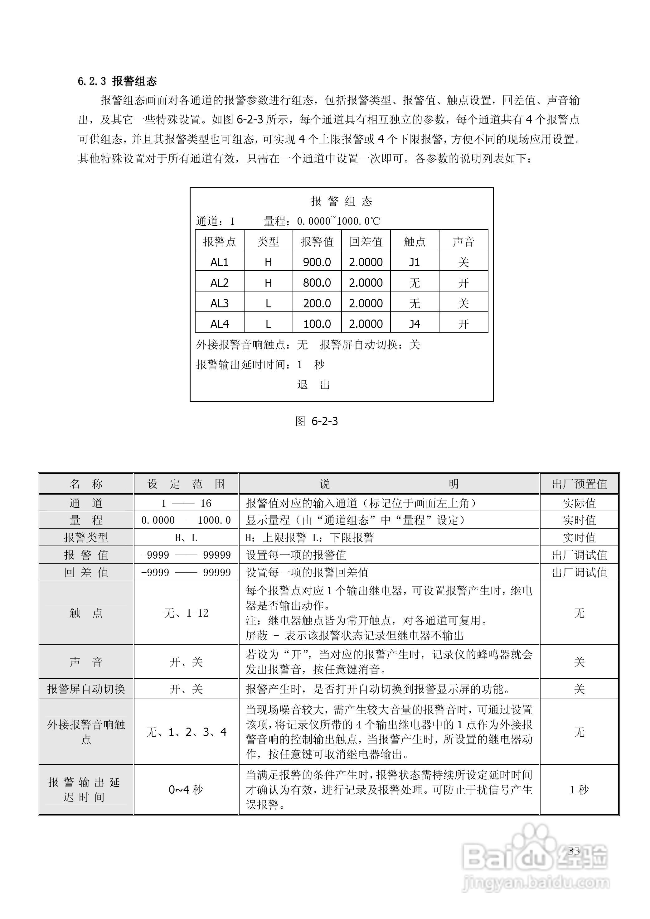
昌晖SWP-MSR100无纸记录仪说明书:[4]
2026-01-08 01:58:13
本篇为《昌晖SWP-MSR100无纸记录仪说明书》,主要介绍该产品的使用方法以及常见故障解决方案。
(共篇)
上一篇:
|
下一篇:
声明:
本网站引用、摘录或转载内容仅供网站访问者交流或参考,不代表本站立场,如存在版权或非法内容,请联系站长删除,联系邮箱:site.kefu@qq.com。
相关推荐
昌晖SWP-MSR100无纸记录仪说明书:[1]
阅读量:69
昌晖SWP-MSR100无纸记录仪说明书:[3]
阅读量:127
昌晖SWP-TSR200真彩无纸记录仪说明书:[4]
阅读量:155
昌晖SWP-NSR100单色无纸记录仪(普通)说明书:[4]
阅读量:183
昌晖SWP-NSR100单色无纸记录仪(普通)说明书:[1]
阅读量:165
猜你喜欢
有什么好看的小说吗
肝囊肿有什么危害
萧瑟的意思
2009属什么生肖
自以为是的意思
胎儿头位是什么意思
春夜喜雨的意思
中国结象征什么
名媛是什么意思
上善若水意思
猜你喜欢
班淑传奇什么时候上映
恬静的意思
苹果ios是什么意思
foreverlove什么意思
哈哈大笑的意思
样板房是什么意思
毛坯房是什么意思
天然狗粮什么牌子好
做效果图用什么软件
真知灼见的意思