指南生活
首页
美食营养
手工爱好
生活家居
返回
指南生活
首页
美食营养
游戏数码
手工爱好
生活家居
健康养生
运动户外
职场理财
情感交际
母婴教育
时尚美容
知识问答
搜索
三菱 MR-E-□A-KH003 MR-E-□AG-KH003通用交流伺服接:[5]
2025-11-27 08:35:24
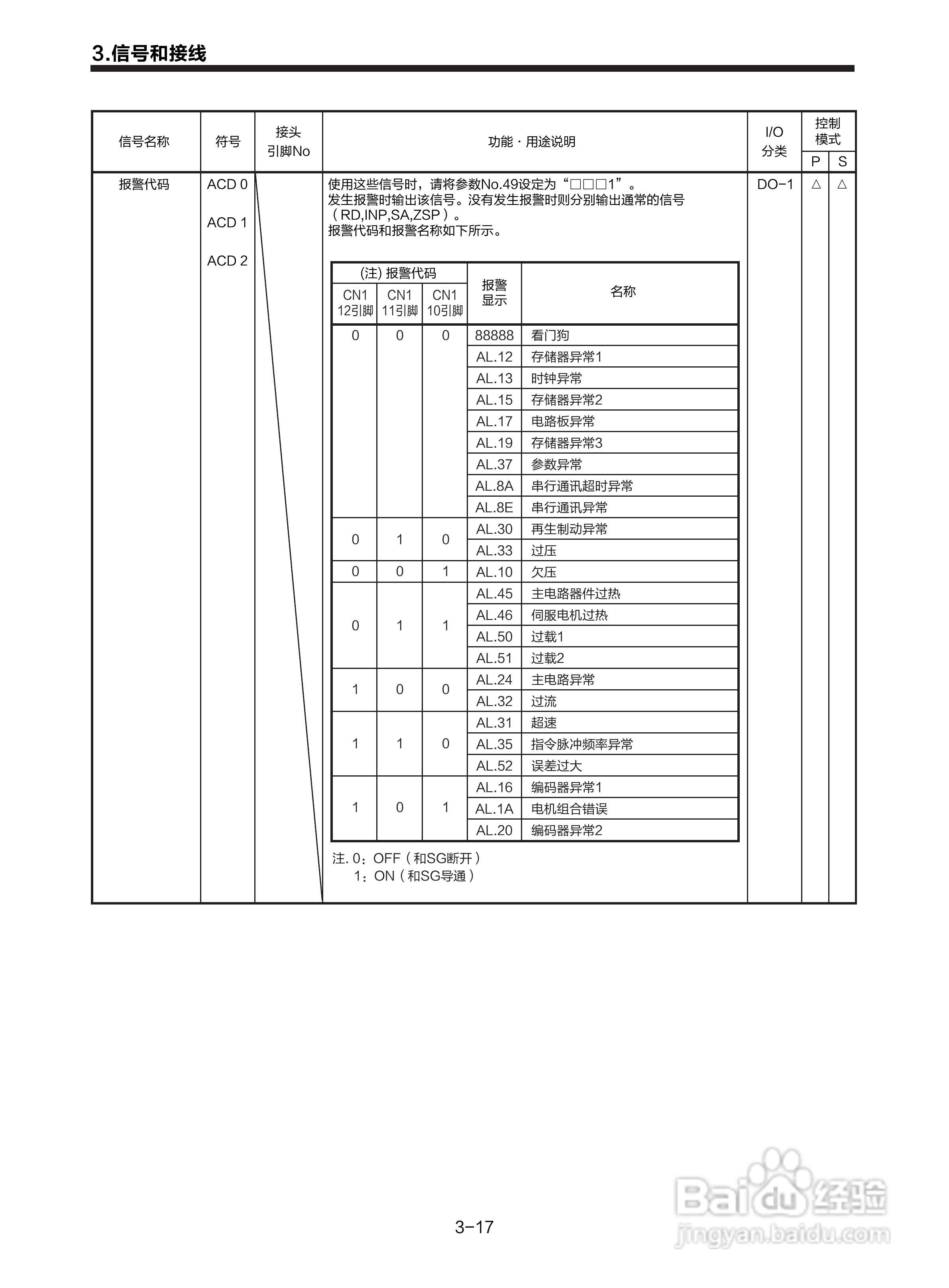
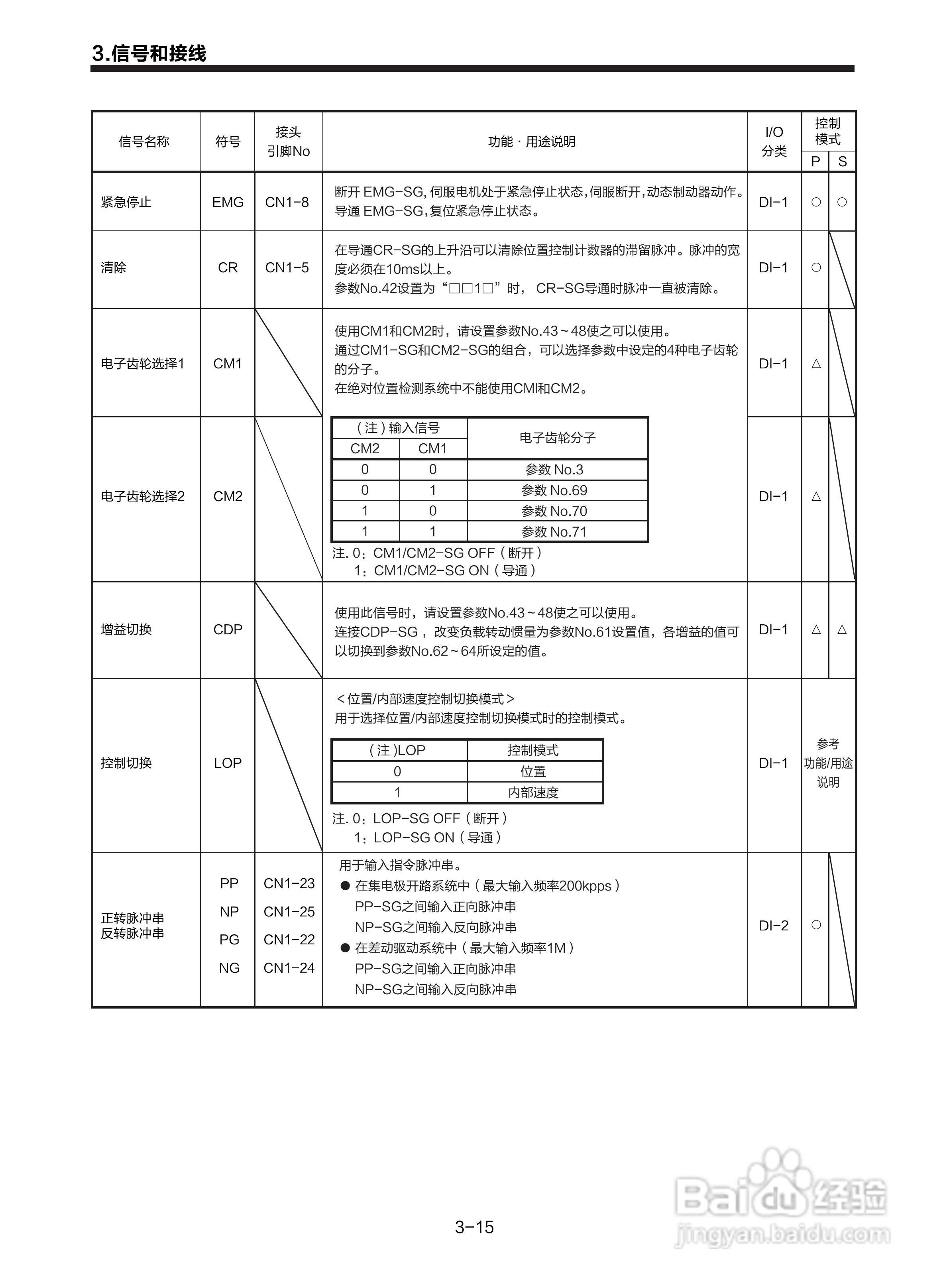
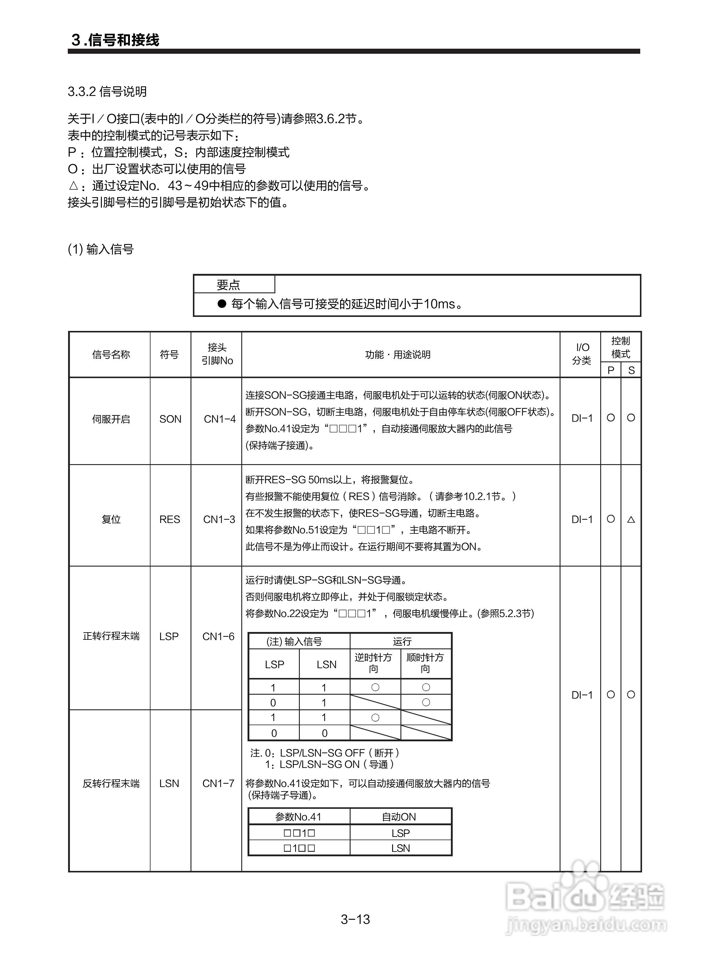
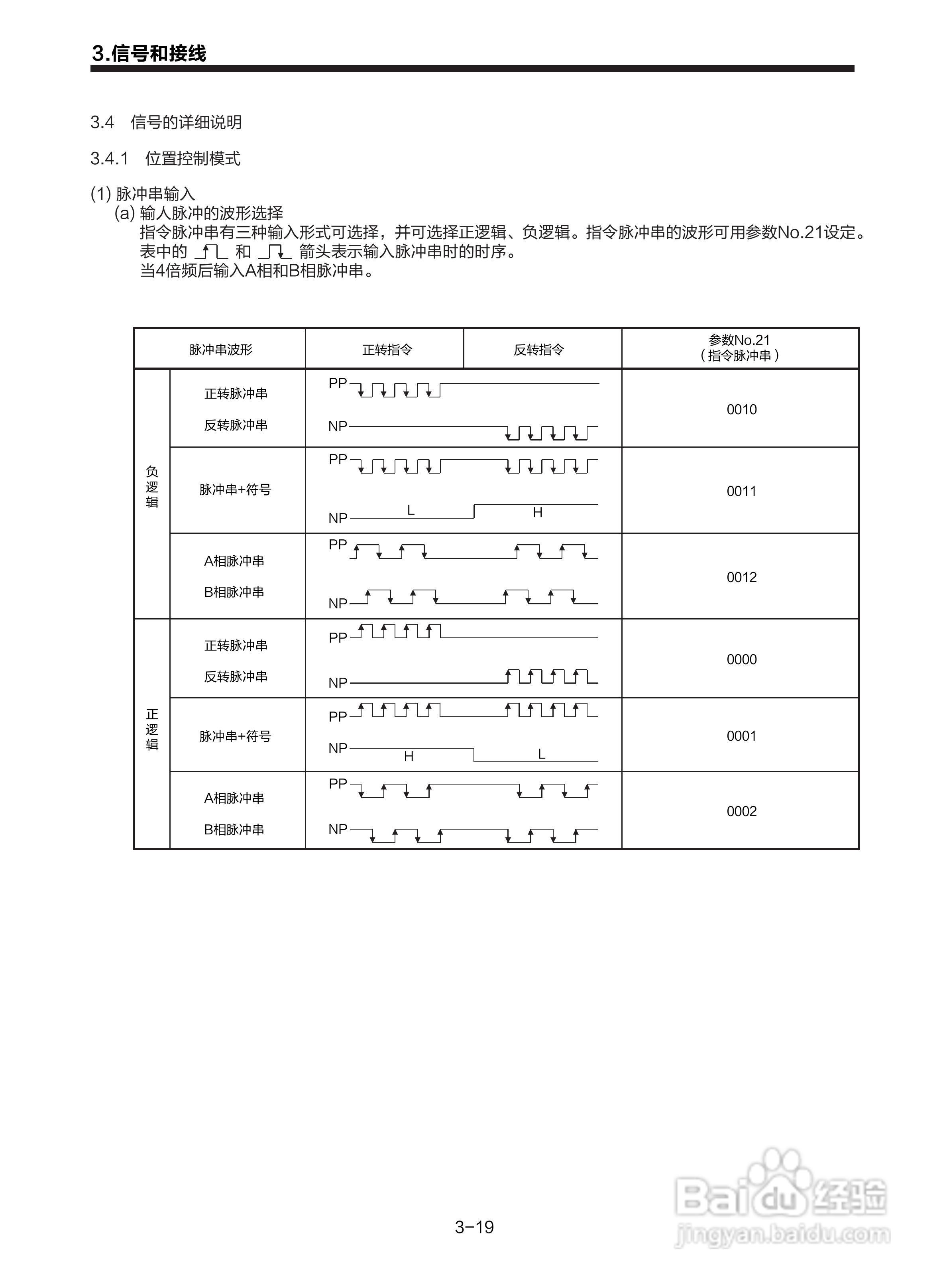
本篇为《三菱 MR-E-□A-KH003 MR-E-□AG-KH003通用交流伺服接》,主要介绍该产品的使用方法以及常见故障解决方案。
(共篇)
上一篇:
|
下一篇:
声明:
本网站引用、摘录或转载内容仅供网站访问者交流或参考,不代表本站立场,如存在版权或非法内容,请联系站长删除,联系邮箱:site.kefu@qq.com。
相关推荐
三菱 MR-E-□A-KH003 MR-E-□AG-KH003通用交流伺服接:[15]
阅读量:94
三菱 MR-E-□A-KH003 MR-E-□AG-KH003通用交流伺服接:[20]
阅读量:182
三菱plc红绿灯设计
阅读量:146
三菱 MR-E-□A-KH003 MR-E-□AG-KH003通用交流伺服接:[28]
阅读量:82
三菱 MR-E-□A-KH003 MR-E-□AG-KH003通用交流伺服接:[22]
阅读量:153
猜你喜欢
车全险包括什么
祝福语录
thriller什么意思
最简单的祝福语一句话
益母草膏什么时候吃
什么地方开口说话要付钱
赶脚是什么意思
家庭装修用什么水管
crowd是什么意思
衣衫褴褛是什么意思
猜你喜欢
climate是什么意思
楹联的意思
云淡风轻是什么意思
祝福生日的话
豆蔻年华是什么意思
现在有什么游戏好玩
两融余额是什么意思
obvious什么意思
什么牌子的护手霜好
去香港买什么面膜好