指南生活
首页
美食营养
手工爱好
生活家居
返回
指南生活
首页
美食营养
游戏数码
手工爱好
生活家居
健康养生
运动户外
职场理财
情感交际
母婴教育
时尚美容
知识问答
生活知识
生活百科
搜索
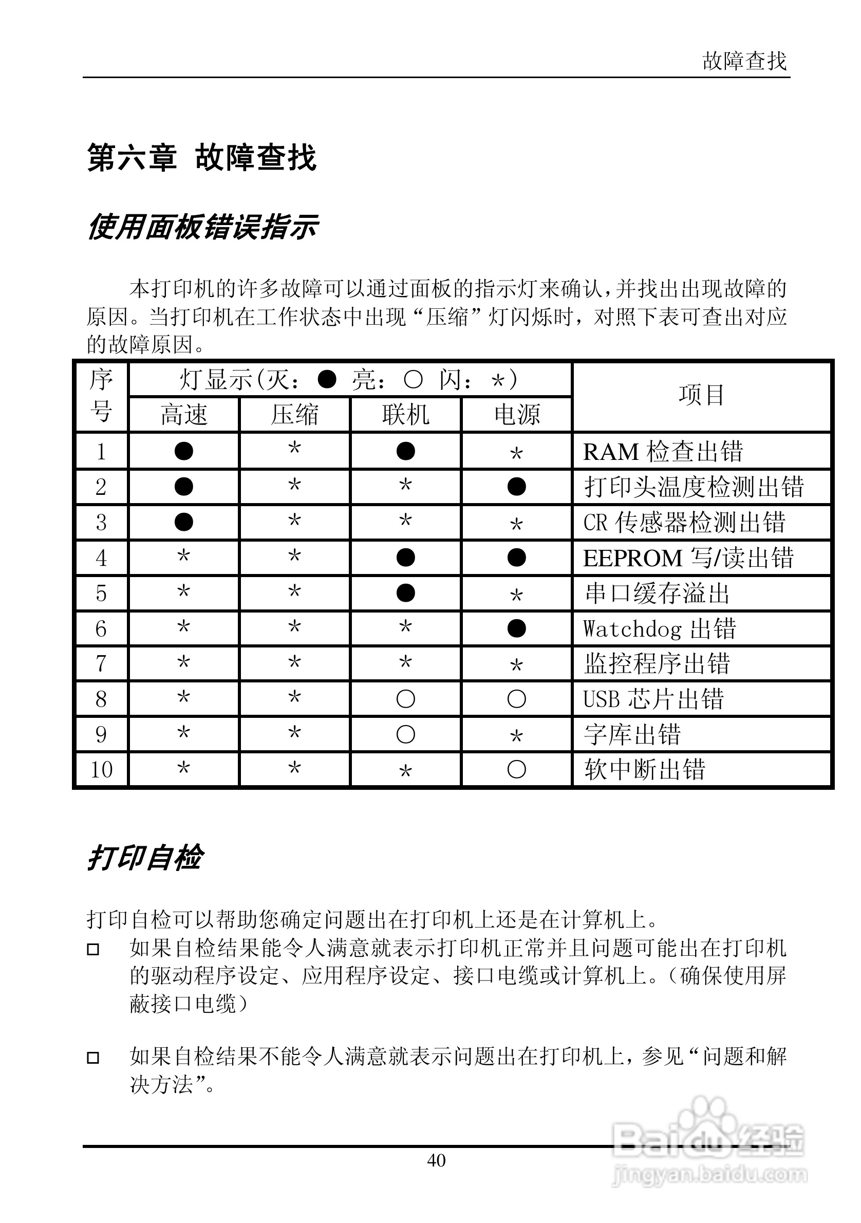
实达票据打印机BP-650KII使用手册:[5]
2026-04-17 02:38:19
本篇为《实达票据打印机BP-650KII使用手册》,主要介绍该产品的使用方法以及常见故障解决方案。
(共篇)
上一篇:
|
下一篇:
声明:
本网站引用、摘录或转载内容仅供网站访问者交流或参考,不代表本站立场,如存在版权或非法内容,请联系站长删除,联系邮箱:site.kefu@qq.com。
相关推荐
实达票据打印机BP-650KII使用手册:[2]
阅读量:126
实达票据打印机BP-650KII使用手册:[7]
阅读量:20
实达BP-1650K打印机使用手册:[5]
阅读量:170
实达BP-1650K打印机使用手册:[6]
阅读量:110
实达BP-1650K打印机使用手册:[7]
阅读量:184
猜你喜欢
微信运动怎么开启
衣服掉色怎么办
绿豆芽怎么炒好吃
信用卡怎么用最划算
few怎么读
宫颈纳氏囊肿怎么治疗
怎么下载电视剧
微信图片过期怎么恢复
经常流鼻血是怎么回事
自评怎么写
猜你喜欢
血压低怎么调理
子怎么读
ps怎么复制图层
股票走势图怎么看
验血报告单怎么看
市场占有率怎么算
长春花怎么养
去的笔顺怎么写
京东怎么取消订单
怎么刻盘