指南生活
首页
美食营养
手工爱好
生活家居
返回
指南生活
首页
美食营养
游戏数码
手工爱好
生活家居
健康养生
运动户外
职场理财
情感交际
母婴教育
时尚美容
知识问答
生活知识
搜索
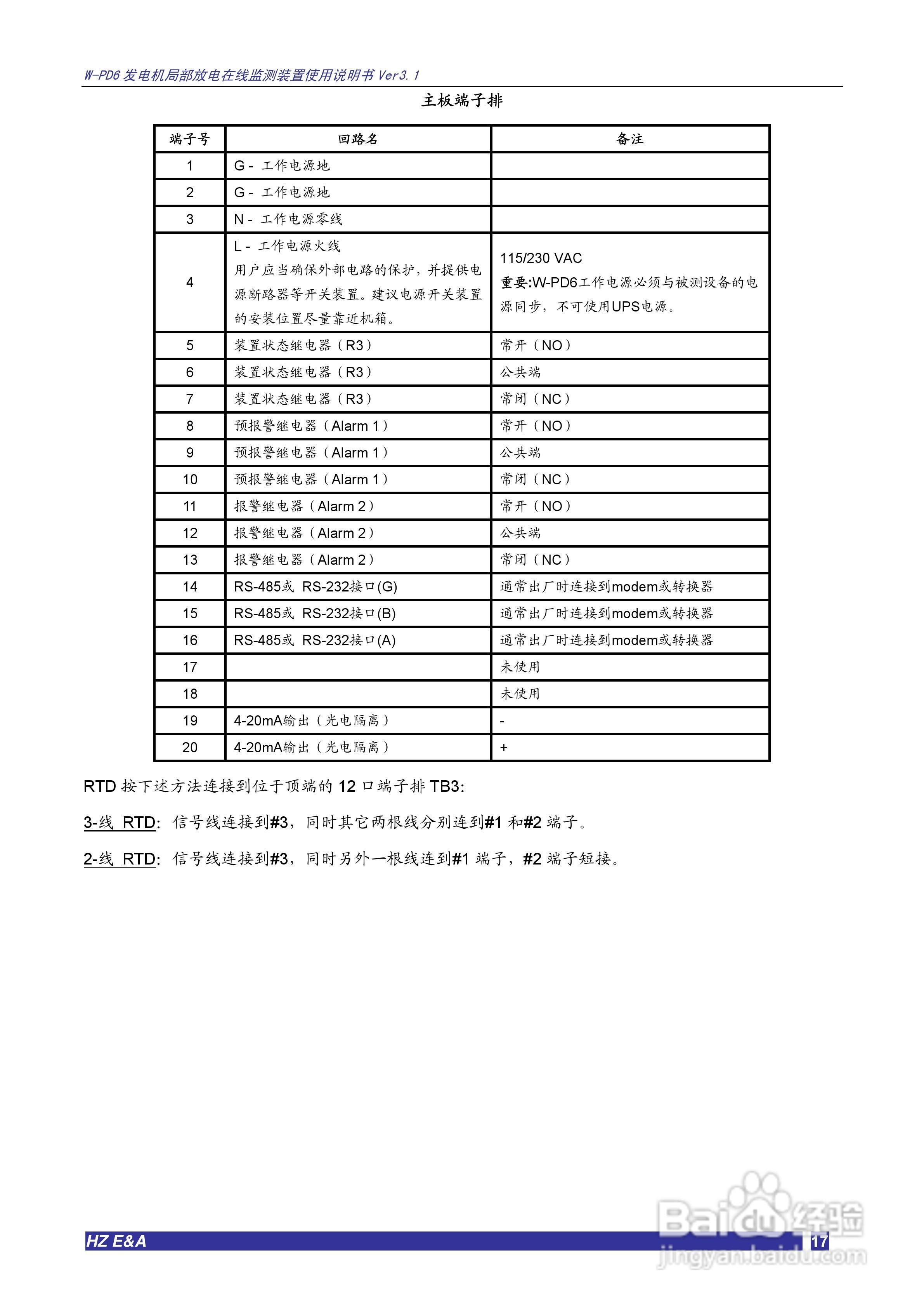
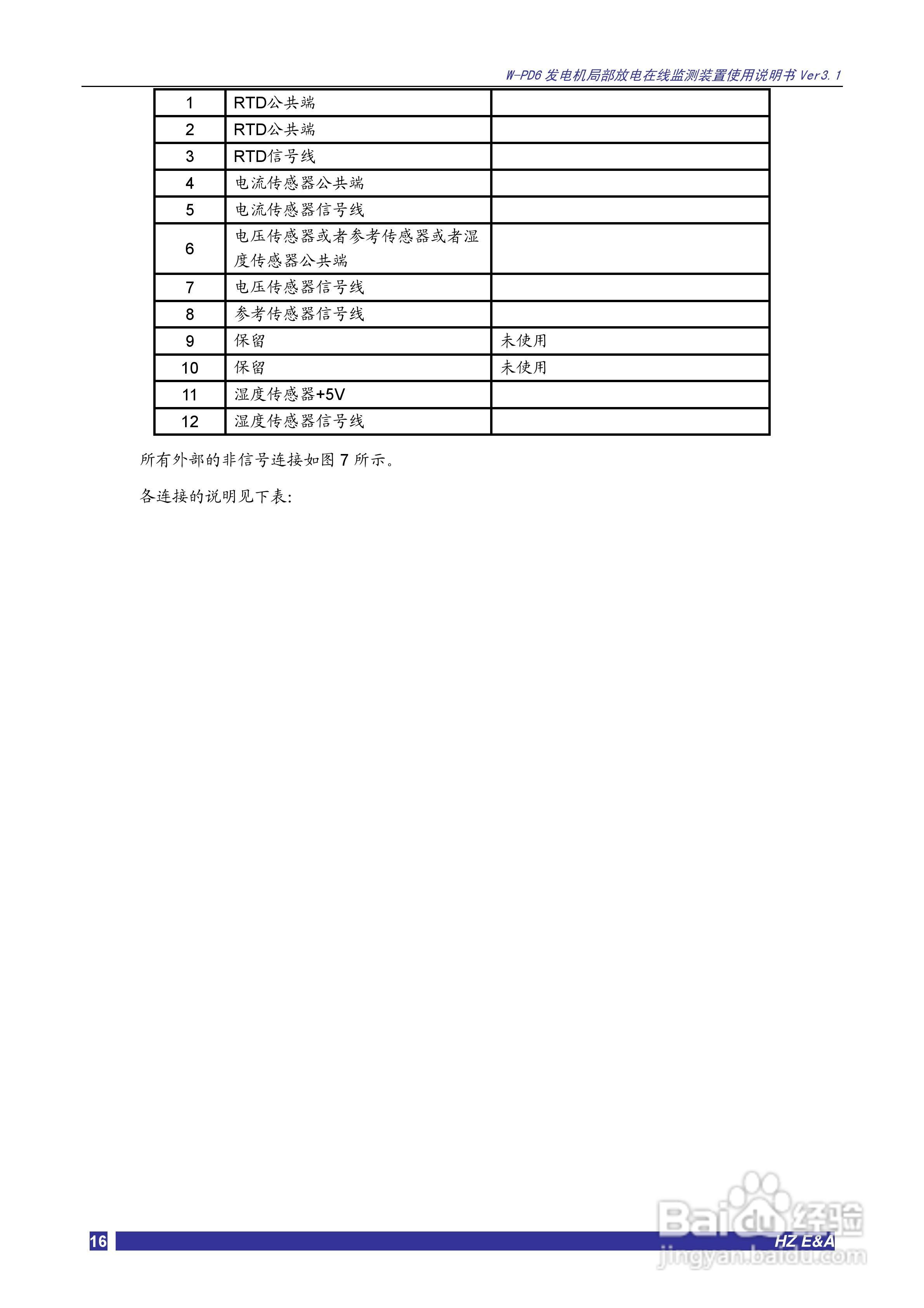
W-PD6发电机局部放电在线监测装置说明书V3.3:[2]
2025-12-28 18:57:00
本篇为《W-PD6发电机局部放电在线监测装置说明书V3.3》,主要介绍该产品的使用方法以及常见故障解决方案。
(共篇)
上一篇:
|
下一篇:
声明:
本网站引用、摘录或转载内容仅供网站访问者交流或参考,不代表本站立场,如存在版权或非法内容,请联系站长删除,联系邮箱:site.kefu@qq.com。
相关推荐
发电机转子轴磨损在线修复经验方法
阅读量:175
W-PD60发电机局部放电在线监测装置说明书V3.1:[3]
阅读量:118
W-PD60发电机局部放电在线监测装置说明书V3.1:[4]
阅读量:25
700千瓦济柴发电机价格
阅读量:116
发电机检修规程(下)
阅读量:35
猜你喜欢
1是什么意思
海信手机怎么刷机
涵字取名的寓意是什么
瑞麒g6怎么样
如何看成交量
家长如何教育高中生
问道法宝亲密度怎么刷
如何申请邮箱
庶女古代好生活手札
房屋转让合同怎么写
猜你喜欢
mm是什么意思
磁盘保护怎么解除
网银是什么
行政职务怎么填
qq如何设置自动回复
如何让ppt自动播放
不良记录怎么消除
穿越女的星际生活
口腔溃疡怎么办最快最有效的方法
如何提高销售技巧