指南生活
首页
美食营养
手工爱好
生活家居
返回
指南生活
首页
美食营养
游戏数码
手工爱好
生活家居
健康养生
运动户外
职场理财
情感交际
母婴教育
时尚美容
知识问答
生活知识
搜索
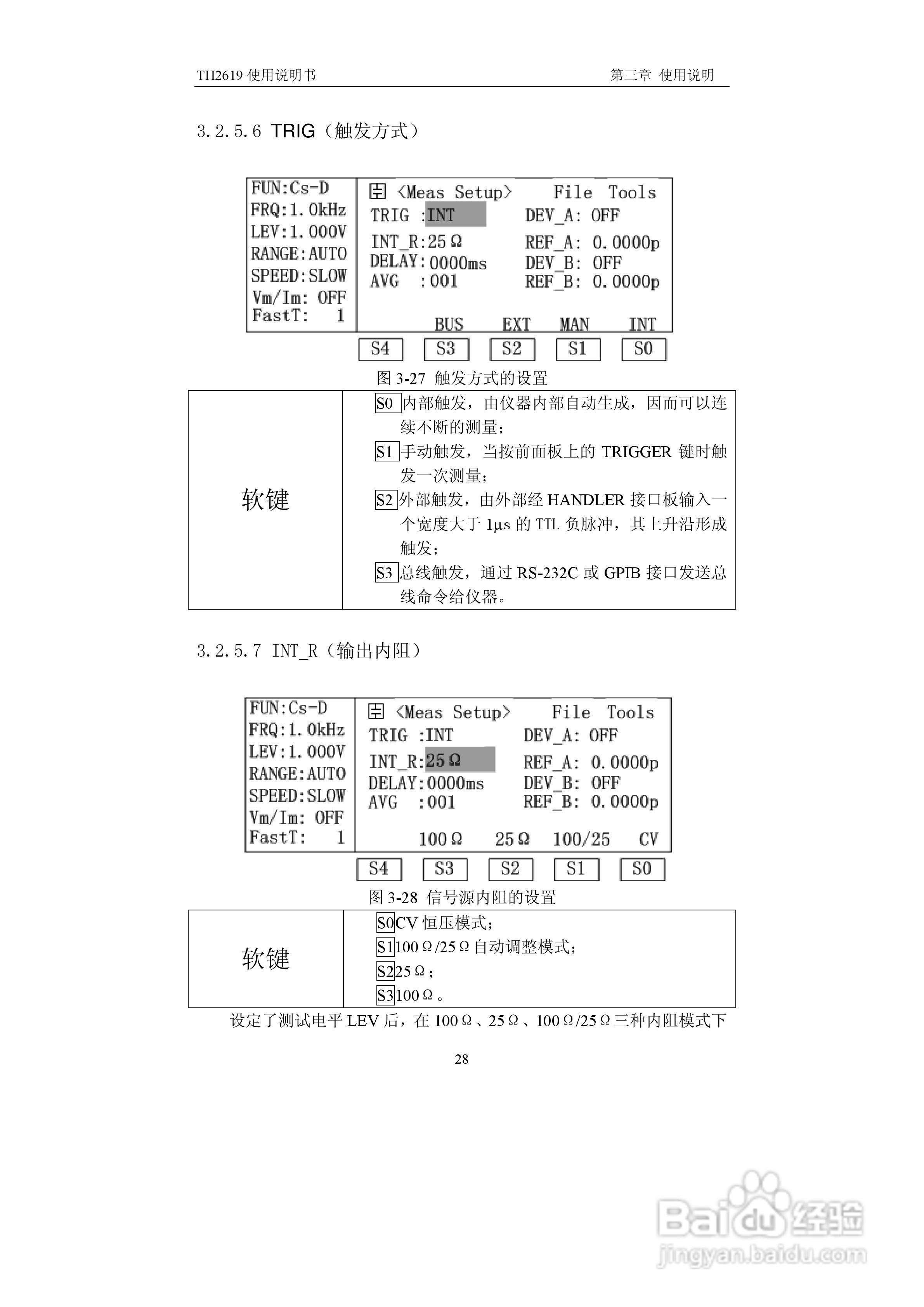
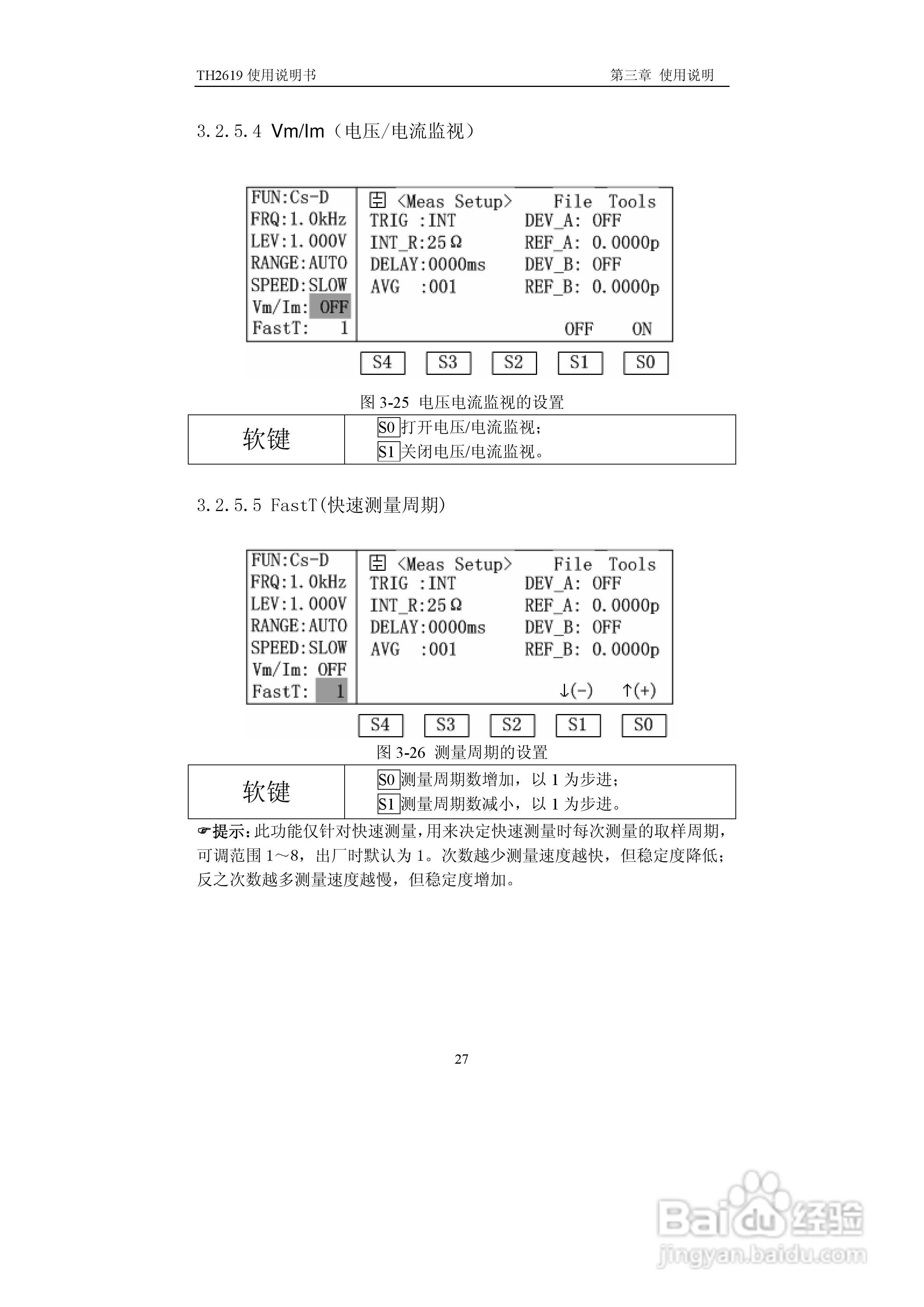
锦流源电子TH2619大电容测试仪说明书:[4]
2026-03-17 02:55:16
本篇为《锦流源电子TH2619大电容测试仪说明书》,主要介绍该产品的使用方法以及常见故障解决方案。
(共篇)
上一篇:
|
下一篇:
声明:
本网站引用、摘录或转载内容仅供网站访问者交流或参考,不代表本站立场,如存在版权或非法内容,请联系站长删除,联系邮箱:site.kefu@qq.com。
相关推荐
锦流源电子TH2619大电容测试仪说明书:[11]
阅读量:102
锦流源电子TH2776电感测试仪说明书:[4]
阅读量:100
锦流源电子TH2776电感测试仪说明书:[5]
阅读量:51
锦流源电子TH2776电感测试仪说明书:[6]
阅读量:55
锦流源电子TH2776电感测试仪说明书:[2]
阅读量:44
猜你喜欢
斐济在哪里
马尔代夫旅游报价
穆柯寨在哪里
爱心桃怎么折
021是哪里的区号
山东旅游职业
儿童节快乐用英语怎么说
轮胎怎么保养
银行预留手机号码怎么改
长沙有什么旅游景点
猜你喜欢
香港澳门旅游
韩电洗衣机怎么样
十月份去哪里旅游好
voiceover怎么关闭
合肥旅游地图
河南科技学院怎么样
科雷傲怎么样
发朋友圈早安的句子
耻骨在哪里
如何安装字体