指南生活
首页
美食营养
手工爱好
生活家居
返回
指南生活
首页
美食营养
游戏数码
手工爱好
生活家居
健康养生
运动户外
职场理财
情感交际
母婴教育
时尚美容
知识问答
生活知识
搜索
FATEK FID-E2-425-43变频器使用手册:[13]
2026-03-20 03:26:38
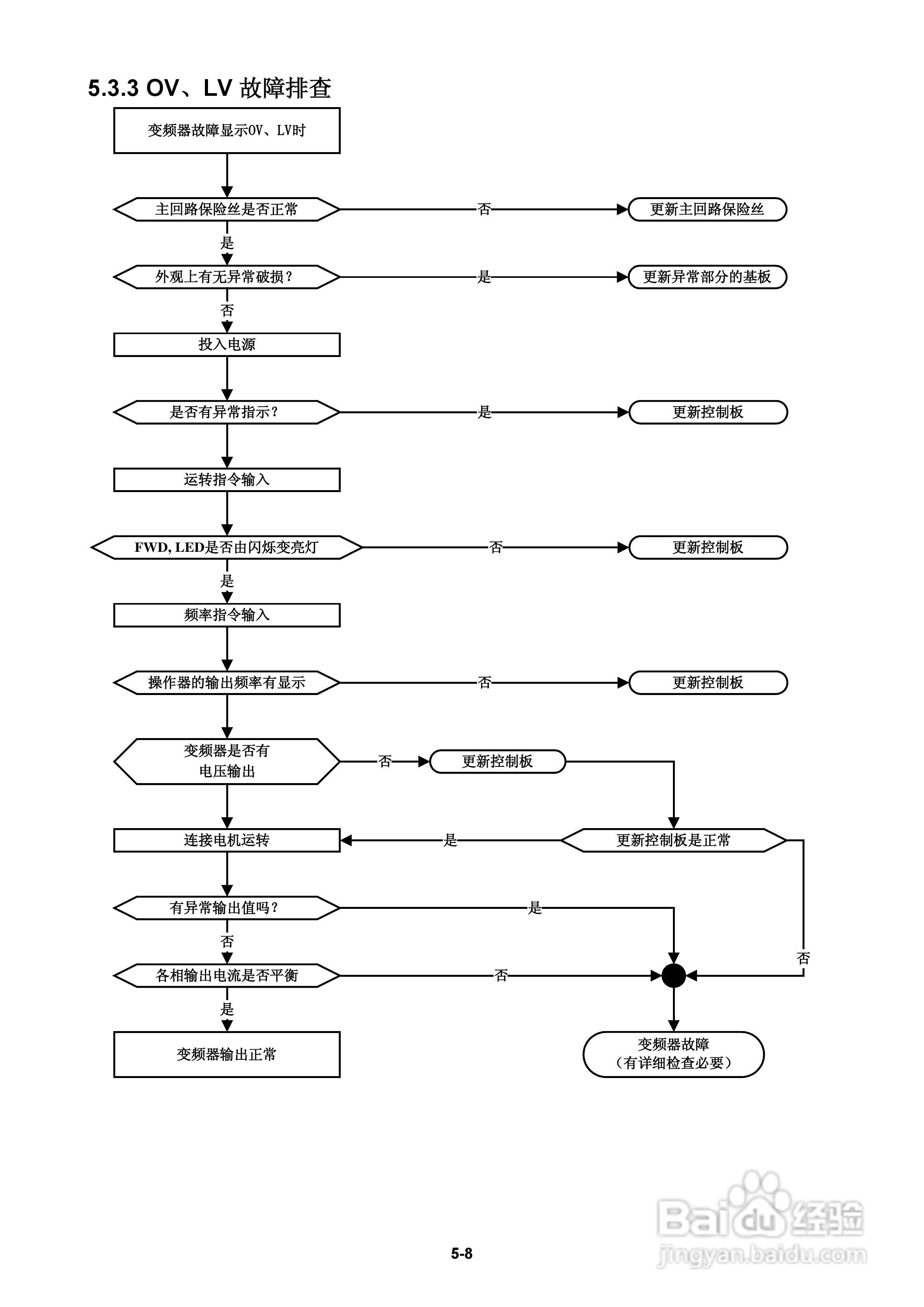
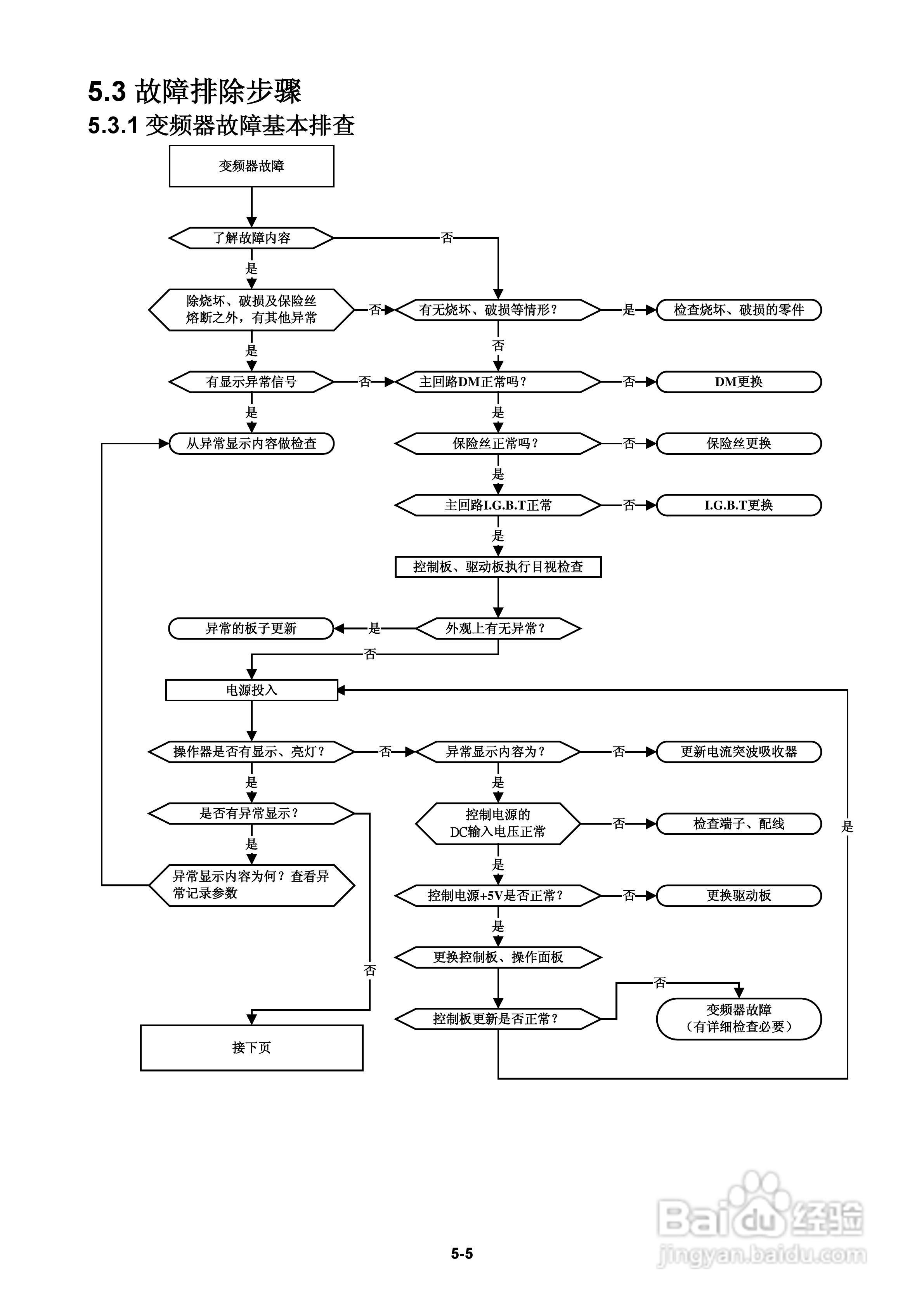
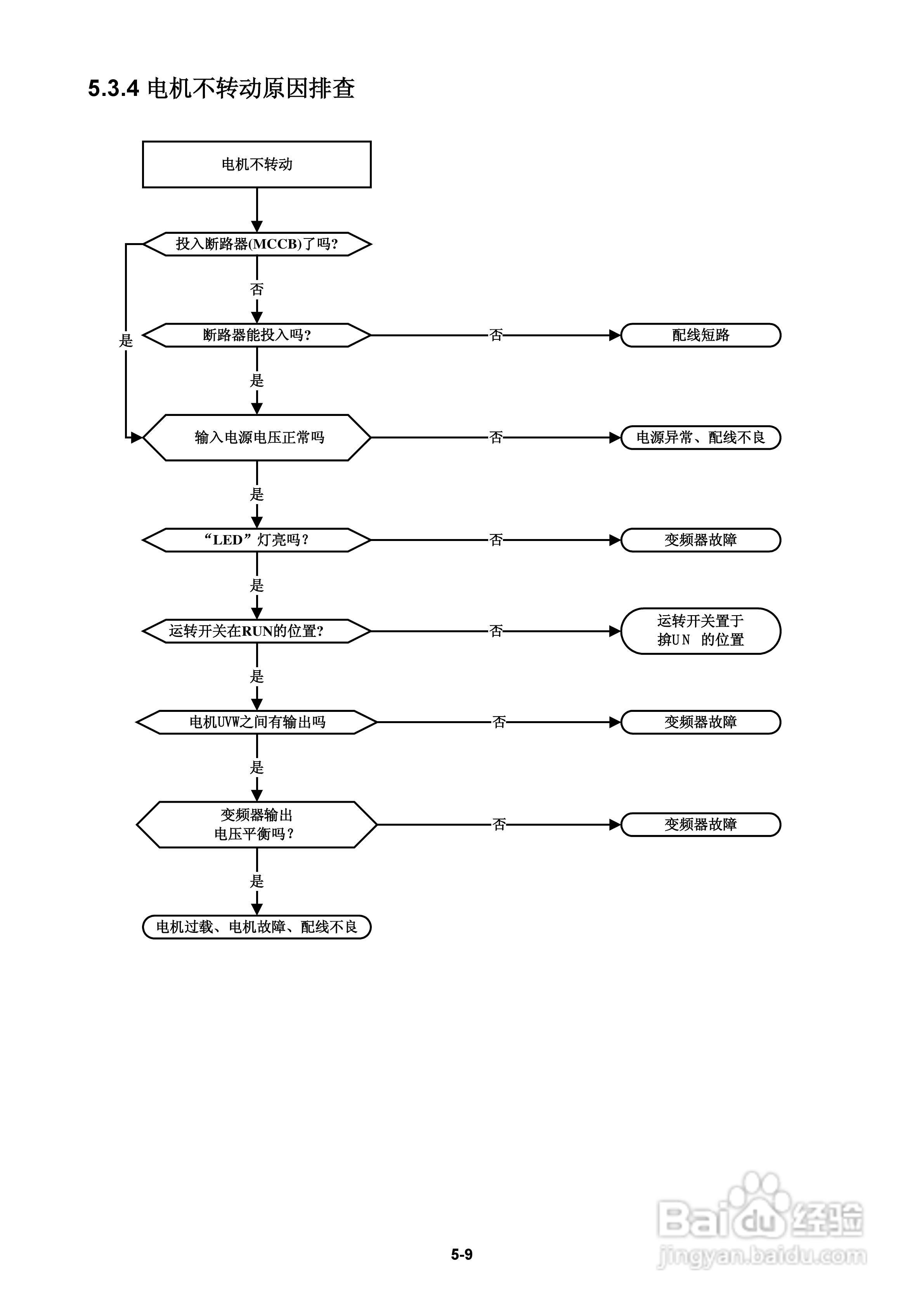
本篇为《FATEK FID-E2-425-43变频器使用手册》,主要介绍该产品的使用方法以及常见故障解决方案。
(共篇)
上一篇:
|
下一篇:
声明:
本网站引用、摘录或转载内容仅供网站访问者交流或参考,不代表本站立场,如存在版权或非法内容,请联系站长删除,联系邮箱:site.kefu@qq.com。
相关推荐
FATEK FID-E2-425-43变频器使用手册:[14]
阅读量:45
FATEK FID-E2-425-43变频器使用手册:[15]
阅读量:184
FATEK FID-E1-004-23变频器使用说明书:[2]
阅读量:112
FATEK FID-L2-022-21变频器使用说明书:[3]
阅读量:179
FATEK FID-S1-015-21变频器使用说明书:[2]
阅读量:98
猜你喜欢
什么补血
老司机是什么意思
smith是什么意思
乳环是什么
多梦是什么原因
梦到死人是什么意思
什么的果实
办暂住证需要什么材料
银行代码是什么
梦中的梦中梦中人的梦中是什么歌
猜你喜欢
frog是什么意思
送老师什么花
瑞思拜什么意思
肾结石有什么症状
伏特加是什么酒
喉咙痒是什么原因
干股是什么意思
颓废是什么意思
称赞的近义词是什么
塔楼是什么意思