指南生活
首页
美食营养
手工爱好
生活家居
返回
指南生活
首页
美食营养
游戏数码
手工爱好
生活家居
健康养生
运动户外
职场理财
情感交际
母婴教育
时尚美容
知识问答
生活知识
搜索
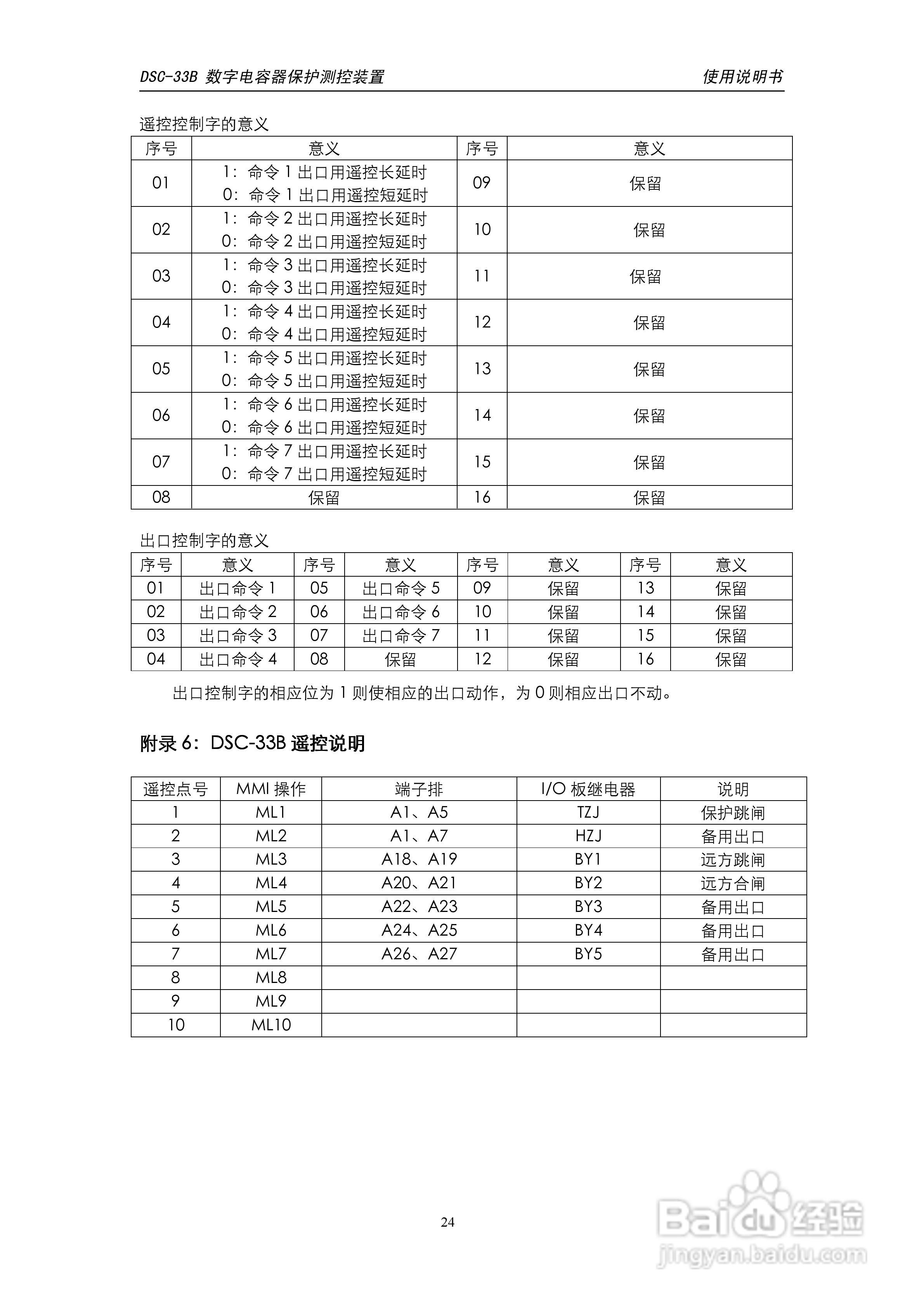
天能DSC-33B数字电容器保护测控装置使用说明书:[3]
2026-02-20 13:21:12
本篇为《天能DSC-33B数字电容器保护测控装置使用说明书》,主要介绍该产品的使用方法以及常见故障解决方案。
(共篇)
上一篇:
|
下一篇:
声明:
本网站引用、摘录或转载内容仅供网站访问者交流或参考,不代表本站立场,如存在版权或非法内容,请联系站长删除,联系邮箱:site.kefu@qq.com。
相关推荐
天能DSC-33B数字电容器保护测控装置使用说明书:[4]
阅读量:59
天能DSC-32B数字电容器保护测控装置使用说明书:[3]
阅读量:37
天能DSC-32B数字电容器保护测控装置使用说明书:[2]
阅读量:196
天能DSC-31B数字电容器保护测控装置使用说明书:[3]
阅读量:185
天能DSC-31B数字电容器保护测控装置使用说明书:[2]
阅读量:182
猜你喜欢
基围虾怎么做好吃
涂眼霜的正确方法图
香港马会资料大全
辣豆腐的家常做法
葡萄干怎么洗
滚筒洗衣机清洗方法
乳腺囊肿的治疗方法
调研方法
数字代表的意思大全
眼睛长了麦粒肿怎么办
猜你喜欢
打鼾的自我治疗方法
方法论
酱牛肉的家常做法
吻胸摸腿办公视频大全
芹菜怎么做好吃
网上赚钱方法
包粽子的方法
找人怎么找
经典相声大全
二四六天天好彩免费资料大全