指南生活
首页
美食营养
手工爱好
生活家居
返回
指南生活
首页
美食营养
游戏数码
手工爱好
生活家居
健康养生
运动户外
职场理财
情感交际
母婴教育
时尚美容
知识问答
生活知识
搜索
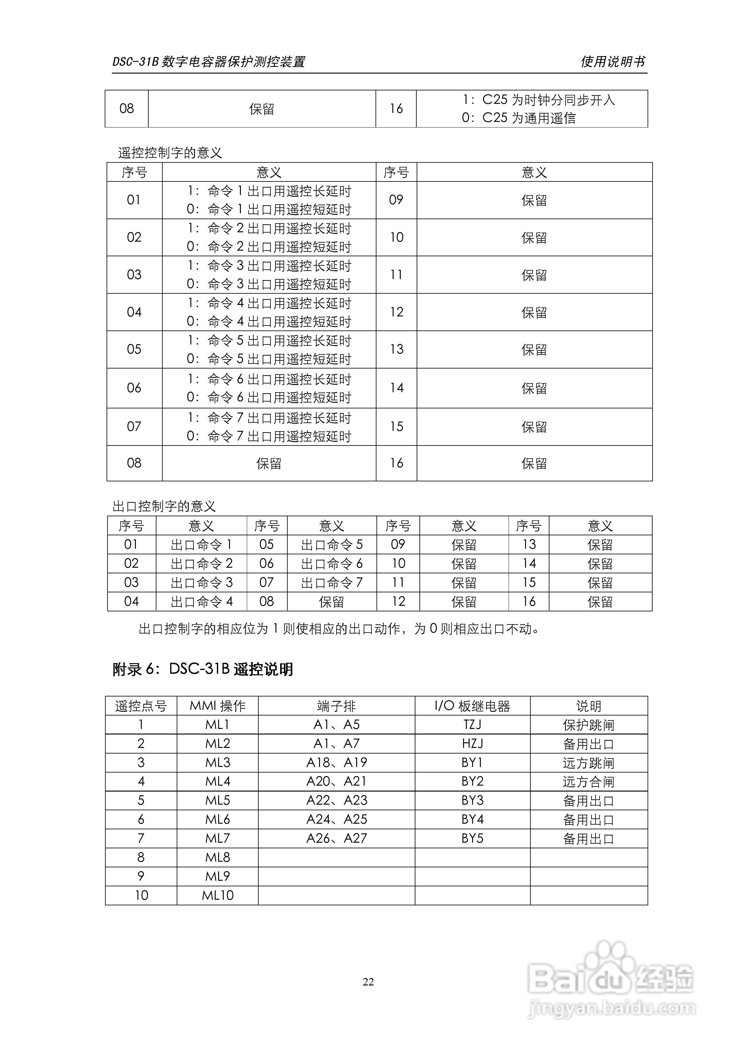
天能DSC-31B数字电容器保护测控装置使用说明书:[3]
2026-02-20 14:16:22
本篇为《天能DSC-31B数字电容器保护测控装置使用说明书》,主要介绍该产品的使用方法以及常见故障解决方案。
(共篇)
上一篇:
声明:
本网站引用、摘录或转载内容仅供网站访问者交流或参考,不代表本站立场,如存在版权或非法内容,请联系站长删除,联系邮箱:site.kefu@qq.com。
相关推荐
天能DSC-31B数字电容器保护测控装置使用说明书:[2]
阅读量:175
天能DSC-32B数字电容器保护测控装置使用说明书:[3]
阅读量:106
天能DSC-32B数字电容器保护测控装置使用说明书:[1]
阅读量:164
天能DSC-33B数字电容器保护测控装置使用说明书:[2]
阅读量:158
天能DSC-33B数字电容器保护测控装置使用说明书:[1]
阅读量:169
猜你喜欢
糖果图片大全
辣子鸡的家常做法
辣椒的腌制方法
赵四小品搞笑大全高清
橡皮泥干了怎么办
机顶盒怎么用
大便干燥怎么调理
锦旗感谢用语大全
日本做暖暖大全免费超长
宝宝断奶的最佳方法
猜你喜欢
我的世界狼怎么驯服
哑铃的正确锻炼方法
去痘痘的方法
煮方便面怎么做好吃
七言绝句古诗大全
凉拌腐竹的家常做法
历史研究方法
修辞方法
欧利时手表怎么样
无线密码忘记了怎么办