指南生活
首页
美食营养
手工爱好
生活家居
返回
指南生活
首页
美食营养
游戏数码
手工爱好
生活家居
健康养生
运动户外
职场理财
情感交际
母婴教育
时尚美容
知识问答
生活知识
生活百科
搜索
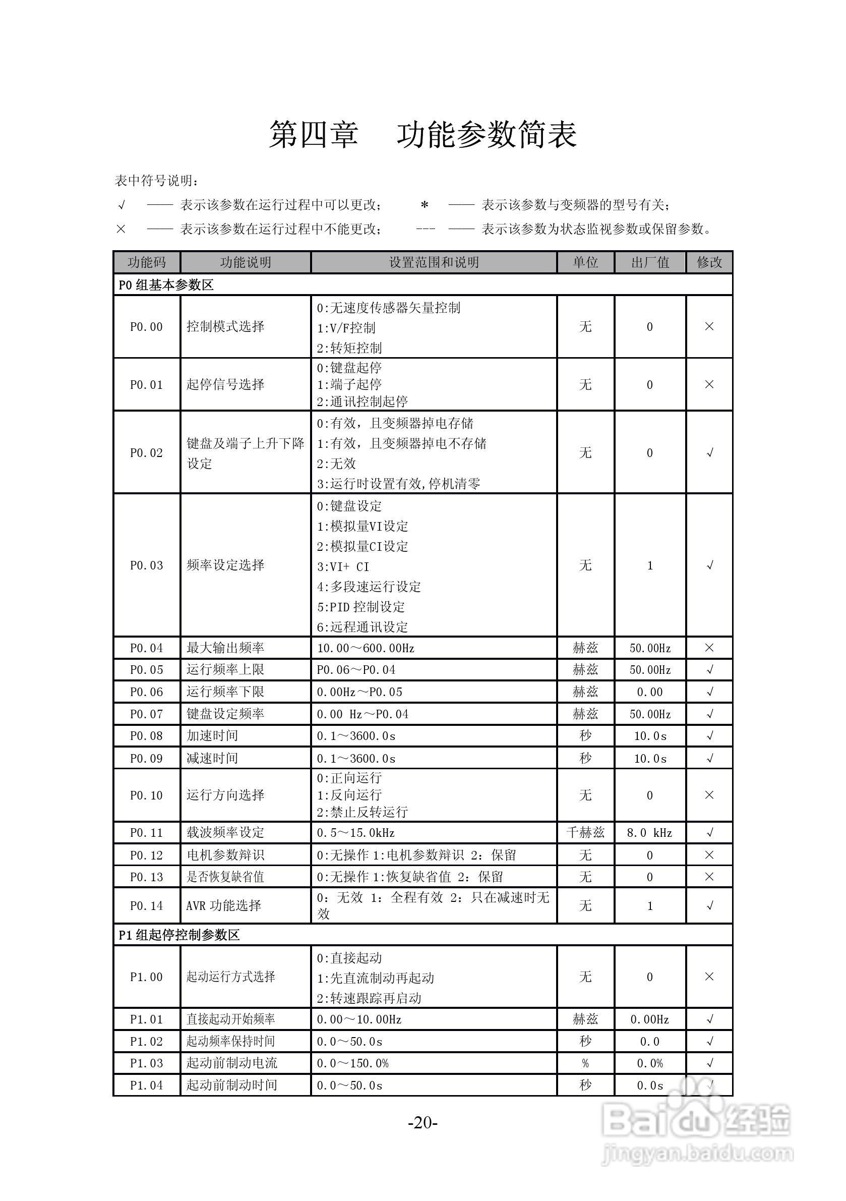
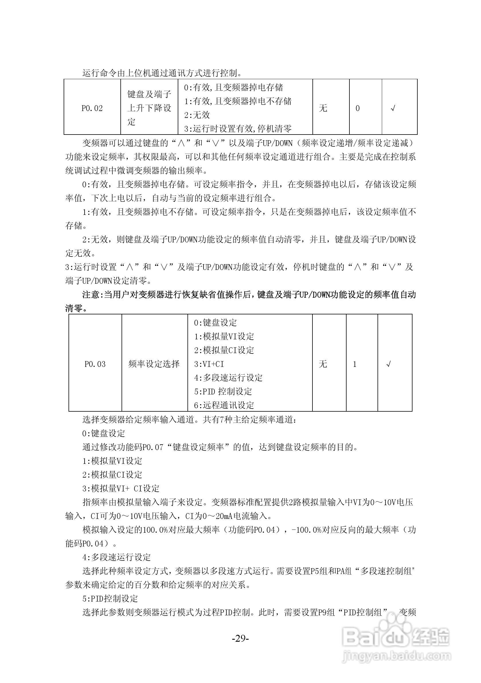
沃森VSI100-G4T6300变频器使用说明书:[3]
2026-04-26 23:18:34
本篇为《沃森VSI100-G4T6300变频器使用说明书》,主要介绍该产品的使用方法以及常见故障解决方案。
(共篇)
上一篇:
|
下一篇:
声明:
本网站引用、摘录或转载内容仅供网站访问者交流或参考,不代表本站立场,如存在版权或非法内容,请联系站长删除,联系邮箱:site.kefu@qq.com。
相关推荐
沃森VSI100-G2S0004变频器使用说明书:[6]
阅读量:122
沃森VSI100-G2S0004变频器使用说明书:[5]
阅读量:54
沃森VD100-4T-3.7GB变频器使用说明书:[3]
阅读量:119
沃森VD100-4T-3.7GB变频器使用说明书:[1]
阅读量:63
沃森VD100-4T-3.7GB变频器使用说明书:[4]
阅读量:94
猜你喜欢
数字媒体应用技术专业学什么
重申是什么意思
什么是表现手法
贷款需要什么条件
吃海参有什么好处
oa是什么
长脸适合什么眉形
肺气肿是什么病严重吗
无线桥接是什么意思
copy什么意思
猜你喜欢
院士是什么级别的干部
守宫砂是什么
惨绿少年什么意思
七一什么节
脖子上有痣代表什么
crm是什么意思
显卡在电脑什么位置
染色体是什么
逆袭是什么意思
kol什么意思