指南生活
首页
美食营养
手工爱好
生活家居
返回
指南生活
首页
美食营养
游戏数码
手工爱好
生活家居
健康养生
运动户外
职场理财
情感交际
母婴教育
时尚美容
知识问答
生活知识
生活百科
搜索
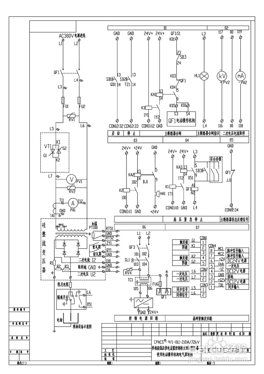
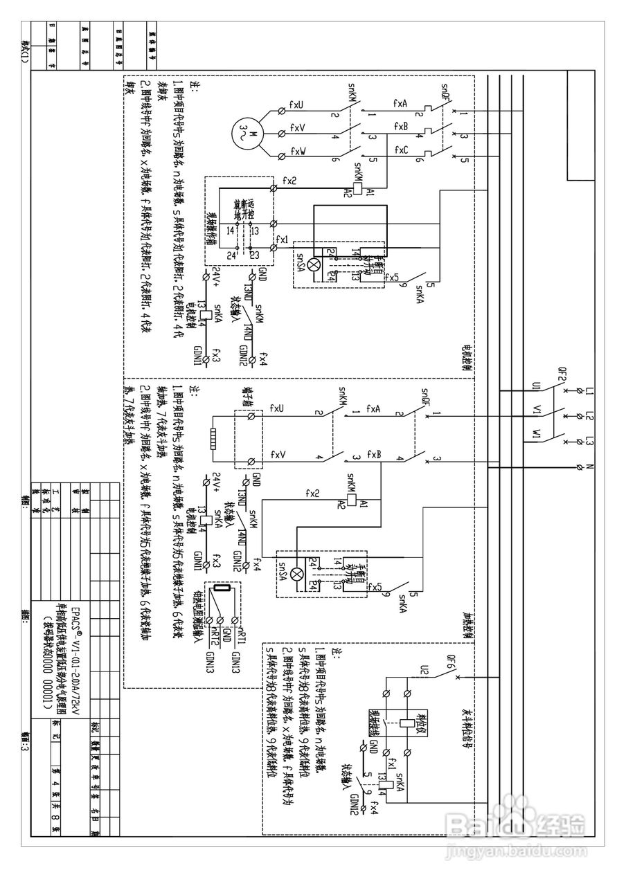
德维EPACS-V1单相电源说明书1.3版:[4]
2026-03-26 15:06:54
本篇为《德维EPACS-V1单相电源说明书1.3版》,主要介绍该产品的使用方法以及常见故障解决方案。
(共篇)
上一篇:
声明:
本网站引用、摘录或转载内容仅供网站访问者交流或参考,不代表本站立场,如存在版权或非法内容,请联系站长删除,联系邮箱:site.kefu@qq.com。
相关推荐
德维EPACS-V1单相电源说明书1.3版:[3]
阅读量:137
德维200909低压电源说明书:[3]
阅读量:141
德维PACS-V/1电除尘用单相高低压供电装置/全电场智能:[4]
阅读量:82
德维PACS-V/1电除尘用单相高低压供电装置/全电场智能:[3]
阅读量:77
德维PACS-V/1电除尘用单相高低压供电装置/全电场智能:[1]
阅读量:135
猜你喜欢
戒色方法
牙疼怎么办 立刻止疼
睡不着觉怎么回事
鸡蛋羹的家常做法
瘦小腿最有效的方法
啤酒鸭的家常做法
枸杞种植方法
品胜电池怎么样
去斑最有效的方法
上海最好吃的蛋糕
猜你喜欢
饭店名字大全
名字大全
奇迹弓箭手怎么加点
古诗大全300首幼儿
a的平方怎么打
燃气灶打不着火原因和处理方法
司法局怎么样
安全标识标牌大全
去水印的方法
自动挡的车怎么起步