指南生活
首页
美食营养
手工爱好
生活家居
返回
指南生活
首页
美食营养
游戏数码
手工爱好
生活家居
健康养生
运动户外
职场理财
情感交际
母婴教育
时尚美容
知识问答
生活知识
生活百科
搜索
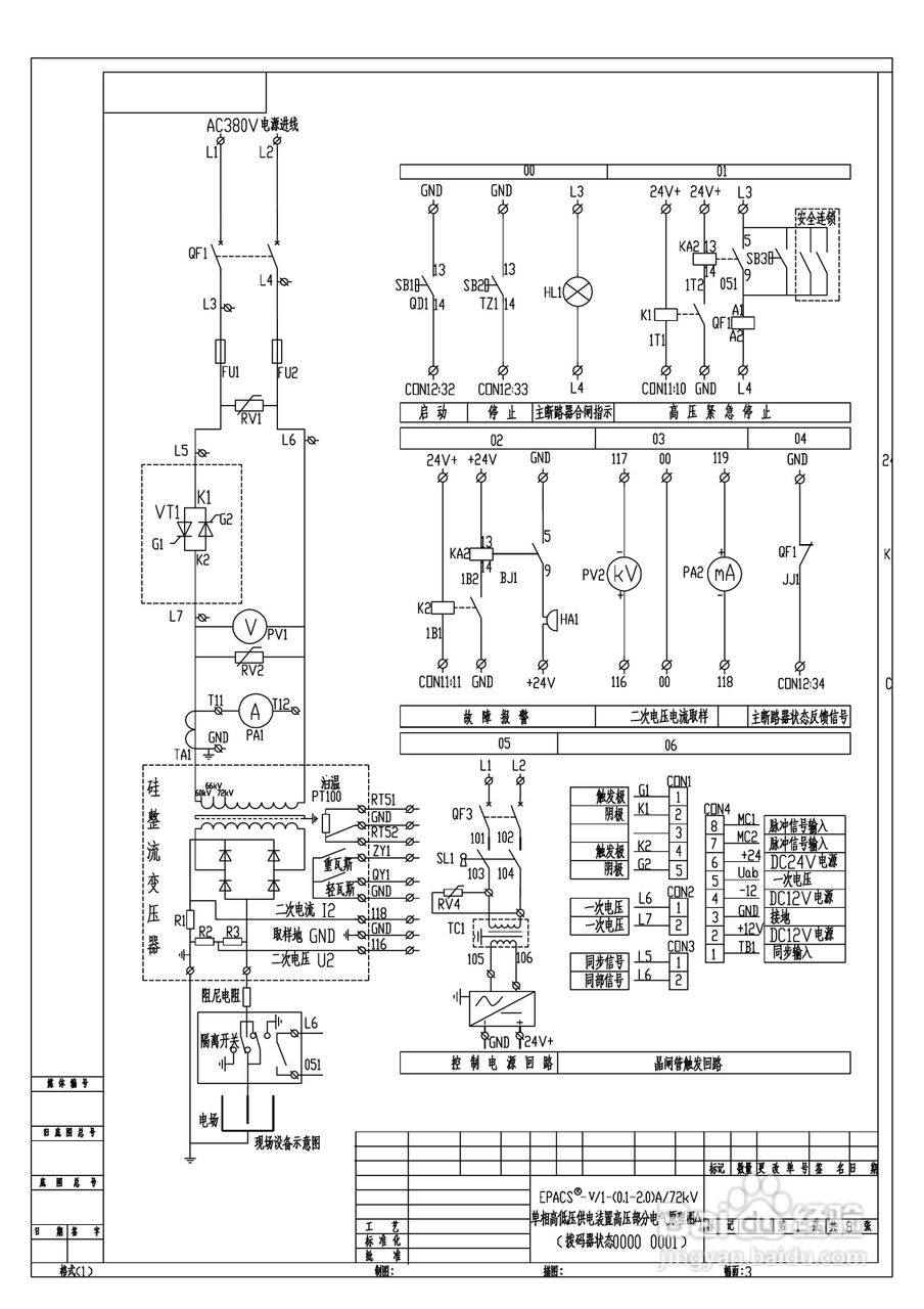
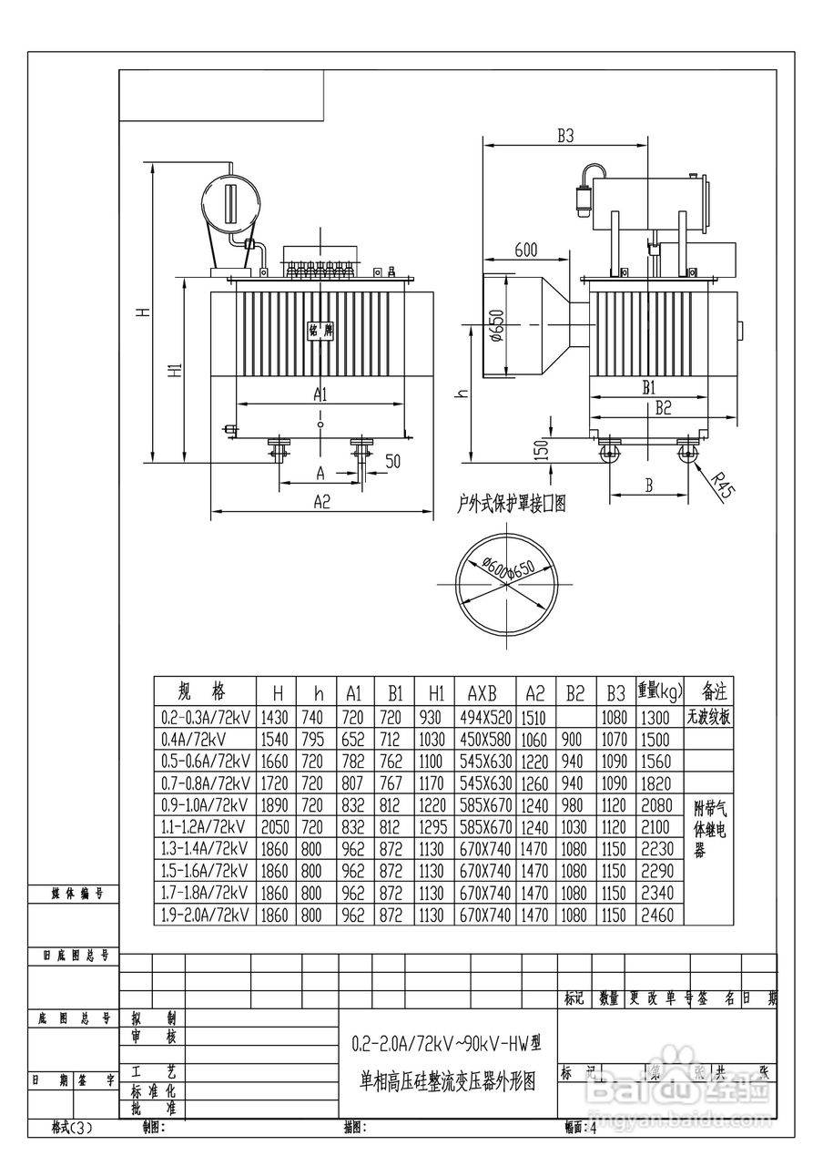
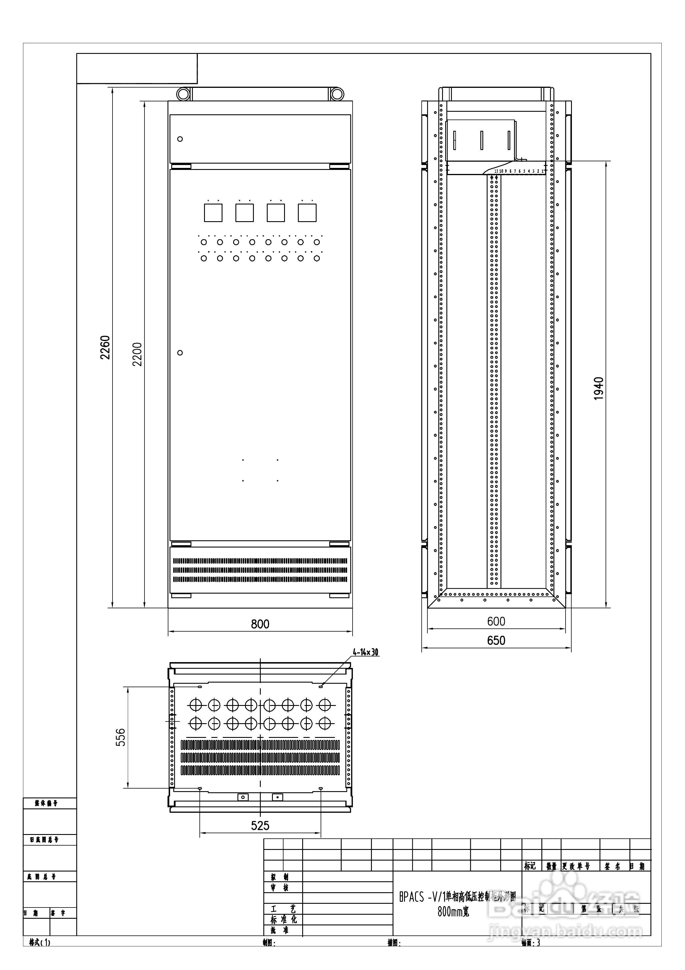
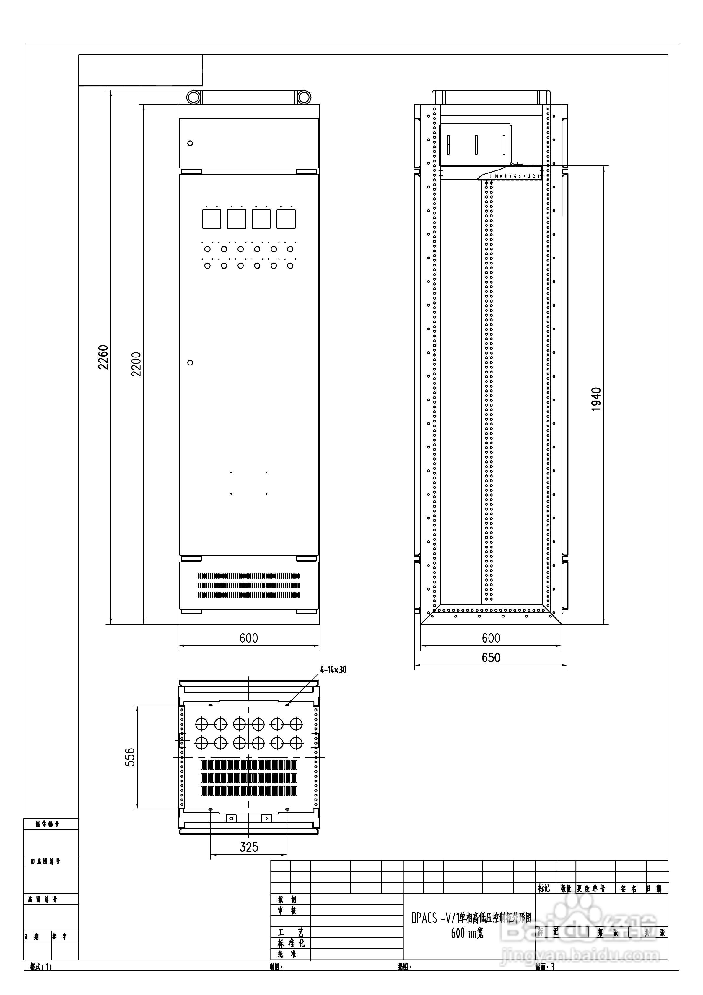
德维EPACS-V1单相电源说明书1.3版:[3]
2026-05-01 16:00:10
本篇为《德维EPACS-V1单相电源说明书1.3版》,主要介绍该产品的使用方法以及常见故障解决方案。
(共篇)
上一篇:
|
下一篇:
声明:
本网站引用、摘录或转载内容仅供网站访问者交流或参考,不代表本站立场,如存在版权或非法内容,请联系站长删除,联系邮箱:site.kefu@qq.com。
相关推荐
德维EPACS-V1单相电源说明书1.3版:[4]
阅读量:83
德维200909低压电源说明书:[3]
阅读量:154
德维PACS-V/1电除尘用单相高低压供电装置/全电场智能:[3]
阅读量:132
德维PACS-V/1电除尘用单相高低压供电装置/全电场智能:[4]
阅读量:77
德维PACS-V/1电除尘用单相高低压供电装置/全电场智能:[1]
阅读量:166
猜你喜欢
维生素c作用
天花粉的功效与作用
黑蜂蜜的作用与功效
石见穿的功效与作用
神曲的功效与作用
薰衣草的作用
互感器的作用
维生素b12的作用及功能
竹荪的功效与作用
知识产权侵权
猜你喜欢
什么时候买车最划算
食品的保质期是指它的什么
知识搜索
圈梁的作用
初一上册数学知识点
倾国倾城什么意思
炒黄豆的功效与作用
什么是股权激励
龙胆泻肝丸功效与作用
人不为己天诛地灭什么意思