指南生活
首页
美食营养
手工爱好
生活家居
返回
指南生活
首页
美食营养
游戏数码
手工爱好
生活家居
健康养生
运动户外
职场理财
情感交际
母婴教育
时尚美容
知识问答
生活知识
搜索
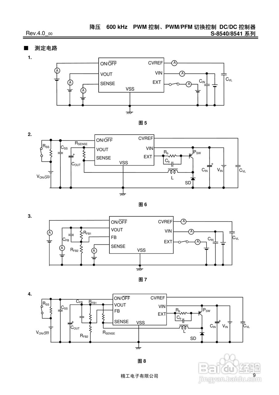
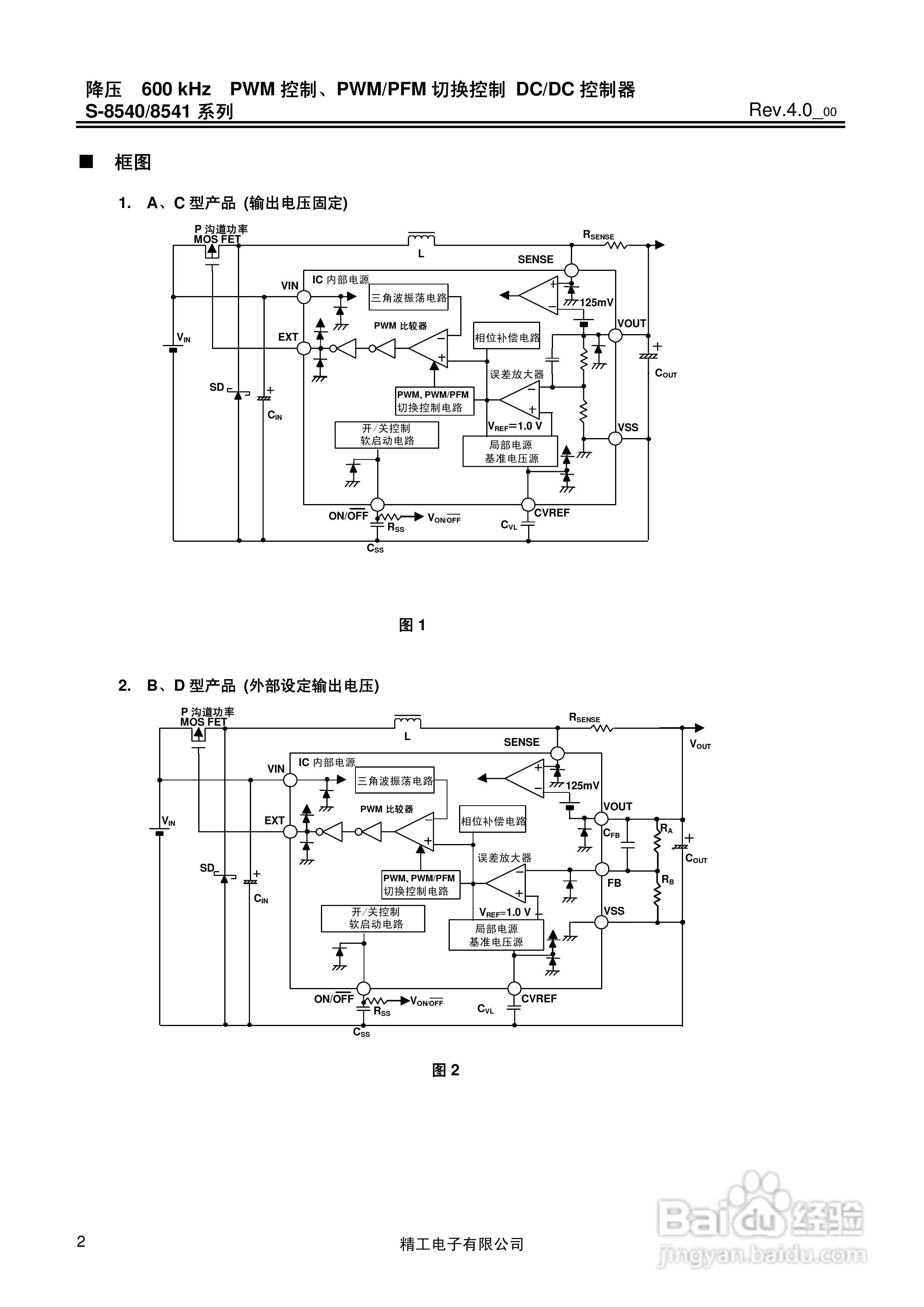
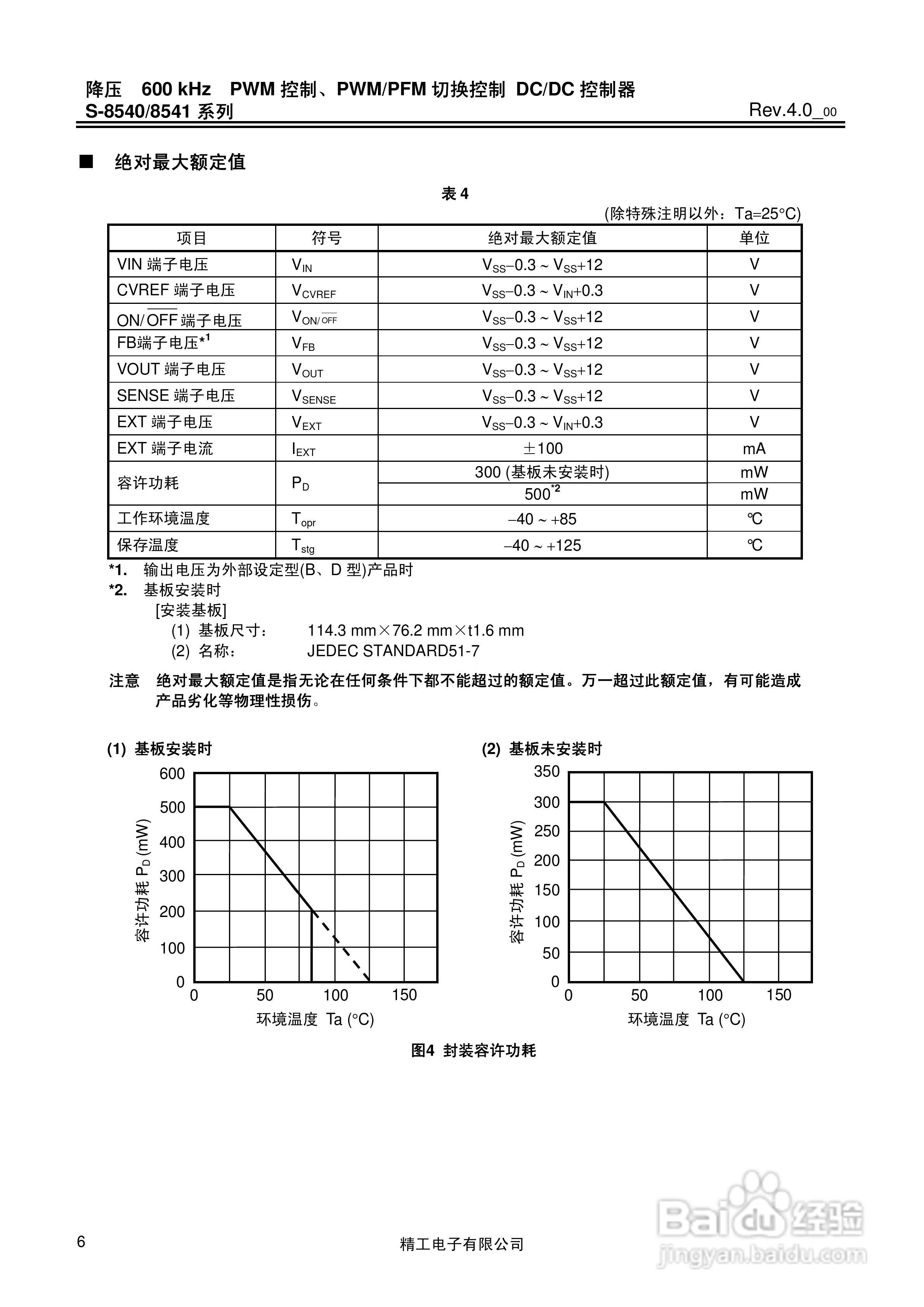
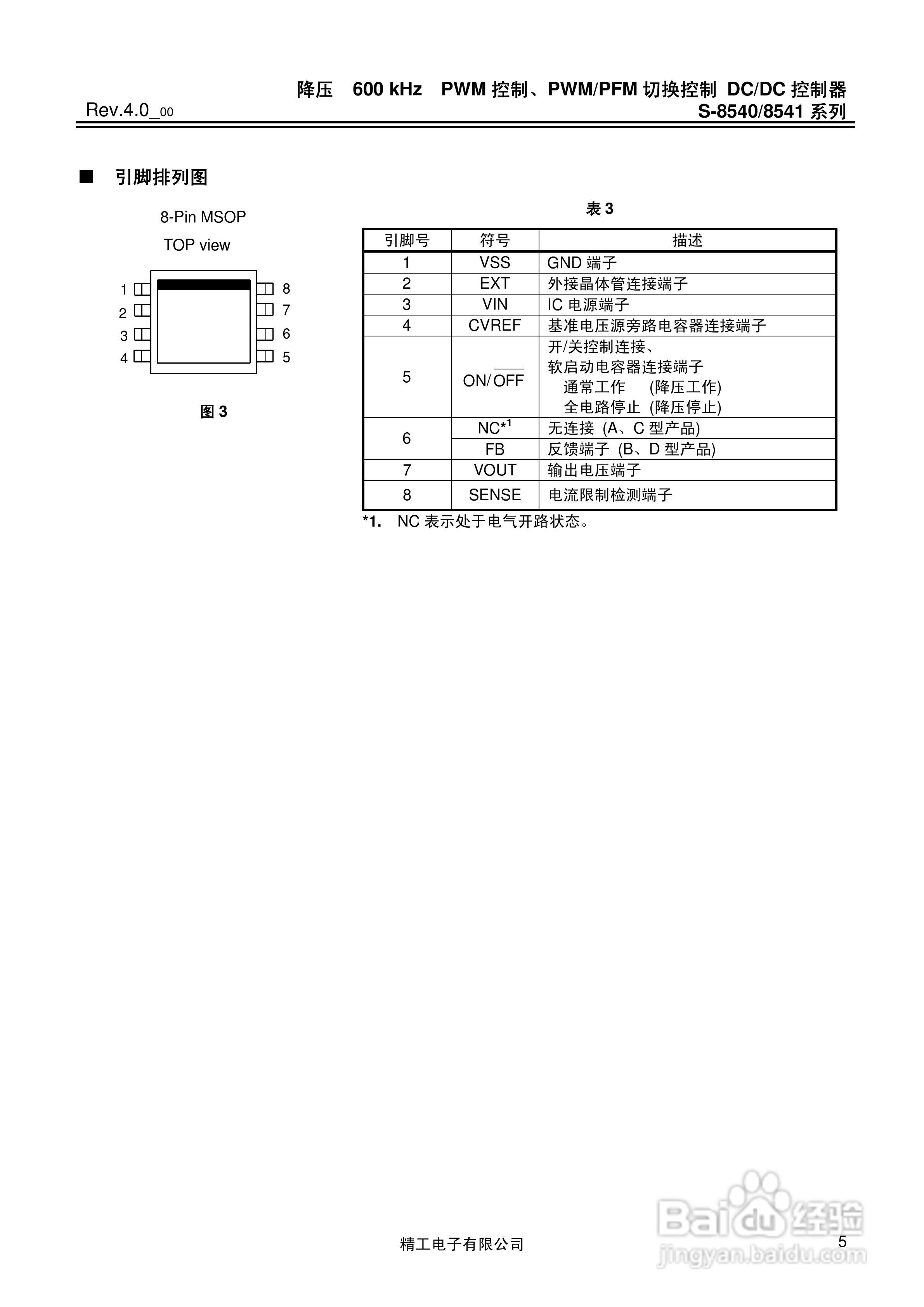
精工电S-8540/8541系列DC/DC控制器说明书:[1]
2026-01-06 15:29:14
本篇为《精工电S-8540/8541系列DC/DC控制器说明书》,主要介绍该产品的使用方法以及常见故障解决方案。
(共篇)
下一篇:
声明:
本网站引用、摘录或转载内容仅供网站访问者交流或参考,不代表本站立场,如存在版权或非法内容,请联系站长删除,联系邮箱:site.kefu@qq.com。
相关推荐
精工电S-8540/8541系列DC/DC控制器说明书:[3]
阅读量:155
精工S-8333系列DC-DC控制器说明书:[1]
阅读量:174
精工S-8333系列DC-DC控制器说明书:[4]
阅读量:104
精工S-8813系列DC-DC转换器说明书:[1]
阅读量:162
精工S-5840A系列温度开关说明书:[1]
阅读量:111
猜你喜欢
垂直同步有什么用
什么是团队
10月1日是什么星座
预收账款属于什么科目
春天像什么的比喻句
ems是什么快递
保释是什么意思
缴费和交费有什么区别
一个革一个斤念什么
昆明是什么城
猜你喜欢
民办大学和公办大学有什么区别
taste是什么意思
11月16日是什么星座
王者荣耀这个赛季什么时候结束
stars是什么意思
公务员是干什么的
教师节送什么礼物
hrbp是什么意思
新生儿溶血是什么意思
333是什么意思