指南生活
首页
美食营养
手工爱好
生活家居
返回
指南生活
首页
美食营养
游戏数码
手工爱好
生活家居
健康养生
运动户外
职场理财
情感交际
母婴教育
时尚美容
知识问答
生活知识
生活百科
搜索
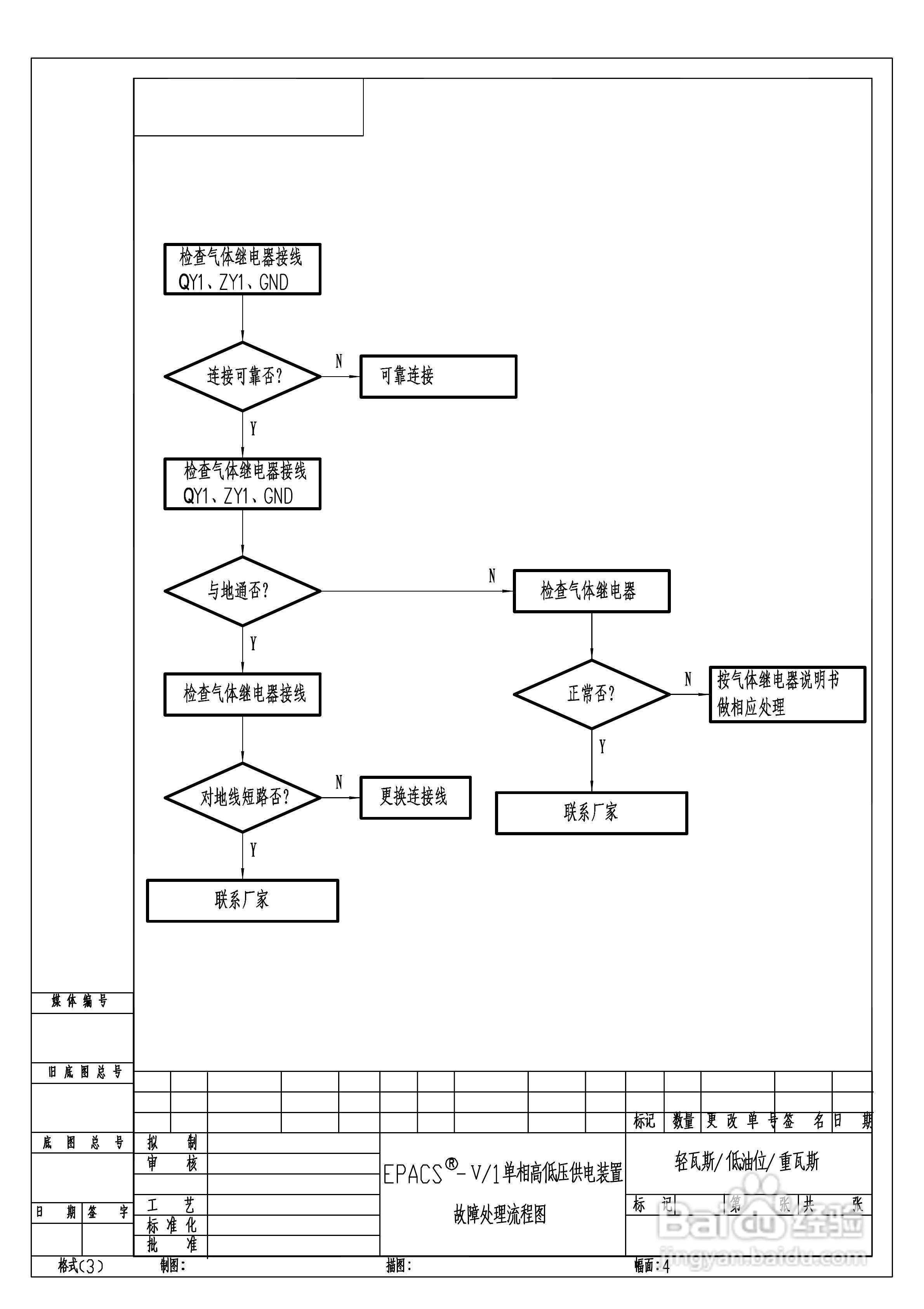
德维EPACS-V1单相电源说明书1.3版:[2]
2026-03-26 16:11:21
本篇为《德维EPACS-V1单相电源说明书1.3版》,主要介绍该产品的使用方法以及常见故障解决方案。
(共篇)
上一篇:
|
下一篇:
声明:
本网站引用、摘录或转载内容仅供网站访问者交流或参考,不代表本站立场,如存在版权或非法内容,请联系站长删除,联系邮箱:site.kefu@qq.com。
相关推荐
德维EPACS-V1单相电源说明书1.3版:[4]
阅读量:106
德维200909低压电源说明书:[3]
阅读量:89
德维PACS-V/1电除尘用单相高低压供电装置/全电场智能:[3]
阅读量:129
德维PACS-V/1电除尘用单相高低压供电装置/全电场智能:[2]
阅读量:120
德维PACS-V/1电除尘用单相高低压供电装置/全电场智能:[4]
阅读量:193
猜你喜欢
如何卖保险
生活启示录电视剧全集35集免费观看
如何缓解学习压力
如何取得成功
信号灯怎么看
如何制作蛋糕
如何清洗粉扑
如何提高执行力
tplink如何设置
ipad如何刷机
猜你喜欢
六神丸如何延时
os是什么意思
花名册是什么意思
如何查询电脑配置
怎么定时关机电脑
10085是什么电话服务
如何增加肺活量
如何关闭空间
水中生活
如何用手机做兼职赚钱