指南生活
首页
美食营养
手工爱好
生活家居
返回
指南生活
首页
美食营养
游戏数码
手工爱好
生活家居
健康养生
运动户外
职场理财
情感交际
母婴教育
时尚美容
知识问答
生活知识
生活百科
搜索
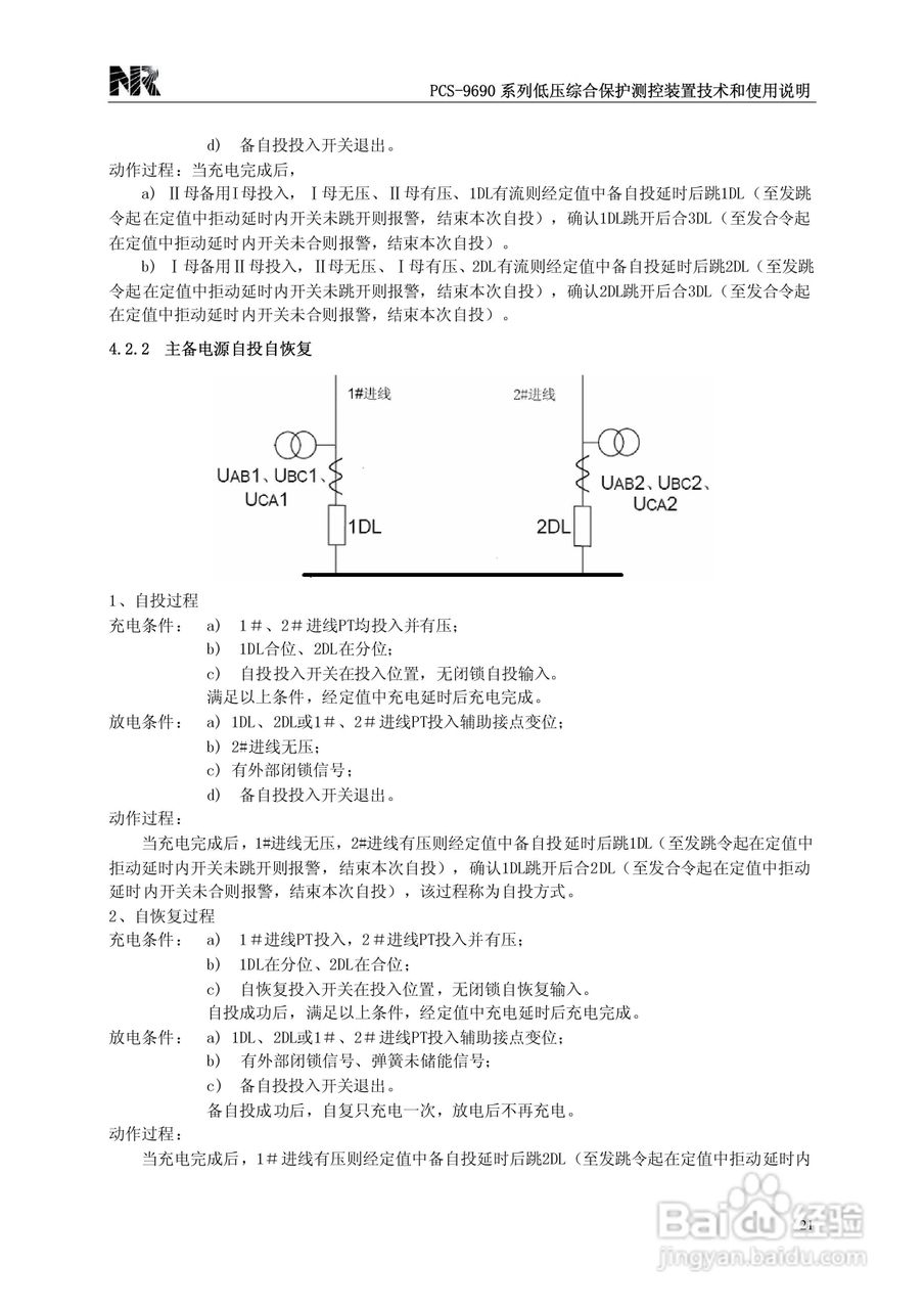
PCS-9690系列低压综合保护测控装置技术和使用说明书:[3]
2026-04-23 19:36:07
本篇为《PCS-9690系列低压综合保护测控装置技术和使用说明书》,主要介绍该产品的使用方法以及常见故障解决方案。
(共篇)
上一篇:
|
下一篇:
声明:
本网站引用、摘录或转载内容仅供网站访问者交流或参考,不代表本站立场,如存在版权或非法内容,请联系站长删除,联系邮箱:site.kefu@qq.com。
相关推荐
PCS-9690系列低压综合保护测控装置技术和使用说明书:[4]
阅读量:67
PCS-9690系列低压综合保护测控装置技术和使用说明书:[5]
阅读量:119
南瑞继保PCS-9820A智能控制装置使用说明书:[3]
阅读量:86
南瑞继保PCS-9820B智能控制装置使用说明书:[3]
阅读量:132
PCS 7 操作员站体系结构
阅读量:67
猜你喜欢
屡试不爽的爽是什么意思
拉毛是什么意思
网络上淦是什么意思
稍纵即逝的意思
防微杜渐是什么意思
盘旋的意思
ean是什么意思
一米阳光什么意思
username是什么意思
什么是冬病夏治
猜你喜欢
张飞的母亲姓什么
concert是什么意思
结婚前需要准备什么
最大扭矩是什么意思
磁器口有什么好玩的
qc小组是什么意思
rpr是什么意思
流离失所是什么意思
车水马龙是什么意思
或者的意思